В 1960 г. Miehkle и соавт. [193] сообщили о «древовидном вздутии» (разбухающая припухлость) мышечных волокон в продольных срезах мышц. При этом они обратили внимание на различную интенсивность окрашивания поперечных срезов мышечных волокон в биоптатах из зоны такой припухлости (мышечного уплотнения или узлов) у больных, страдавших фиброзитом.
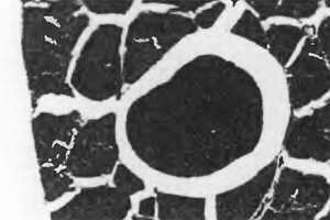
В 1976 г. Simons и Stolov [253] использовали критерии миофасциальных триггерных точек при изучении мышц собак на наличие болезненного пятна, определяемого в пальпируемом уплотненном пучке по сравнению с таковым, определяемым у человека. Под общим обезболиванием у животных одинаковая локализация в мышце была выявлена как путем пальпации, так и при расширенной биопсии. На поперечных срезах мышц были видны изолированные крупные округлые мышечные волокна и группы темноокрашенных, увеличенных в размерах округлых мышечных волокон (рис. 2.23).

Рис. 2.23. В центре рисунка показано гигантское округлое мышечное волокно, окруженное пустым пространством, которое вполне могло возникнуть в результате значительного локального энергетического кризиса. В этом пространстве могут находиться субстанции, способные повысить чувствительность прилежащих болевых рецепторов. Помимо мышечных волокон неправильной формы и нормального размера, окружающих гигантское волокно, видно четыре ненормально маленьких волокна — два вверху справа и два внизу слева, которые могут быть сегментами мышечных волокон, суженными вследствие наличия где-либо в этом волокне сокращенного узла.
В продольных срезах соответствующим признаком было наличие большого числа сокращенных узлов. Отдельный узел выглядел как сегмент мышечного волокна с сильно сократившимися саркомерами. В этом сегменте, находящемся в состоянии стойкого сокращения, отмечено соответствующее увеличение диаметра мышечного волокна (рис. 2.24).

Рис. 2.24. Продольный срез сокращенного узла из биоптатв тонкой мышцы собаки. В качестве места для проведения биопсии был выбран исключительно болезненный при дотрагивании и надавливании участок в уплотненном пучке этой мышцы. Существует два главных критерия триггерной точки. Испещренность (соответствует длине саркомеров) свидетельствует о резко выраженной контрактуре около 100 саркомеров на срезе напряженного узла, расположенного в мышечном волокне. Саркомеры, расположенные по обе стороны от этого узла, компенсаторно удлинены по сравнению с нормальными размерами саркомеров в мышечных волокнах, изображенных в нижней части этого рисунка. Диаметр волокон явно увеличен в области расположения узла и ненормально уменьшен по обеим сторонам от него. Неровность сарколеммы вдоль верхней границы мышечного волокна (в центре сокращенного узла) может представлять собой концевую пластинку. Деформация ряда саркомеров в соседних мышечных волокнах отражает сильнейшее стрессовое воздействие на эти волокна, и нельзя исключить, что это может быть причиной нарушения функции прилежащих мышечных волокон.
Структурные особенности сократившихся узлов, один из которых представлен на рис. 2.24, схематично изображены в нижней части рис. 2.25. На этом рисунке представлено возможное объяснение появления пальпируемых узлов и уплотненных пучков, ассоциированных с миофасциальными триггерными точками. На рис. 2.25,б показано три отдельных сократившихся узла, разбросанных среди нормальных мышечных волокон. На рис. 2.24 и 2.25,б показано, что за пределами утолщенного сегмента сокращенного мышечного волокна в сократившемся узле мышечные волокна становятся заметно тоньше и составляются из растянутых саркомеров, чтобы компенсировать сократившиеся элементы, расположенные в узловом сегменте. В верхней части рис. 2.25,б представлена пара сократившихся сепарированных узлов, разделенных сарколеммой. Такие признаки [96, 253] могут представлять собой одно из необратимых осложнений, возникающих как результат продолжительного существования сокращенного узла.
Очевидно, что мышечные волокна, содержащие сократившиеся узлы, находятся под повышенным напряжением (натяжением) как в зоне сократившегося узла, так и за его пределами. Из схематического строения мышцы (см. рис. 2.25,а) видно, что следствием этого постоянного напряжения может быть местная механическая перегрузка соединительнотканных структур в зоне прикрепления сухожильно-мышечного волокна. Можно предположить, что это длительное патологическое состояние ткани приведет к высвобождению сенсибилизирующих агентов, способных повысить чувствительность болевых рецепторов (ноцицепторов), вызвав тем самым появление болезненности при давлении и дотрагивании, обусловливая болевые проявления миофасциальных триггерных точек в зоне прикрепления сухожильно-мышечных образований.

Рис. 2.25. Схематическое изображение комплекса триггерной точки в мышце (продольный срез). Показаны три региона, которые могут характеризоваться аномальной болезненностью при дотрагивании и надавливании (красный цвет), а также сокращенные узлы, которые, вполне вероятно, во-первых, создают ощущение узловатой консистенции триггерной точки; во-вторых, являются причиной появления уплотненного пучка и, в-третьих, показывают месторасположение активного локуса.
а — центральная триггерная точка (СТrР), которая обнаруживается в зоне концевой пластинки, состоит из многочисленных электрически активных локусов и содержит массу сокращенных узлов. Зона местной болезненности в области нахождения центральной триггерной точки обозначена красным овалом. Уплотненный пучок мышечных волокон простирается от триггерной точки до места прикрепления окончания каждого пораженного мышечного волокна. Постоянное напряжение, которое создается уплотненным пучком в местах прикрепления его к тканям, может усиливать местную энтезопатию, которую обозначают как триггерную точку в местах прикрепления. Местная болезненность в области энтезопатии на уровне триггерной точки в местах прикрепления обозначается красным кругом с черным обрамлением;
б — эта же часть центральной триггерной точки (с увеличением); показано распределение пяти сокращенных узлов. Вертикальные линии в каждом мышечном волокне определяют расположение испещренности. Пространство, находящееся между полосами, соотносится с длиной одного саркомера. Каждый сокращенный узел определяет собой сегмент мышечного волокна, саркомеры которого находятся в состоянии максимально стойкого сокращения. Саркомеры, расположенные в одном из этих увеличенных сегментов (сокращенный узел) мышечного волокна, заметно короче и шире, чем саркомеры соседних здоровых мышечных волокон, в которых нет сокращенных узлов. В мышечных волокнах с такими сократившимися узлами (обратите внимание на три нижних отдельных узла) саркомеры той части мышечного волокна, которая располагается по обе стороны от сокращенных узлов, длиннее и уже, чем нормальные саркомеры. В верхней части рис. б видны два сокращенных узла, разделенных промежутком из запустевшей сарколеммы, лишенной контрактильных элементов. Такая конфигурация предполагает, что постоянно существующее тоническое напряжение контрактильных элементов в отдельном сократившемся узле может быть причиной механического повреждения контрактильных элементов, находящихся в середине этого узла. Если подобное происходит, две половины могут сократиться, оставив промежуток из опустошенной сарколеммы между ними. У некоторых пациентов центральная триггерная точка может ощущаться как узелок по сравнению с прилежащей мышечной тканью, поскольку она содержит многочисленные «раздутые» сокращенные узлы, которые занимают дополнительное пространство и являются более твердыми, чем неповрежденные мышечные волокна, и резко натянутыми.