Литмир - Электронная Библиотека
Содержание  
A
A

  Лит.: Захарьевский А. Н., Интерферометры, М., 1952; Бржезинский М. Л., Интерференционные компараторы для измерения длины штриховых мер, в кн.: Труды институтов Госкомитета, в. 78 (138), М. — Л., 1965; Волкова Е. А. [и др.]. Универсальный интерферометр системы ВНИИМ для измерения концевых мер и геодезических кварцевых жезлов длиной до 1200 мм, в кн.: Труды Всесоюзного научно-исследовательского института метрологии, в. 26 (86), М. — Л., 1955.

  А. В. Кондрашков.

Большая Советская Энциклопедия (КО) - i010-001-272721967.jpg

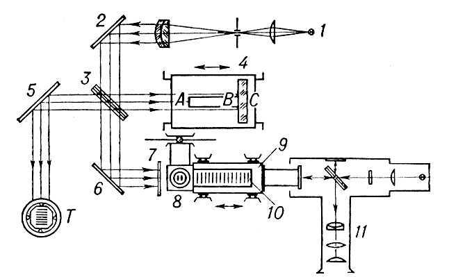
Схема интерференционного компаратора.

Компарирование

Компари'рование (от франц. comparer — сравнивать, сличать), сравнение мер или измеряемой величины с величиной, воспроизводимой мерой, в процессе измерения (см. Сравнения с мерой метод измерения). К. производят при помощи приборов сравнения (компарирующих приборов): равноплечных весов , электроизмерительного потенциометра , фотометрической скамьи с фотометром , компараторов для линейных мер и т.п.

Компас (в мор. деле)

Ко'мпас (в морском деле — компа'с) (нем. Kompass, итал. compasso, от compassare — измерять шагами), прибор для ориентирования на местности. По принципу действия К. разделяют на: магнитные, в которых используется свойство прямого постоянного магнита (магнитной стрелки) или катушки с током при взаимодействии с магнитным полем Земли располагаться вдоль магнитного меридиана в направлении север — юг; гироскопические, в которых используется свойство быстро вращающегося ротора гироскопа сохранять неизменным направление оси вращения и удерживать её при определённых условиях в плоскости географического меридиана (см. Гирополукомпас , Гирокомпас ); астрономические, в которых специальное устройство (пеленгатор) непрерывно следит за положением какого-либо небесного светила (например, Солнца), что позволяет при знании географических координат места нахождения определить направление географического меридиана (см. Астрономический компас ); радиокомпасы — радиоприёмные устройства, автоматически фиксирующие направление на радиомаяк (см. Радиокомпас , Радиополукомпас ). К. применяется в морской и авиационной навигации (для определения курса судна , самолёта, а также направлений на ориентиры), в сухопутных путешествиях, в военном деле, геодезии и топографии, в горном деле (см. Буссоль , Горный компас ).

  Старейшим и наиболее распространённым прибором является магнитный К. Более 2 тыс. лет назад в Китае уже применяли постоянный магнит для определения направления север — юг. В Европе К. появился не позднее 12 в., он представлял собой магнитную стрелку, укрепленную на пробке, плававшей в сосуде с водой. В начале 14 в. К. был усовершенствован: магнитную стрелку поместили на остриё, которое находилось в центре бумажного круга (картушки), снабженного для удобства ориентирования делениями. Круг был разделён сначала на 16, а затем на 32 равных сектора (см. Румб ). В 16 в. для уменьшения воздействия на К. механических колебаний (например, морской качки) стали применять кардановый подвес. В 17 в. морской К. снабдили так называемым пеленгатором — вращающейся диаметральной линейкой с визирами по концам, что позволило точнее отсчитывать направления (пеленги). Усовершенствованный магнитный К. стал основным навигационным прибором в судовождении. Точность показаний современных судовых магнитных К. в средних широтах и при отсутствии качки достигает 0,3—0,5°.

  Авиационный магнитный К. имеет те же основные детали, что и судовой, но его конструкция учитывает специфические условия работы: возможные сильные вибрации, ускорения и т.п.

  К недостаткам магнитного К. относится необходимость вносить поправки в его показания на несовпадение магнитного и географического меридианов (учитывать склонение магнитное ) и поправки на девиацию (см. Девиация компаса). Вблизи магнитных полюсов Земли и крупных магнитных аномалий точность показаний магнитного К. резко снижается, в этих районах приходится пользоваться К. других типов. Однако ни один из перечисленных типов К. не может обеспечить точного измерения курса во всех районах Земли при любой погоде, различных состояниях магнитосферы и радиопомехах. В связи с этим в морском деле, в авиации, в военном деле применяют совместно К. различных типов, на их основе созданы единые курсовые системы.

  Лит.: Андерсон Э., Принципы навигации, пер. с англ., М., 1968; Селезнев В. П., Навигационные устройства, М., 1961.

Большая Советская Энциклопедия (КО) - i008-pictures-001-294482581.jpg

Судовой магнитный компас (а — внешний вид; б — поперечный разрез; в — крепление компаса): 1 — корпус (котелок) компаса, герметически закрытый стеклом 2; 3 — остриё (шпилька) для установки картушки 4 (диска с полушаровым поплавком 5 в середине); 6 — агатовая опора («топка»); 7 — магнитная система компаса (из 4 — 6 магнитных стрелок); 8 — объём, заполняемый жидкостью; 9 — груз для увеличения остойчивости котелка; 10 — цапфы для крепления компаса в кардановом подвесе; 11 — линейка-пеленгатор с укрепленными на ней предметной 12 и глазной 13 мишенью для наведения на ориентир; 15 — шкафчик (нактоуз) для крепления компаса на палубе; 16 — девиационный прибор.

Компас (созвездие)

Ко'мпас (лат. Pyxis), созвездие Южного полушария неба; наиболее яркая звезда a Компаса имеет блеск 3,7 визуальной звёздной величины . Наилучшие условия для наблюдений в январе — феврале. Видно в южных районах СССР. См. Звёздное небо .

Компасные растения

Ко'мпасные расте'ния, растения, листья которых располагаются в плоскости меридиана, то есть с севера на юг; в полдень листья обращены ребром к падающему на них солнечному свету. При этом растения не страдают от перегрева солнечными лучами и чрезмерной траты воды; в то же время интенсивность их фотосинтеза не снижается. К. р. обычно встречаются в степях, полупустынях и других местах с сильной инсоляцией. Одно из наиболее распространённых в СССР К. р. — латук (Lactuca serriola), в Австралии — эвкалипт, в Северной Америке — сильфиум (Silphium laciniatum).

Большая Советская Энциклопедия (КО) - i008-pictures-001-297681229.jpg

Латук: а — вид с востока; б — вид с юга.

Компатриот

Компатрио'т (франц. compatriote, от лат. cum — совместно и patria — родина), соотечественник.

Компаунд-машина

Компа'унд-маши'на, двухцилиндровая паровая машина двойного действия, в которой пар расширяется в цилиндре меньшего диаметра, а затем переходит в цилиндр большего диаметра (цилиндры расположены параллельно).

Компаундное возбуждение

Компа'ундное возбужде'ние, смешанное возбуждение, компаундирование (от англ. compound — составной, смешанный), возбуждение электрических машин, при котором магнитный поток автоматически регулируется в зависимости от силы тока в якоре электрической машины. К. в. электрических машин постоянного тока производится от двух обмоток возбуждения: последовательной и параллельной (или независимой). Параллельная обмотка обеспечивает магнитный поток возбуждения машины, соответствующий номинальному напряжению при холостом ходе. Последовательная обмотка предназначена для автоматического регулирования напряжения машины в зависимости от нагрузки. Электрические машины такого типа называются машинами компаундного, или смешанного, возбуждения, которые по электромеханическим характеристикам занимают промежуточное положение между машинами последовательного и параллельного возбуждения.

264
{"b":"106098","o":1}