Литмир - Электронная Библиотека
Содержание  
A
A

Технические характеристики СИП «Торсада» приведены в табл. 1.67 и 1.68.

Таблица 1.67

СИП «Торсада»

Справочник по строительству и реконструкции линий электропередачи напряжением 0,4–750 кВ - i_101.png

Таблица 1.68

СИП «Торсада» для ответвительных линий электропередачи

Справочник по строительству и реконструкции линий электропередачи напряжением 0,4–750 кВ - i_102.png

1.5. ЛИНЕЙНЫЕ ИЗОЛЯТОРЫ

Линейные изоляторы предназначаются для подвески проводов и грозозащитных тросов к опорам линий электропередачи. В зависимости от напряжения линий электропередачи применяются штыревые или подвесные изоляторы, изготовленные из стекла, фарфора или полимеров (рис. 1.3–1.5).

Справочник по строительству и реконструкции линий электропередачи напряжением 0,4–750 кВ - i_103.png

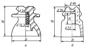
Рис. 1.3. Линейные штыревые изоляторы: а – фарфоровый ШФ-10Г; б – стеклянный НС 18А

Справочник по строительству и реконструкции линий электропередачи напряжением 0,4–750 кВ - i_104.png

Рис. 1.4. Конструкции подвесных тарельчатых изоляторов: а – из закаленного стекла с конусной заделкой деталей; б – из фарфора с «арочной» заделкой деталей; 1 – стержень; 2 – изоляционная деталь; 3 – шапка; 4 – цементная заделка; 5 – замок; 6 – герметик

Справочник по строительству и реконструкции линий электропередачи напряжением 0,4–750 кВ - i_105.png

Рис. 1.5. Полимерный изолятор типа ЛК 70/35-AIV

Штыревые изоляторы применяются при напряжении от 0,4 до 6 кВ, при напряжении от 10 до 35 кВ применяются как штыревые, так и подвесные изоляторы.

Изоляторы из закаленного стекла в отличие от фарфоровых не требуют проверки на электрическую прочность перед монтажом. В случае наличия дефекта изолирующая деталь стеклянного изолятора рассыпается на мелкие части, а остаток стеклянного изолятора сохраняет несущую способность, равную не менее 75 % номинальной электромеханической прочности изолятора.

Полимерные изоляторы представляют собой комбинированную конструкцию, состоящую из высокопрочных стержней из стеклопластика с полимерным защитным покрытием, тарелок и металлических наконечников. Стеклопластиковый стержень защищается от внешних воздействий защитной оболочкой, стойкой к ультрафиолетовому излучению и химическим воздействиям. Полимерные изоляторы позволяют заменить целые гирлянды стеклянных и фарфоровых изоляторов. Кроме того, полимерные изоляторы значительно легче, чем гирлянды из стекла и фарфора.

Эксплуатационные характеристики изоляторов зависят от аэродинамических характеристик изолирующей детали («тарелки») изолятора. Хорошее обтекание изолятора способствует уменьшению загрязнения, лучше происходит его самоочистка ветром и дождем и, как следствие, не происходит значительного снижения уровня изоляции гирлянды.

Основные характеристики изолятора – его механическая разрушающая сила, кН, электромеханическая разрушающая сила, кН, а также соотношение длины пути утечки изолятора, мм, к строительной высоте изолятора, мм.

Механическая разрушающая сила – наименьшее значение силы, приложенной к изолятору в определенных условиях, при которой он разрушается.

Электромеханическая разрушающая сила – наименьшее значение силы, приложенной к изолятору в определенных условиях, находящемуся под действием разности электрических потенциалов, при которой он разрушается.

Длина пути утечки изолятора – это кратчайшее расстояние или сумма кратчайших расстояний по контуру наружной изоляционной поверхности между частями, находящимися под разными электрическими потенциалами. От этой величины зависит надежность работы изолятора при загрязнении и увлажнении.

Хранение изоляторов на площадке должно осуществляться под навесом и в таком положении, чтобы избежать скопления воды в полостях изолятора. Технические характеристики изоляторов приведены в табл. 1.69—1.71.

Таблица 1.69

Штыревые изоляторы (см. рис. 1.3)

Справочник по строительству и реконструкции линий электропередачи напряжением 0,4–750 кВ - i_106.png

* На напряжение до 1 кВ. * * На напряжение свыше 1 кВ.

Таблица 1.70

Подвесные тарельчатые высоковольтные изоляторы (см. рис. 1.4)

Справочник по строительству и реконструкции линий электропередачи напряжением 0,4–750 кВ - i_107.png
Справочник по строительству и реконструкции линий электропередачи напряжением 0,4–750 кВ - i_108.png

Таблица 1.71

Полимерные линейные изоляторы для воздушных линий электропередачи (см. рис. 1.5)

Справочник по строительству и реконструкции линий электропередачи напряжением 0,4–750 кВ - i_109.png
Справочник по строительству и реконструкции линий электропередачи напряжением 0,4–750 кВ - i_110.png
Справочник по строительству и реконструкции линий электропередачи напряжением 0,4–750 кВ - i_111.png

При сооружении линий электропередачи с применением проводов SAX используются изоляторы финского производства типа SDI (табл. 1.72).

Таблица 1.72

Изоляторы типа SDI

Справочник по строительству и реконструкции линий электропередачи напряжением 0,4–750 кВ - i_112.png

1.6. АРМАТУРА

Арматура применяется на строительстве воздушных линий электропередачи, открытых распределительных устройств подстанций. Она используется для комплектования изолирующих подвесок проводов и грозозащитных тросов, соединений проводов и тросов в пролетах и шлейфах, присоединения проводов к выводам электрических аппаратов, фиксирования расщепленных проводов в фазах, защиты проводов от воздействия вибрации и других колебаний.

Арматура должна удовлетворять следующим основным требованиям: обладать достаточной механической прочностью, высококоррозионной стойкостью, минимальными потерями на перемагничивание при прохождении переменного тока и по возможности не иметь источников стриммерных разрядов. Токоведущая арматура не должна обладать электрическим сопротивлением протеканию тока, превышающим сопротивление провода той же длины.

Все типы линейной арматуры и арматуры открытых распределительных устройств подстанций изготовляются для эксплуатации в умеренно холодном и тропическом климате. Арматура изготавливается в климатическом исполнении УХЛ категории I по ГОСТ 15150—69*.

Для районов прохождения ВЛ в атмосфере промышленных загрязнений с повышенной химической активностью среды, а также районов солончаков и морского побережья применяется арматура в тропическом исполнении с обязательным нанесением защитной смазки ЗЭС (ТУ 38 101474—74) в процессе монтажа линии.

Арматура используется с проводами, изготовленными по ГОСТ 839-80*, и канатами стальными (ГОСТ 3062-80*, ГОСТ 3063-80*, ГОСТ 3064-80*).

1.6.1. Соединения линейной арматуры

В основу стандартизации линейной арматуры положен ГОСТ 11359-75*, который распространяется на линейную арматуру с разрушающими нагрузками, соответствующими следующим значениям, кН, не менее: 20; 40; 70; 100; 120; 160; 210; 250; 300; 350; 400; 450; 530; 600; 750; 900; 1100; 1200; 1350; 1600; 1800; 2400; 2700; 3600.

Все типы соединительной арматуры крепятся подвижно шарнирами трех видов:

шарнир «палец-проушина»;

цепное соединение;

сферический шарнир.

Соединения типа «палец-проушина» и цепное соединение с разрушающими нагрузками от 20 до 3600 кН должны соответствовать значениям, указанным в табл. 1.73 (рис. 1.6).

Справочник по строительству и реконструкции линий электропередачи напряжением 0,4–750 кВ - i_113.png

Рис. 1.6. Сопряжение арматуры:

а – шарнирное «палец-проушина»; б – цепное

Таблица 1.73

Шарнирные соединения «палец-проушина» и цепного типа

Справочник по строительству и реконструкции линий электропередачи напряжением 0,4–750 кВ - i_114.png
Справочник по строительству и реконструкции линий электропередачи напряжением 0,4–750 кВ - i_115.png

Цепное соединение является наиболее рациональным для соединения элементов в гирлянде. Шарнир такого типа в цепи гирлянды обеспечивает отклонение элементов в двух взаимно перпендикулярных плоскостях и имеет некоторую, хотя и ограниченную, свободу при скручивании элементов (кручение вокруг оси гирлянды).

Шарнир сферического типа применяется чаще всего в соединении изоляторов и в значительно меньшей степени – в цепи гирлянды для соединения ее элементов. Недостатком его является ограниченная возможность отклонения, что связано с особенностью его конструкции.

9
{"b":"117380","o":1}