Литмир - Электронная Библиотека
Содержание  
A
A

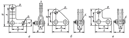
Скобы удлиненные типа СКД имеют увеличенную строительную высоту. Применение их в изолирующих подвесках рекомендуется только в исключительных случаях, когда скобы нормальной длины применить невозможно. Обозначения и основные размеры скоб приведены на рис. 1.17 и в табл. 1.85 и 1.86.

Справочник по строительству и реконструкции линий электропередачи напряжением 0,4–750 кВ - i_141.png

Рис. 1.17. Скобы для комплектования гирлянд изоляторов и тросовых креплений: а – типа СК и СКД; б – трехлапчатая типа СКТ

Таблица 1.85

Скобы типов СК и СКД (см. рис. 1.17, а)

Справочник по строительству и реконструкции линий электропередачи напряжением 0,4–750 кВ - i_142.png

Таблица 1.86

Скобы типа СКТ (см. рис. 1.17, б)

Справочник по строительству и реконструкции линий электропередачи напряжением 0,4–750 кВ - i_143.png

1.6.5. Промежуточные звенья

Промежуточные звенья предназначены для увеличения и регулирования длины подвески, перехода от одного вида соединения к другому, изменения расположения оси шарнирности соединения арматуры, рассчитанной на разные нагрузки.

Промежуточные звенья для воздушных линий электропередачи позволяют осуществить: удлинение изолирующих подвесок (звенья типов ПР, 2ПР, ПРТ); изменение плоскости шарнирности (звенья типа ПРВ); регулировку длин изолирующих подвесок (звенья типов ПРР, ПТР); удобный монтаж (звенья типа ПТМ); переход соединения арматуры с различными разрушающими нагрузками (звенья типа ПРТ, ПРС).

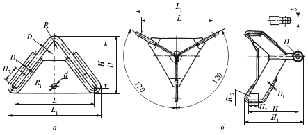
Общие виды и основные размеры промежуточных звеньев даны на рис. 1.18 и 1.19 и в табл. 1.87-1.92.

Справочник по строительству и реконструкции линий электропередачи напряжением 0,4–750 кВ - i_144.png

Рис. 1.18. Промежуточные сцепные звенья:

а и б – прямые типа ПР; в – двойные типа 2ПР; г – трехлапчатые типа ПРТ; д – вывернутые типа ПРВ

Справочник по строительству и реконструкции линий электропередачи напряжением 0,4–750 кВ - i_145.png

Рис. 1.19. Промежуточные звенья регулируемые: а – типа ПРР; б – ПТР (талрепы)

Таблица 1.87

Промежуточные звенья типа ПР

Справочник по строительству и реконструкции линий электропередачи напряжением 0,4–750 кВ - i_146.png

Таблица 1.88

Промежуточные звенья двойные типа 2ПР (см. рис. 1.18, в)

Справочник по строительству и реконструкции линий электропередачи напряжением 0,4–750 кВ - i_147.png
Справочник по строительству и реконструкции линий электропередачи напряжением 0,4–750 кВ - i_148.png

Таблица 1.89

Промежуточные звенья трехлапчатые типа ПРТ (см. рис. 1.18, г)

Справочник по строительству и реконструкции линий электропередачи напряжением 0,4–750 кВ - i_149.png

Промежуточные звенья вывернутые типа ПРВ состоят из круглого стержня, имеющего на концах однолапчатые проушины, которые повернуты на 90° относительно друг друга. Звенья промежуточные регулируемые типа ПРР состоят из четырех пластин, которые попарно образуют двухлапчатую и однолапчатую части звена. В пластинах на различном расстоянии выполнены отверстия, что позволяет с помощью перестановки пальцев в отверстиях изменять длину звена и за счет этого менять длину изолирующей подвески. Звено комплектуется двумя пальцами с резьбовыми концами, гайками и шплинтами.

Таблица 1.90

Промежуточные звенья вывернутые типа ПРВ (см. рис. 1.18, д)

Справочник по строительству и реконструкции линий электропередачи напряжением 0,4–750 кВ - i_150.png

Таблица 1.91

Промежуточные регулируемые звенья типа ПРР (см. рис. 1.19, а)

Справочник по строительству и реконструкции линий электропередачи напряжением 0,4–750 кВ - i_151.png
Справочник по строительству и реконструкции линий электропередачи напряжением 0,4–750 кВ - i_152.png

Промежуточные звенья типа ПТР – талрепы имеют плавную регулировку длины за счет винтовой нарезки на подвижных деталях. После доведения длины изолирующих подвесок до нужного размера винты талрепа фиксируются от поворота контргайками.

Таблица 1.92

Промежуточные звенья ПТР (талрепы) с бесступенчатой регулировкой длины (см. рис. 1.19, б)

Справочник по строительству и реконструкции линий электропередачи напряжением 0,4–750 кВ - i_153.png

Промежуточные звенья двойного типа 2ПРР, служащие для увеличения и регулирования длины подвески, состоят из одинаковых пластин по типу 2ПР с тремя отверстиями посередине.

Промежуточные монтажные звенья типа ПТМ относятся к специальным типам арматуры, которые включаются в состав поддерживающих и натяжных изолирующих подвесок для обеспечения удобства монтажа и эксплуатации. Конструкция и основные размеры этих звеньев представлены на рис. 1.20 и в табл. 1.93.

Справочник по строительству и реконструкции линий электропередачи напряжением 0,4–750 кВ - i_154.png

Рис. 1.20. Звенья промежуточные монтажные типа ПМТ

Таблица 1.93

Звенья промежуточные монтажные типа ПТМ

Справочник по строительству и реконструкции линий электропередачи напряжением 0,4–750 кВ - i_155.png
Справочник по строительству и реконструкции линий электропередачи напряжением 0,4–750 кВ - i_156.png

1.6.6. Коромысла

Коромысла являются промежуточными элементами при комплектации двухцепных или многоцепных изолирующих подвесок, позволяющих обеспечивать равномерное распределение нагрузок между отдельными цепями изоляторов посредством их шарнирного соединения. Коромысла применяются также для присоединения к одноцепным изолирующим подвескам двух, трех и более проводов фазы.

Расстояние между точками крепления цепей изоляторов должно быть не менее 400 мм для изоляторов, имеющих диаметр изолирующей части до 300 мм, и не менее 450 мм для изоляторов, имеющих диаметр изолирующей части до 370 мм.

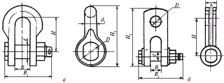
Конструкция и основные параметры универсальных коромысел типа 2КУ и 3КУ для комплектования двухцепных и трехцепных изолирующих подвесок и крепления двух проводов фазы к изолирующим подвескам приведены на рис. 1.21 и в табл. 1.94 и 1.95.

Справочник по строительству и реконструкции линий электропередачи напряжением 0,4–750 кВ - i_157.png

Рис. 1.21. Универсальные коромысла типа КУ для изолирующих подвесок и крепления проводов к изолирующим подвескам: а – двухплечевые типа 2КУ; б – трехплечевые типа 3КУ

Таблица 1.94

Универсальные коромысла для крепления двух проводов фазы к изолирующим подвескам двухплечевые типа 2КУ (см. рис. 1.21, а)

Справочник по строительству и реконструкции линий электропередачи напряжением 0,4–750 кВ - i_158.png
Справочник по строительству и реконструкции линий электропередачи напряжением 0,4–750 кВ - i_159.png

Таблица 1.95

Трехплечевые коромысла типа 3КУ (см. рис. 1.21, б)

Справочник по строительству и реконструкции линий электропередачи напряжением 0,4–750 кВ - i_160.png

Конструкция и основные параметры двухцепных двухреберных коромысел типа 2КД с одной точкой крепления, двухцепных и трех-цепных двухреберных коромысел с двумя точками крепления типа 2КД2 и 3КД2 представлены на рис. 1.22 и в табл. 1.96-1.98, а трех-цепных балансирных 3КБ и однореберных типа К2 приведены на рис. 1.23 и в табл. 1.99 и 1.100.

Справочник по строительству и реконструкции линий электропередачи напряжением 0,4–750 кВ - i_161.png

Рис. 1.22. Коромысла двухцепные двухреберные с одной и двумя точками крепления:

а – 2КД-25; б – 2КД-12; в – 2КД2-30; г – 2КД2-240-1/3

Справочник по строительству и реконструкции линий электропередачи напряжением 0,4–750 кВ - i_162.png

Рис. 1.23. Коромысло трех-цепное балансирное типа 3КБ с одной точкой крепления (а) и однореберное типа К2 для крепления двух проводов фазы к подвескам (б)

Таблица 1.96

Двухцепные двухреберные коромысла типа 2КД (см. рис. 1.22, а и б)

Справочник по строительству и реконструкции линий электропередачи напряжением 0,4–750 кВ - i_163.png

Таблица 1.97

Двухцепные двухреберные коромысла типа 2КД2 с двумя точками крепления (см. рис. 1.22, в и г)

Справочник по строительству и реконструкции линий электропередачи напряжением 0,4–750 кВ - i_164.png
Справочник по строительству и реконструкции линий электропередачи напряжением 0,4–750 кВ - i_165.png

Таблица 1.98

Трехцепные двухреберные коромысла типа 3КД2 с двумя точками крепления

11
{"b":"117380","o":1}