Литмир - Электронная Библиотека
Содержание  
A
A

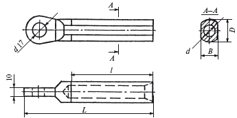
Натяжные зажимы типов НБ и НЗ (рис. 1.32 и табл. 1.121) предназначены для крепления алюминиевых и сталеалюминиевых проводов сечением от 70 до 300 мм2 и выпускаются болтовыми марок НБ-2-6А и НБ-3-6Б и заклинивающимися марки НЗ-2-7. Рабочее положение зажима – болтовым хвостиком в сторону провода шлейфа, а раструбом в сторону пролета. Для алюминиевых и сталеалюминиевых проводов болтовой зажим НБ-3-6Б поставляется с алюминиевой прокладкой, уложенной вдоль желоба корпуса зажима.

Справочник по строительству и реконструкции линий электропередачи напряжением 0,4–750 кВ - i_204.png

Рис. 1.32. Натяжные разъемные зажимы: а – НБ-2-6А; б – НБ-3-6Б; в – НЗ-2-7

Для проводов А 150 – А 300 зажим НБ-3-6Б комплектуется ушком У1-12-16.

Таблица 1.121

Натяжные разъемные зажимы типов НБ и НЗ

Справочник по строительству и реконструкции линий электропередачи напряжением 0,4–750 кВ - i_205.png

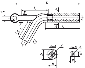
Для натяжения сталеалюминиевых проводов сечением 240 мм2 и больше на линиях электропередачи напряжением 220 кВ и выше применяются натяжные прессуемые зажимы типа НАС, состоящие из алюминиевого корпуса и анкера с проушиной, изготовленные из стали (рис. 1.33 и табл. 1.122). В хвостовике зажима на длине 100 мм опрессовывается провод, уходящий в шлейф. Конструкция зажимов этого типа такова, что при опрессовывании зажима плоскость расположения проушины может быть выбрана любой, в зависимости от условий комплектования изолирующей подвески и направления провода, уходящего в шлейф.

Справочник по строительству и реконструкции линий электропередачи напряжением 0,4–750 кВ - i_206.png

Рис. 1.33. Натяжные прессуемые зажимы типа НАС

Таблица 1.222

Натяжные прессуемые зажимы типа НАС для сталеалюминиевых проводов (см. рис. 1.33)

Справочник по строительству и реконструкции линий электропередачи напряжением 0,4–750 кВ - i_207.png

Для оконцевания и натяжения стальных канатов сечением от 50 до 500 мм2, используемых на линиях электропередачи в качестве грозозащитных тросов, применяются натяжные прессуемые зажимы типа НС (рис. 1.34 и табл. 1.123). Зажим НС изготовляется из стали. Он состоит из трубки с отверстием для каната и стальной дугообразной скобы, приваренной к концу трубки. Для выполнения заземления грозозащитного троса конец его пропускается через трубку корпуса зажима НС и отгибается в нужном направлении. Зажим опрессовывается, а на конце троса опрессованием монтируется заземляющий зажим типа ЗПС (рис. 1.35 и табл. 1.124). Зажим ЗПС с помощью болта через проушину закрепляется за мета ллоконструкции анкерно-угловой опоры.

Справочник по строительству и реконструкции линий электропередачи напряжением 0,4–750 кВ - i_208.png

Рис. 1.34. Натяжные прессуемые зажимы типа НС для стальных канатов

Справочник по строительству и реконструкции линий электропередачи напряжением 0,4–750 кВ - i_209.png

Рис. 1.35. Заземляющий прессуемый зажим типа ЗПС для присоединения к опоре заземляющих концов грозозащитного троса

Таблица 1.123

Натяжные прессуемые зажимы типа НС для стальных канатов (см. рис. 1.34)

Справочник по строительству и реконструкции линий электропередачи напряжением 0,4–750 кВ - i_210.png
Справочник по строительству и реконструкции линий электропередачи напряжением 0,4–750 кВ - i_211.png

Таблица 1.124

Заземляющие прессуемые зажимы типа ЗПС для стальных канатов (см. рис. 1.35)

Справочник по строительству и реконструкции линий электропередачи напряжением 0,4–750 кВ - i_212.png
Справочник по строительству и реконструкции линий электропередачи напряжением 0,4–750 кВ - i_213.png

Натяжные зажимы типа ТРАС используются при осуществлении транспозиции сталеалюминиевых проводов на опоре. По конструкции зажимы типа ТРАС аналогичны зажимам типа НАС и с теми же анкерами, но корпус зажима имеет расточку с другой стороны, так как вывод провода в шлейф осуществляется в сторону пролета.

Для монтажа сталеалюминиевых проводов повышенной прочности используются натяжные прессуемые зажимы типа НАСУС, по конструкции аналогичные зажимам типа НАС.

Натяжные прессуемые зажимы применяются при монтаже стальных канатов по ГОСТ 3062-80*, ГОСТ 3063-80*, ГОСТ 3064-80* сечением от 48 до 298 мм2. Зажимы типа НС изготавливаются из стали и предназначены для крепления грозозащитных тросов, оттяжек опор, а также стальных проводов на специальных переходах. Конструкция этих зажимов проста в производстве, удобна при монтаже и надежна в эксплуатации.

Для анкерного крепления проводов марки АС сечением от 70 до 400 мм2 и тросов марки С к опорам воздушных линий электропередачи применяются натяжные спиральные зажимы типа НС-Dпрр-01 (НС – натяжной спиральный зажим; Dпр – номинальный диаметр провода, мм; две последние цифры (01) – модификация зажима).

В состав зажима входят коуш литой и силовая спираль из проволоки. Силовая спираль представляет собой U-образную прядь спиралей, проклеенную компаундом. Силовая спираль навивается на провод. Прочность заделки провода в натяжном спиральном зажиме составляет не менее 95 % прочности провода. На внутреннюю поверхность пряди наносится абразив.

Натяжные спиральные зажимы надежно сохраняют провода от повреждения за счет распределения сдавливающего усилия по всей длине зажима. Технические характеристики натяжных зажимов НС приведены в табл. 1.125.

Таблица 1.125

Натяжные спиральные зажимы типа НС-Dпр -01*

Справочник по строительству и реконструкции линий электропередачи напряжением 0,4–750 кВ - i_214.png

* Могут использоваться взамен натяжных зажимов типа НБ; НЗ; НС; НАС; НАСУС.

1.6.10. Соединительная арматура

Соединительная арматура предназначена для соединения проводов и канатов воздушных линий электропередачи. К соединительной арматуре относятся: овальные, плашечные, прессуемые, клыковые, петлевые и заземляющие зажимы. По назначению соединительные зажимы подразделяются на две группы:

1) воспринимающие токовую нагрузку и механическое тяжение по проводам;

2) воспринимающие только токовую нагрузку (петлевые, заземляющие).

По способу монтажа зажимы делятся на прессуемые, овальные – монтируемые обжатием; овальные – монтируемые скручиванием; клыковые – используемые в качестве «сжимов», и плашечные – стягиваемые болтами.

Соединения алюминиевых и сталеалюминиевых проводов сечением от 10 до 185 мм2 в пролетах выполняются с помощью соединительных овальных зажимов типа СОАС, монтируемых скручиванием (рис. 1.36 и табл. 1.126). Зажимы изготавливаются из алюминиевых трубок заданной длины, концы которых разбортовываются для обеспечения удобства заведения в трубку концов соединяемых проводов врасплет. Соединительный зажим СОАС-185 для проводов сечением 185 мм2 комплектуется дополнительно вкладышем в виде полосы, имеющей двояковогнутое сечение.

Справочник по строительству и реконструкции линий электропередачи напряжением 0,4–750 кВ - i_215.png

Рис. 1.36. Соединительный овальный зажим типа СОАС для алюминиевых и сталеалюминиевых проводов

Соединение стальных канатов в пролетах выполняется с помощью прессуемых зажимов типа СВС, представляющих собой короткую стальную трубку, внутренний диаметр которой обеспечивает возможность одновременного ввода в нее навстречу друг другу концов соединяемых проводов. При относительно тонкой стенке стальной трубки за счет одновременного опрессования концов соединяемых тросов с проволоками, наложенными врасплет, достигается высокая механическая прочность и надежность соединения.

Надежность соединения достигается за счет применения приспособления МИ-189А для проводов сечением до 35 мм2, для проводов сечением от 50 до 185 мм2 применяется приспособление МИ-230А.

Таблица 1.126

Соединительные овальные зажимы типа СОАС (см. рис. 1.36)

Справочник по строительству и реконструкции линий электропередачи напряжением 0,4–750 кВ - i_216.png

* Комплектуется вкладышем.

14
{"b":"117380","o":1}