Литмир - Электронная Библиотека
Содержание  
A
A

На правом конце промежуточного вала насажена шестерня 11, постоянно сцепленная с зубчатым венцом 7, нарезанным на вторичном валу. Вторичный вал установлен на шариковом подшипнике 8. На правом выступающем с правой стороны коробки передач конце вторичного вала установлена на шлицах ведущая цепная зубчатка 9 главной передачи мотоцикла.

Включение первой передачи достигается передвижением шестерен-кареток 4 и 13 (они передвигаются только вместе) в левую сторону. Шестерня-каретка 4 первичного вала при этом не будет соединена с первичным валом, а шестерня-каретка 13, передвигаясь по шлицам промежуточного вала, кулачками, выполненными с торца левой стороны, войдет в зацепление с шестерней 14 промежуточного вала, т. е. соединит последний с этой шестерней. Шестерня 14 постоянно сцеплена с шестерней 3 первичного вала. Таким образом, скорость вращения промежуточного вала относительно первичного в данном случае будет обусловливаться передаточным числом между шестернями 14 и 3. Так как шестерня (зубчатый венец) 11 промежуточного вала постоянно сцеплена с зубчатым венцом (шестерней) 7 вторичного вала, то скорость вращения последнего относительно промежуточного будет определяться передаточным числом между шестернями 11 и 7.

При передвижении шестерен 4 и 13 вправо обе каретки будут соединены со своими валами и скорость вращения промежуточного вала относительно первичного будет зависеть от передаточного числа между шестернями 4 и 13. Вращение вторичного вала относительно промежуточного будет происходить в данном случае так, как это было описано выше.

Приведенное положение шестерен соответствует второй передаче.

Для включения третьей передачи шестерни 4 и 13 передвигаются еще дальше вправо. При этом шестерня 13 промежуточного вала выходит из соединения с ним, а шестерня 4, передвигаясь по шлицам первичного вала, с помощью кулачков на своей торцовой части сцепляется с кулачками вторичного вала, т. е. обеспечивается непосредственное соединение первичного вала со вторичным (прямая передача).

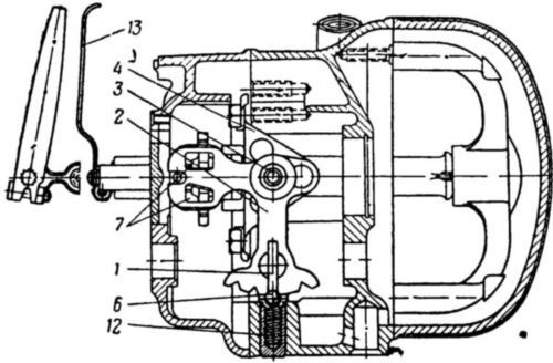
Для передвижения шестерен служит кулачок 1 перевода шестерен (рис. 111), передвигающий обе шестерни одновременно.

Мотоциклы - i_114.jpg
Мотоциклы - i_115.jpg

Рис. 111. Механизм переключения передач мотоциклов M1А: 1 — кулачок перевода; 2 —сектор механизма переключения; 3 —ось; 4 — основание (кронштейн); 5 — пружина; 6 — фиксатор; 7 — отверстия (окна); 8 — вилка переключения; 9 — вал переключения; 10 — педаль; 11 — возвратная пружина; 12 — пружина фиксатора; 13 — стрелка; 14 — валик указателя; 15 — рычаг указателя.

Кулачок перевода шестерен укреплен на секторе 2 механизма переключения, который установлен на оси 3. Между отверстием сектора переключения и осью имеется зазор, обеспечивающий возможность получения между ними свободного хода. Ось 3 укреплена в основании (кронштейне) 4 сектора переключения, привернутого к картеру коробки. Пружиной 5 с двумя шайбами со шплинтом, пропущенным сквозь ось, сектор переключения прижат к основанию. В нижней части сектора переключения имеется пять лунок, в которые может входить шариковый фиксатор 6. Каждому зафиксированному положению сектора соответствует определенное положение шестерен. Верхняя часть сектора выполнена в виде рычага с двумя отверстиями 7, в которые могут по очереди входить зубья вилки переключения 8.

Вилка переключения насажена на шлицы вала переключения 9,на противоположном конце которого закреплена педаль переключения 10. В исходном положении вилка переключения, а следовательно, и валик с педалью удерживаются возвратной пружиной 11. Ход вилки ограничивается с помощью пальца, который перемещается между ограничительными упорами.

С правой стороны коробки передач установлен указатель передач. Он состоит из стрелки 13, которая показывает на одну из цифр, выбитых на картере. Стрелка насажена на валик указателя 14 с помощью рычага 15, постоянно связанного с сектором переключения. При нажиме на педаль один из зубьев вилки входит в соответствующее отверстие в рычаге сектора переключения. Рычаг поворачивает сектор и с помощью кулачка перевода шестерен включает их.

За один нажим на педаль включается только одна передача коробки передач. Первая (низшая) передача включается при перемещении педали вниз, а две другие при движении вверх. После каждого нажима под действием возвратной пружины педаль возвращается в исходное положение.

Устройство пускового механизма коробки передач мотоцикла М1А аналогично устройству пускового механизма коробки передач мотоцикла ИЖ-350.

Масло в коробку передач мотоцикла М1А заливается через отверстие с пробкой на резьбе. На пробке имеется щуп с метками, служащий для определения уровня масла. Сливается масло через специальную пробку, расположенную в нижней части картера, в плоскости валов коробки передач.

Устройство коробки передач мотоцикла К-125 аналогично устройству коробки передач мотоцикла М1А.

Обслуживание коробки передач

Обслуживание коробки передач заключается в своевременном контроле за уровнем масла, пополнении его и периодической замене отработанного масла новым.

Коробка передач мотоциклов М1А никакой регулировки не требует. У мотоциклов ИЖ-350 и ИЖ-49 можно изменять длину тяги ручного механизма переключения. Механизм переключения коробки передач М-72 нуждается в регулировке.

При правильно отрегулированном механизме переключения мотоцикла М-72 должна быть обеспечена синхронность действия педали переключения и сектора переключения. Для этой цели имеются регулировочные винты, о которых говорилось выше. Эти винты должны быть установлены так, чтобы фиксирующие лунки сектора переключения на всех передачах точно доходили до шарика фиксатора.

Отсутствие синхронности в действии педали переключения и сектора переключения можно обнаружить следующим образом.

При переходе с низшей передачи на высшую, т. е. при подъеме передней части педали переключения вверх до отказа, сектор переключения перемещается недостаточно и фиксирующая лунка не доходит до шарика фиксатора. Это легко обнаружить, положив руку на рычаг ручного переключения. Когда педаль поднята до отказа, ручной рычаг легко перемещается несколько вперед и только после этого четко фиксируется положение нужной передачи. В данном случае надо вывернуть нижний регулировочный винт кривошипа собачек (предварительно отпустив контргайку).

При переходе с низшей передачи на высшую сектор переключения излишне перемещается и фиксирующая лунка сектора переключения проходит шарик фиксатора. В этом случае надо ввернуть нижний регулировочный винт кривошипа собачек.

При переходе с высшей передачи на низшую, т. е. при опускании передней педали переключения вниз до отказа, сектор переключения перемещается недостаточно и фиксирующая лунка сектора не доходит до шарика фиксатора. В этом случае необходимо, отпустив контргайку, вывернуть верхний регулировочный винт кривошипа собачек.

Регулировка механизма переключения коробки передач мотоцикла М-72 показана на рис. 112.

Мотоциклы - i_116.jpg

Рис. 112. Регулировка механизма переключения коробки передач мотоцикла М-72.

Неисправности коробки передач, меры их предупреждения и устранение

Надежная работа коробки передач в основном зависит от четкой работы механизма сцепления. В случае нечеткого выключения дисков сцепления, т. е. когда сцепление «тянет», при переключении передач происходят резкие удары деталей механизма включения, поэтому повышается износ кулачков и даже происходит их выкрашивание. Подобная же картина наблюдается при переключении передач без выключения сцепления. Водитель должен помнить, что при переключении передач выключать механизм сцепления следует обязательно — игнорирование этого правила может привести к самым тяжелым последствиям.

48
{"b":"608151","o":1}