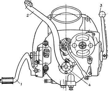
Рис. 103. Коробка передач мотоцикла М-72 (вид сзади): 1 — педаль переключения; 2 — рычаг пускового механизма.
Первичный вал коробки передач 21 получает вращение через механизм сцепления, расположенный в маховике. Этот вал установлен на двух подшипниках, из которых передний (по ходу движения) — шариковый 18, а задний — роликовый цилиндрический 10. Вторичный вал 40 установлен на двух шариковых подшипниках 5 и 22. Вместе с первичным валом выполнены шестерни первой 11, второй 13 и третьей 14 передач, Шестерня 17 четвертой передачи закреплена на первичном валу с помощью шпонки.
Все шестерни первичного вала находятся в постоянном зацеплении с шестернями 36, 33, 31 и 28 вторичного вала. Эти шестерни свободно вращаются на бронзовых втулках 37, 38 и 24, напрессованных на вторичный вал.
Шестерни 17 и 28, составляющие четвертую ступень, для плавности зацепления и бесшумности работы снабжены косыми спиральными зубьями. У остальных шестерен зубья прямые.
Шестерни и валы коробки передач выполняются из легированной стали и для повышения прочности и износоустойчивости подвергаются термической обработке.
Включение соответствующих передач коробки передач осуществляется двумя кулачковыми муфтами, расположенными между шестернями на вторичном валу. Муфта 15 включения первой и второй передач насажена на шлицевую втулку 12, связанную с вторичным валом двумя шпонками. На муфте имеются торцовые кулачки, которые входят в отверстия шестерен. Муфта включения третьей и четвертой передач 26 насажена непосредственно на шлицы вторичного вала и имеет сквозные отверстия, которыми может зацепляться с торцовыми кулачками соответствующих шестерен.
При нейтральном положении муфт переключения усилие на вторичный вал не передается. При нейтральном положении муфты 26 и перемещении муфты 15 к шестерне 36 кулачки муфты войдут в зацепление с шестерней 36 и вращение от первичного вала к вторичному будет передаваться через шестерни 11 и 36 и муфту 15, т. е. при этом положении будет включена первая (низшая) передача. При перемещении муфты 15 в обратном направлении, т. е. к шестерне 33, включается вторая передача; при этом вращение от первичного вала к вторичному будет передаваться через шестерни 13 и 33 и кулачковую муфту 15.
При нейтральном положении муфты 15 и перемещении муфты 26 к шестерне 31 в отверстия муфты войдут кулачки шестерни 31 и вращение первичного вала вторичному будет передаваться через шестерни 14 и 31 и муфту 26, т. е. при этом будет включена третья передача.
Переключение на четвертую передачу произойдет при перемещении муфты 26 к шестерне 28. На четвертой передаче вращение первичного вала вторичному будет передаваться через шестерни 17, 28 и муфту 26.
Во всех случаях передача вращения от вторичного вала коробки передач к ведущему (заднему) колесу мотоцикла осуществляется через упругую муфту кардана, диск 39 которой насажен на конусный хвостовик вторичного вала и закреплен гайкой 41. В последнее время такое соединение заменено шлицевым (рис. 104) с целью увеличения надежности.


Рис. 104. Коробка передач мотоцикла М-72 (разрез): 42 — шестерня привода гибкого вала спидометра; 43 — коленчатый вал двигателя; 44 — задняя крышка вала пускового механизма; 45 — пробка картера; 46 — фиксатор; 47 — валик вилок переключения; 48 — валик переключения; 49 и 50 — собачки механизма переключения; 51 — шайба выключателя собачек переключения; 52 — храповик; 53 — кривошип собачек; 54 — возвратная пружина; 55 — поводок переключения; 56 — ось собачки пускового механизма; 57 — собачка пускового механизма; 58 — утопитель пусковой собачки; 59 — толкатель и пружина пусковой собачки; 60 — упорный палец буфера пускового механизма; 61 — пружина буфера пускового механизма; 62 — пробка буфера пускового механизма.
Диск 39, связанный непосредственно с упругим элементом муфты кардана, служит для привода спидометра. На ступице этого диска выполнена канавка, служащая для привода червячной шестерни 42 (рис. 104), соединенной с гибким валом привода спидометра.
Включение и выключение соответствующих передач, т. е. перемещение той или иной муфты переключения, выполняется с помощью механизма переключения. Устроен этот механизм следующим образом. Вилки переключения 30 и 32 (рис. 102), входящие в кольцевые пазы муфт переключения, могут перемещать муфты вдоль оси вторичного вала. Вилки насажены на общем направляющем валике 47, заключенном в картере коробки передач. Обе вилки имеют пальцы, входящие в фигурные вырезы сектора переключения. При повороте сектора пальцы скользят внутри вырезов, что вызывает осевые перемещения вилок, а следовательно, и связанных с ними муфт переключения.
Каждое из пяти положений сектора, соответствующее определенному положению муфт переключения, фиксируется при помощи шарикового фиксатора 46, входящего в лунки на торце сектора переключения. Четыре положения сектора фиксируют включение четырех передач, а пятое положение является нейтральным между первой и второй передачами. Нейтральные положения между остальными передачами не фиксируются.
Сектор переключения поворачивается как при помощи педали У, расположенной с левой стороны коробки передач, так и с помощью рычага 3 (рис. 104), установленного с другой стороны коробки. Крайнее заднее положение рычага переключения соответствует первой передаче. По мере передвижения вперед рычаг занимает нейтральное положение между первой и второй передачами, далее включается вторая, третья и четвертая передачи.
При включении каждой передачи можно слышать характерный щелчок фиксатора, шарик которого входит в соответствующие лунки сектора переключения. Однако практически пользование рычагом ручного переключения передач весьма затруднительно, поэтому основное назначение этого рычага — установка нейтрального положения. Для установки рычага в нейтральное положение следует сначала довести его до отказа назад и затем передвинуть на одно положение вперед. Поворот сектора переключения, а значит, и включение той или иной передачи производится с помощью педали переключения. На новых машинах эта педаль двухплечевая, на старых с одним плечом.
Ось педали установлена во втулке, запрессованной в крышке картера коробки передач. Педаль имеет ушко с пальцем, входящим в паз поводка 55, связанного с валиком сектора переключения посредством специального механизма переключения — селектора. Педаль переключения посредством поводка 55 (рис. 104) соединяется с кривошипом 55, на котором насажены две собачки 49 и 50. Пружина, расположенная между ними, стремится свести концы собачек вместе. Собачки могут входить в зубья храповика 52, сидящего на валике переключения 48. При повороте кривошипа в ту или иную сторону одна из собачек, войдя между соответствующими зубьями храповика, насаженного на квадратный конец валика сектора переключения, повернет его, а следовательно, и включит ту или иную передачу.
Возвратная пружина 54 двухстороннего действия, после того как включение произведено, возвратит кривошип в исходное положение, а вместе с ним и педаль переключения. Чтобы при возвращении кривошипа в исходное положение вторая собачка не вызвала обратного хода храповика и обратного переключения, к картеру привернута специальная шайба 51. Эта шайба приподнимает неработающую собачку при повороте кривошипа. Таким образом, обеспечивается нормальная работа механизма при поворотах в обе стороны. Регулировочные винты с контргайками ограничивают угловое перемещение кривошипа и служат для регулировки механизма переключения.