Литмир - Электронная Библиотека
Содержание  
A
A

Основным достоинством электронных счетчиков является дифференцированный тариф учета электроэнергии (одно-, двух– и более тарифный), который обеспечивается с помощью внешнего устройства переключения тарифов (например, УПТ 12-100 в электросчетчике типа СЭТ4-2). Нагрузочная способность такого устройства переключения тарифов составляет от 1 до 30 счетчиков.

Многотарифный счетчик представляет собой счетчик электрической энергии, снабженный набором счетных механизмов, каждый из которых работает в установленные интервалы времени, соответствующие различным тарифам.

Электронный счетчик может использоваться в качестве датчика приращения потребления электроэнергии для дистанционных информационно-измерительных систем и систем учета и распределения электроэнергии.

В соответствии с ГОСТ 30207-94 счетчики электронного типа имеют стандартизированное название – статический счетчик, т. е. счетчик, в котором ток и напряжение воздействуют на твердотельные (электронные) элементы для создания на выходе импульсов, число которых пропорционально измеряемой активной энергии. В настоящем стандарте указаны электронные счетчики в соответствии с их обозначением классов точности, т. е. 1 и 2.

Постоянной статического (электронного) счетчика называется значение, выражающее соотношение между энергией, учитываемой счетчиком, и числом импульсов на испытательном стенде.

Постоянная счетчика выражается либо в импульсах на киловатт-час [имп/(кВт-ч)], либо в ватт-часах на импульс [(Вт-ч)/имп].

В табл. 7 и 8 приведены стандартные (по ГОСТ 30207-94) значения номинальных напряжений и токов, т. е. тех величин, которые являются исходными при установлении требований к счетчикам.

Таблица 7

Стандартные значения номинальных напряжений

Управление электрохозяйством предприятий - i_087.png

Таблица 8

Стандартные значения номинальных токов

Управление электрохозяйством предприятий - i_088.png

Максимальный ток для счетчиков непосредственного включения, т. е. наибольшее значение тока, при котором счетчик удовлетворяет требованиям точности, установленным в ГОСТ 30207-94, это предпочтительно целое, кратное номинальному току (например, 4-кратному номинальному току).

Если счетчик работает от трансформатора(ов) тока, необходимо подобрать диапазон тока счетчика в соответствии с диапазоном тока вторичной обмотки трансформатора(ов) тока. Максимальный ток в этом случае равен 1,2Iном ; 1,5Iном или 2Iном .

Зажимы счетчика должны обеспечивать подключение до двух медных или алюминиевых проводов с суммарным сечением до 5 мм. Все зажимы, предназначенные для подключения к измерительным трансформаторам напряжения, должны быть раздельными и иметь отверстия диаметром не менее 4,2 мм.

Зажимы трехфазных счетчиков, предназначенных для включения с трансформаторами тока, должны обеспечивать раздельное включение цепей напряжения и тока; диаметр отверстий зажимов для этих цепей должен быть не менее 3,5 мм.

Средний срок службы до первого капитального ремонта и средняя наработка до отказа у статических счетчиков примерно такие же, что и у индукционных счетчиков. Например, для электронного счетчика непосредственного включения типа СЭТ4-1 (5-60)А эти значения соответственно составляют 24 года и 55 000 ч.

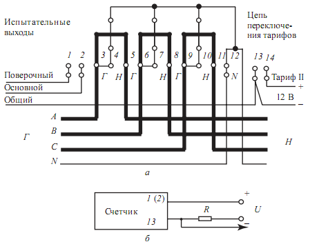
На рис. 8, а в качестве примера приведена схема непосредственного подключения счетчика типа СЭТ к четырехпроходной трехфазной сети.

В однотарифных счетчиках типа СЭТ4-1 цепь управления состоянием счетных механизмов (цепь переключения тарифов) не используется и зажим 14 на схеме рис. 8, а не устанавливается.

Выходные каскады основного и поверочного выходов счетчика реализованы на транзисторах с «открытыми» коллекторами.

К выходным устройствам электронных счетчиков относятся:

испытательный выход – устройство, которое может быть использовано для испытания счетчика;

индикатор функционирования – устройство, выдающее визуально наблюдаемый сигнал функционирования счетчика;

запоминающее устройство – элемент, предназначенный для хранения цифровой информации;

энергонезависимое запоминающее устройство – запоминающее устройство, которое может сохранять информацию при отключении источника питания.

Для обеспечения функционирования выходных каскадов необходимо подать напряжение по схеме рис. 8, б на зажимы 2 и 13

Управление электрохозяйством предприятий - i_089.png

Рис. 8. Схема непосредственного подключения счетчика типа СЭТ к четырех-проводной трехфазной сети: а – схема подключения; б – схема подключения устройства переключения тарифов

к счетчику

основного выхода (передающего устройства) и зажимы 1 и 13 поверочного выхода.

В отличие от индукционных электронные счетчики имеют на щитке световую индикацию, а именно:

индикатор СЕТЬ, сигнализирующий о включении счетчика в сеть (при подаче в цепи напряжения счетчика фазных напряжений 220 В индикатор СЕТЬ должен постоянно светиться);

индикаторы А и В, сигнализирующие о включении нагрузки, которые должны мигать с частотой, пропорциональной мощности потребителя в нагрузках (при отсутствии тока нагрузки индикаторы А и В находятся в произвольном состоянии, т. е. могут светиться или не светиться);

индикатор ТАРИФ II (тариф ночного времени) у двухтарифного счетчика, сигнализирующий о наличии на зажимах 13 и 14 счетчика сигнала управления, который должен осуществлять перевод счетного механизма второго тарифа (ТАРИФ II) в «активное» состояние, а счетного механизма первого тарифа – в «пассивное» состояние.

Расход электроэнергии учитывается непосредственно в киловатт-часах по шести цифрам барабанчиков, расположенных в окне щитка.

В табл. 9 приведены технические характеристики трехфазных электронных счетчиков, серийно выпускаемых ОАО «Мытищинский электротехнический завод» (№ 1-8) и ABB ВЭИ Метроника, г. Москва (№ 9-12).

В прил. 7 приведена маркировка щитков электронных счетчиков (по ГОСТ 30207-94).

Таблица 9

Счетчики трехфазные электронные

Управление электрохозяйством предприятий - i_090.png
Управление электрохозяйством предприятий - i_091.png

На предприятиях (в организациях) часто возникает необходимость определения присоединенной мощности (нагрузки) в разные периоды суток, как правило, в часы максимума или минимума нагрузок энергосистемы. К сожалению, в этих случаях иногда электротехнический персонал предприятий (организаций) испытывает определенные трудности, вплоть до того, что использует для этой цели электроизмерительные клещи с последующим расчетом мощности, несмотря на то что в договоре энергоснабжения отмечено, что для этой цели необходимо использовать счетчик активной энергии.

Измерение нагрузки можно осуществить при помощи счетчика активной энергии и секундомера следующим образом.

В момент появления на диске счетчика фиксированной черты следует включить секундомер и после некоторого числа n полных оборотов диска счетчика секундомер надо остановить. Затем в зависимости от значений постоянной счетчика С и его передаточного числа А производят подсчет мощности по формулам, указанным в табл. 10.

Таблица 10

Формулы для подсчета мощности по счетчику c помощью секундомера

Управление электрохозяйством предприятий - i_092.png

Примечание. В таблице t – время, показанное секундомером, с.

Пример. На предприятии на двух фидерах установлены расчетные приборы учета, питающиеся от трансформаторов:

1– й фидер. Трансформатор мощностью 630 кВ-А с измерительными ТТ 100/5 А и ТН 10 000/100 В. Установлен трансформаторный счетчик, отградуированный на ТТ 75/5 А и ТН 6000/100 В, на щитке которого обозначено 1 кВт-ч = 25 оборотов диска.

2– й фидер. Трансформатор мощностью 400 кВ-А с измерительными ТТ 50/5 А и ТН 6000/100 В. Установлен универсальный счетчик, на щитке которого написано 3x5 А 6000/100 В, 1 оборот диска = = 10 Вт-ч.

30
{"b":"111840","o":1}