Литмир - Электронная Библиотека
Содержание  
A
A

  Преобразователи частоты. К ним можно отнести некоторые типы квантовых генераторов радиодиапазона (мазеров) и оптического диапазона (лазеров), в которых создание возбуждённых состояний происходит за счёт поглощения электромагнитного излучения (накачки) с частотой, существенно превышающей частоту генерируемых колебаний. Эти генераторы можно рассматривать как вторичные, преобразующие энергию колебаний накачки в колебания определённой частоты, определяемой режимом и свойствами активного вещества. Так, в радиочастотном парамагнитном мазере накачка на частоте в 10 Ггц позволяет генерировать колебания с частотой до 5 Ггц со стабильностью частоты, определяемой лишь стабильностью температуры и магнитного поля (см. Квантовый усилитель).

  В твердотельных лазерах на рубине или неодимовом стекле поглощение широкого спектра колебаний в области зелёной и синей части спектра приводит к генерации узкой спектральной линии с длиной волны l= 6943

Большая Советская Энциклопедия (ГЕ) - i-images-122697832.png
 (для рубинового лазера) и l= 10582
Большая Советская Энциклопедия (ГЕ) - i-images-151260917.png
 (для лазера с неодимовым стеклом).

  Преобразователями частоты являются также параметрические генераторы. Параметрические генераторы радиодиапазона представляют собой резонансную колебательную систему — контур или объёмный резонатор, в котором один из энергоёмких (реактивных) параметров L или С зависит от приложенного напряжения или протекающего тока. При периодическом изменении одной из величин С или L с помощью внешних колебаний (накачки) частоты lн в контуре могут возбуждаться и поддерживаться колебания частоты l = 1/2lн. Наиболее широко распространены маломощные параметрические генераторы с переменной ёмкостью, созданной запертым полупроводниковым диодом специальной конструкции (параметрическим диодом). Применение многоконтурных схем позволяет генерировать колебания с частотой, не связанной жёстким соотношением с частотой накачки, и тем самым осуществлять преобразование энергии исходных колебаний одной частоты в энергию колебаний требуемой частоты (см. Параметрическое возбуждение и усиление электрических колебаний).

  Аналогичный принцип используется для возбуждения колебаний оптического диапазона. Однако в этом случае параметрические явления носят волновой характер и осуществляются не в колебательном контуре, а в анизотропном кристалле (см. Параметрические генераторы света).

Лит.: Бонч-Бруевич М. А., Основы радиотехники, М., 1936; Харкевич А. А., Автоколебания, М., 1954; Теодорчик К. Ф., Автоколебательные системы, М., 1952: Горелик Г. С., Колебания и волны, 2 изд., М., 1959.

  В. В. Мигулин.

Большая Советская Энциклопедия (ГЕ) - i009-001-208070679.jpg

Рис. 2. Генераторы с ёмкостной (а) и автотрансформаторной (б) обратной связью.

Большая Советская Энциклопедия (ГЕ) - i009-001-212111009.jpg

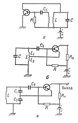
Рис. 4. Транзисторные генераторы на плоскостных триодах с индуктивной (а), автотрансформаторной (б) и ёмкостной (в) обратной связью.

Большая Советская Энциклопедия (ГЕ) - i009-001-213771142.jpg

Рис. 6. а — зависимость тока экранной сетки пентода от напряжения на его антидинатронной сетке; б — схема транзитронного генератора.

Большая Советская Энциклопедия (ГЕ) - i009-001-222461557.jpg

Рис. 14. RC-генератор синусоидальных колебаний; Т — термистор; r — сопротивление нагрузки.

Большая Советская Энциклопедия (ГЕ) - i009-001-231302003.jpg

Рис. 10. Клистронные генераторы: а — отражательный клистрон; б — двухрезонаторный пролётный клистрон; С — сетки резонатора; А — анод; К — катод.

Большая Советская Энциклопедия (ГЕ) - i009-001-232746466.jpg

Рис. 12. а — тиратронный генератор; б — вольтамперная характеристика тиратрона.

Большая Советская Энциклопедия (ГЕ) - i009-001-234208051.jpg

Рис. 5. Вольтамперная характеристика с падающим участком.

Большая Советская Энциклопедия (ГЕ) - i009-001-236222713.jpg

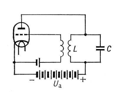
Рис. 3. Схема лампового генератора с автоматическим смещением сетки.

Большая Советская Энциклопедия (ГЕ) - i010-001-251070225.jpg

Рис. 8. а — генератор с туннельным диодом (ТД); б — вольтамперная характеристика туннельного диода.

Большая Советская Энциклопедия (ГЕ) - i010-001-259584518.jpg

Рис. 11. Пилообразное напряжение.

Большая Советская Энциклопедия (ГЕ) - i010-001-273651899.jpg

Рис. 9. Магнетронный генератор: А — анод; К — катод; П — петля связи.

Большая Советская Энциклопедия (ГЕ) - i010-001-278367923.jpg

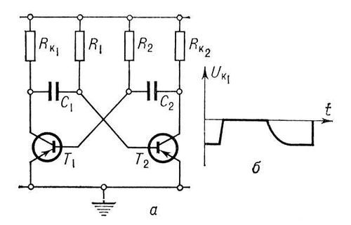
Рис. 13. Мультивибратор на транзисторах Т1 и Т2: а — схема, б — форма колебаний.

Большая Советская Энциклопедия (ГЕ) - i010-001-287211185.jpg

Рис. 7. а — вольтамперная характеристика электрической дуги; б — дуговой генератор.

Большая Советская Энциклопедия (ГЕ) - i010-001-287571669.jpg

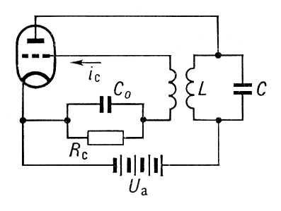
Рис. 1. Простейший ламповый генератор почти гармонических колебаний: LC — колебательный контур (С — ёмкость, L — индуктивность); Ua — анодное напряжение.

Генетика

Гене'тика (от греч. génesis — происхождение) — наука о законах наследственности и изменчивости организмов. Важнейшая задача Г. — разработка методов управления наследственностью и наследственной изменчивостью для получения нужных человеку форм организмов или в целях управления их индивидуальным развитием.

  Основные этапы и направления развития, предмет и методы генетики

  Основополагающие законы Г. были вскрыты чешским естествоиспытателем Г. Менделем при скрещивании различных рас гороха (1865). Однако принципиальные результаты его опытов были поняты и оценены наукой лишь в 1900, когда голл. учёный Х. де Фриз, нем. — К. Корренс и австр. — Э. Чермак вторично открыли законы наследования признаков, установленные Менделем. С этого времени началось бурное развитие Г., утвердившей принцип дискретности в явлениях наследования и организации генетического материала и сосредоточившей главное внимание на изучении закономерностей наследования потомками признаков и свойств родительских особей. В развитии этого направления Г. решающую роль сыграл метод гибридологического анализа, сущность которого состоит в точной статистической характеристике распределения отдельных признаков в популяции потомков, полученных от скрещивания особей, специально подобранных в соответствии с их наследственными качествами. Уже в первое десятилетие развития Г. на основе объединения данных гибридологический анализа и цитологии — изучения поведения хромосом в процессах клеточного деления (см. Митоз), созревания половых клеток (см. Мейоз) и оплодотворения — возникла цитогенетика, связавшая закономерности наследования признаков с поведением хромосом в процессе мейоза и обосновавшая хромосомную теорию наследственности и теорию гена как материальной единицы наследственности. Хромосомная теория объяснила явления расщепления, независимого наследования признаков в потомстве и послужила основой для понимания многих фундаментальных биологических явлений. Под термином «ген», введённым в 1909 датским учёным В. Иогансеном, стали понимать наследственный задаток признака. Решающий вклад в обоснование хромосомной теории наследственности был внесён работами американского генетика Т. Х. Моргана (1911) и его многочисленных сотрудников и учеников, среди которых прежде всего следует назвать К. Бриджеса, Г. Мёллера и А. Стёртеванта. Крупной вехой в развитии Г. стало открытие мутагенного (т. е. изменяющего наследственность) действия ренгеновых лучей (советские учёные Г. А. Надсон и Г. С. Филиппов, 1925; американский — Г. Мёллер, 1927). Доказав резкое увеличение изменчивости генов под влиянием внешних факторов, это открытие породило радиационную генетику. Работы по радиационному и химическому мутагенезу (советские генетики М. Н. Мейсель, 1928; В. В. Сахаров, 1933; М. Е. Лобашёв, 1934; С. М. Гершензон, 1939; И. А. Рапопорт, 1943; англ. — Ш. Ауэрбах, 1944) способствовали изучению тонкой структуры гена; велико и их практическое значение для получения новых наследственно измененных форм растений и микроорганизмов. Важное место в развитии теории гена заняли работы советских генетиков. А. С. Серебровским была поставлена проблема сложного строения гена. В дальнейшем (1929—31) им и его сотрудниками, особенно Н. П. Дубининым, была экспериментально доказана делимость гена и разработана теория его строения из субъединиц.

65
{"b":"105985","o":1}