Литмир - Электронная Библиотека
Содержание  
A
A

— Меня давно интересовало это дело, но вроде бы не было оказии научиться. Вышла на пенсию — появилось время! По специальности я медик, поэтому тема для меня в принципе знакомая. Любая женщина, как мне кажется, хочет быть красивой, и если у нас есть возможность помочь — нужно это делать. Кстати, тут мы делаем красивыми и друг друга, а заодно становимся красивыми сами. Сама иногда не замечаешь: вот делаешь друг другу массаж, учишься и в итоге сама хорошеешь, — делится впечатлениями Мадина Владимировна.

Так что если увидим в салоне специалиста элегантного возраста — бегом к нему: ничего плохого не будет!

Дарья Тюкова

https://www.mk.ru/social/heaith/2019/07/28/zhenshhiny-za-50-uchat-rovesnic-byt-krasivymi-osvoUi-professiyu-kosmetologa.html

ИНСТРУМЕНТ СПЕЦИАЛИСТА

Самодельный деревообрабатывающий станок

Данный станок позволяет выполнять пиление, долбление, сверление, шлифование.

Конструкция такого станка понятна из рис. 1–3.

Резьба по дереву лобзиком... Ремонт ванной: вопросы и ответы... (Сделай сам" №3∙2019) - _00.jpg_0

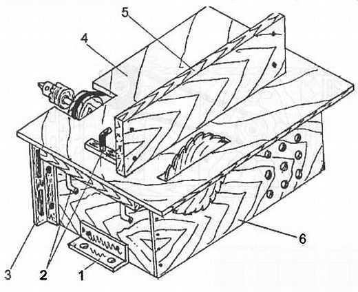
Рис. 1. Общий вид станка:

1 — уголок для крепления станка к столу; 2 — винты-барашки; 3 — уголок для крепления столика для долбления; 4 — рабочий стол; 5 — направляющая; 6 — лист фанеры

Резьба по дереву лобзиком... Ремонт ванной: вопросы и ответы... (Сделай сам" №3∙2019) - _02.jpg_0

Рис. 2. Вид станка сверху (без рабочего стола):

1 — уголок для крепления столика для долбления; 2 — рояльная петля; 3 — панель управления; 4 — электродвигатель; 5 — фанера (дно ящика для инструмента); 6 — вал; 7 — приспособление для подъема стола; 8 — приводной ремень

Резьба по дереву лобзиком... Ремонт ванной: вопросы и ответы... (Сделай сам" №3∙2019) - _03.jpg_0

Рис. 3. Вид станка сбоку (без столика для долбления):

1 — уголки для крепления столика для долбления; 2 — панель управления; 3 — петля рояльная; 4 — приспособление для подъема рабочего стола; 5 — опора для вала; 6 — опора для двигателя подшипника 17 мм, мне пришлось вбить

Самая важная и необходимая деталь в этом станке — это вал (рис. 4).

Резьба по дереву лобзиком... Ремонт ванной: вопросы и ответы... (Сделай сам" №3∙2019) - _04.jpg

Рис. 4. Точеный вал (общая длина 400 мм):

а — вал; б — шайбы для крепления пильного диска

Его придется заказать токарю по металлу. Вал вращается в подшипниках № 203, но можно применить и другие, хотя тогда изменятся размеры вала. Вообще, у меня в течение нескольких месяцев функцию вала вполне уверенно выполнял обычный стяжной болт со спиленной головкой (такие болты применяют в строительстве). Так как его диаметр 16 мм, а внутренний диаметр подшипника 17 мм, мне пришлось вбить между подшипником и болтом пластины из стали (рис. 5).

Резьба по дереву лобзиком... Ремонт ванной: вопросы и ответы... (Сделай сам" №3∙2019) - _05.jpg_0

Рис. 5. Болт-вал пришлось центрировать с помощью пластинок:

1 — пластинки; 2 — вал

Шайбы (рис. 6) для крепления диска пилы я изготовил из древесины между подшипником и болтом пластины из березы на токарном станке (торцы шайб тщательно пропитал клеем ПВА).

Резьба по дереву лобзиком... Ремонт ванной: вопросы и ответы... (Сделай сам" №3∙2019) - _06.jpg

Рис. 6. Шайбы из древесины (для крепления диска пилы на валу из болта)

Но данный самодельный вал из болта имеет существенный недостаток — он «бьет» при вращении. Потому-то и пришлось заказать вал токарю. На одном конце вала крепят диск пилы (его зажимают между шайбами двумя гайками), на другом его конце — патрон от электродрели, который просто навинчен на вал. Около патрона вал обточил с двух сторон, сделав лыски, чтобы вал можно было держать гаечным ключом (см. рис. 4), что требуется, например, при затягивании гаек, крепящих диск пилы. Шкив лучше сделать из металла, но его вполне заменит и шкив из дерева. Такой шкив вытачивают на токарном станке из твердой древесины березы, дуба, бука (отличные шкивы получаются из текстолита). Диаметры шкивов на валу и на двигателе зависят от мощности двигателя и частоты вращения его вала. Например, если у двигателя низкая мощность и высокая частота вращения вала, то диаметр шкива вала делают больше диаметра шкива двигателя. Крепить шкив на валу лучше с помощью штифта.

Для основания станины деревообрабатывающего станка подбирают лист фанеры, ДСП или текстолита толщиной 15 мм и размерами 500x230 мм (понятно, что размеры основания зависят от конструкции мотора и длины приводного ремня). Конструкция опоры, с помощью которой вал крепят к станине, приведена на рис. 7. Хочу обратить ваше внимание, что высота правой стойки опоры составляет 20 см, что на 2…3 см больше высоты левой стойки вместе с верхней частью опоры (см. рис. 7).

Резьба по дереву лобзиком... Ремонт ванной: вопросы и ответы... (Сделай сам" №3∙2019) - _07.jpg

Рис. 7. Опора для вала:

1 — основание станка; 2 — левая стойка; 3 — верхняя часть опоры; 4 — гнездо для подшипника; 5 — правая стойка (торцевая доска)

Это необходимо, чтобы максимально эффективно использовать мощность двигателя, то есть достичь максимального выступа диска пилы над рабочим столом, что, в свою очередь, обеспечивает высокую точность распиловки. В верхней части опоры выдалбливают углубления под подшипники. Последние на опоре крепят с помощью хомутов из обручного железа (полоса шириной 20 мм и толщиной 2 мм), при этом каждый хомут притягивают к верхней части опоры (доске) двумя болтами (см. рис. 2). Обе стойки (они тоже из досок) крепят к основанию станины с помощью гвоздей или шурупов (можно применить также уголки).

В качестве привода я использовал асинхронный двигатель (трехфазный) мощностью 370 Вт, подключенный в однофазную сеть, частота вращения вала двигателя — 2750 об/мин. С помощью такого двигателя удается распиливать материал толщиной до 60 мм. Конструкция опоры для крепления двигателя на станине приведена на рис. 8. Конечно, если двигатель другого типа, например, с лапками для крепления, конструкцию опоры придется немного видоизменить. В качестве приводного ремня я использовал самый маленький клиновой ремень от «девятки» (длина его около 73 см). Для обеспечения жесткости конструкции станины со стороны крепления диска пилы следует прибить лист фанеры (см. рис. 1).

Для рабочего стола подбирают лист фанеры или текстолита толщиной 10–15 мм. Его крепят к станине шарнирно — с помощью петли, например, рояльной (см. рис. 2). В столе пропиливают прямоугольное отверстие для выступающего шкива, а также выдалбливают углубления в местах примыкания к столу подшипников вала (точнее хомутов, крепящих подшипники). Еще раз повторю, что стол располагают как можно ниже, чтобы предусмотреть минимальное расстояние между осью вала и поверхностью рабочего стола, то есть обеспечить максимальный выступ пильного диска.

Для регулировки стола по высоте, что позволяет устанавливать нужный размер выступа пильного диска, предусмотрено несложное приспособление, показанное на рис. 8.

6
{"b":"817661","o":1}