Литмир - Электронная Библиотека
Содержание  
A
A

Последовательный стабилизатор с обратной связью имеет еще один недостаток — значительное количество компонентов. Эта проблема может быть решена путем использования стабилизатора на интегральной микросхеме.

Современные стабилизаторы на интегральных микросхемах дешевы и просты в применении. Большинство стабилизаторов на интегральных микросхемах имеют только три вывода (вход, выход и земля) и могут быть подсоединены непосредственно к выходу фильтра выпрямителя (рис. 27–26).

Введение в электронику - _56.jpg_1

Рис. 27–26. Микросхема стабилизатора с тремя выводами.

Стабилизаторы на интегральных микросхемах обеспечивают широкий диапазон выходных напряжений как положительной, так и отрицательной полярности. Если стабилизатора с нужным напряжением нет среди стандартных микросхем, то существуют микросхемы стабилизаторов с регулируемым напряжением.

При выборе микросхемы стабилизатора необходимо знать напряжение и ток нагрузки, а также электрические характеристики нестабилизированного блока питания. Микросхемы стабилизаторов классифицируются по их выходному напряжению. Микросхемы стабилизаторов с фиксированным выходным напряжением имеют три вывода и обеспечивают только одно выходное напряжение. Существуют микросхемы стабилизаторов напряжения как положительной, так и отрицательной полярности. Двухполярные стабилизаторы напряжения обеспечивают и положительное и отрицательное напряжения. Микросхемы стабилизаторов с регулируемым напряжением существуют как в однополярном, так и в двухполярном вариантах. При использовании любых микросхем стабилизаторов напряжения обращайтесь к данным, предоставляемым производителем.

27-4. Вопросы

1. Каково назначение стабилизатора напряжения в блоке питания?

2. Каковы два основных типа стабилизаторов напряжения?

3. Стабилизаторы напряжения какого типа используются чаще?

4. Нарисуйте схему простого стабилизатора напряжения на стабилитроне и объясните, как она работает.

5. Нарисуйте блок-схему последовательного стабилизатора с обратной связью и объясните, как он работает.

27-5. УМНОЖИТЕЛИ НАПРЯЖЕНИЯ

Во всех случаях напряжение постоянного тока ограничено амплитудным значением входного синусоидального напряжения. Когда требуются более высокие постоянные напряжения, используется повышающий трансформатор. Однако более высокие постоянные напряжения могут быть получены и без повышающего трансформатора. Цепи, которые способны создавать высокие постоянные напряжения без помощи трансформатора, называются умножителями напряжения. Умножителями напряжения являются удвоитель напряжения и утроитель напряжения.

На рис. 27–27 изображен однополупериодный удвоитель напряжения. Он создает выходное постоянное напряжение, которое в два раза больше максимального значения входного сигнала.

Введение в электронику - _57.jpg_1

Рис. 27–27. Однополупериодный удвоитель напряжения.

На рис. 27–28 изображена работа этой цепи в течение отрицательного полупериода входного сигнала. Диод D1 проводит, и ток течет по указанному пути. Конденсатор C1 заряжается до максимального напряжения входного сигнала. Поскольку путь разряда отсутствует, то конденсатор С1 остается заряженным.

Введение в электронику - _58.jpg_1

Рис. 27–28. Однополупериодный удвоитель напряжения в течение отрицательного полупериода входного сигнала.

На рис. 27–29 изображен положительный полупериод входного сигнала. В этот момент конденсатор C1 заряжен до отрицательного максимального значения. Это запирает диод D1 и открывает диод D2, что позволяет диоду D2 проводить, заряжая конденсатор С2. Поскольку конденсатор С1, заряжен до максимального отрицательного значения, конденсатор С2 заряжается до удвоенного максимального значения входного сигнала.

Введение в электронику - _59.jpg_0

Рис. 27–29. Однополупериодный удвоитель напряжения в течение положительного полупериода входного сигнала.

Как только синусоида меняет знак с положительного на отрицательный, диод D2 отсекается. Это обусловлено тем, что конденсатор С2 удерживает диод D2 смещенным в обратном направлении. Конденсатор С2 разряжается через нагрузку, удерживая напряжение на нагрузке постоянным. Следовательно, он работает также и в качестве фильтрующего конденсатора.

Конденсатор С2 разряжается только в течение положительного полупериода входного сигнала, обеспечивая частоту пульсаций 60 герц (и название однополупериодного удвоителя напряжения). Напряжение, полученное от однополупериодного удвоителя напряжения трудно фильтруется, так как оно имеет частоту пульсаций 60 герц. Другим недостатком этого удвоителя является то, что конденсатор С2 должен быть рассчитан на напряжение, которое, по крайней мере, вдвое превышает максимальное значение входного сигнала переменного тока.

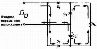
Двухполупериодный удвоитель напряжения свободен от некоторых недостатков однополупериодного удвоителя напряжения. На рис. 27–30 изображена схема цепи, которая работает как двухполупериодный удвоитель напряжения.

Введение в электронику - _60.jpg_0

Рис. 27–30. Двухполупериодный удвоитель напряжения.

На рис. 27–31 показано, что в течение положительного полупериода входного сигнала конденсатор C1 заряжается через диод D1 до максимального значения входного сигнала переменного тока.

Введение в электронику - _61.jpg_0

Рис. 27–31. Однополупериодный удвоитель напряжения в течение положительного полупериода входного сигнала.

На рис. 27–32 показано, что в течение отрицательного полупериода конденсатор С2 заряжается через диод D2 до максимального значения входного сигнала.

Введение в электронику - _62.jpg_0

Рис. 27–32. Двухполупериодный удвоитель напряжения в течение отрицательного полупериода входного сигнала.

Когда входной сигнал переменного тока меняет знак, конденсаторы C1 и С2 последовательно разряжаются через нагрузку. Поскольку каждый конденсатор заряжен до максимального значения входного сигнала, полное напряжение на нагрузке будет в два раза больше максимального значения входного сигнала.

Конденсаторы C1 и С2 заряжаются до достижения максимумов входного сигнала. Так как оба конденсатора заряжаются в течение обоих полупериодов, то частота пульсаций полученного напряжения будет 120 герц. Конденсаторы C1 и С2 суммируют свое напряжение на нагрузке.

Рис. 27–33 представляет схему утроителя напряжения.

Введение в электронику - _63.jpg_0
77
{"b":"594199","o":1}