Литмир - Электронная Библиотека
Содержание  
A
A

Необходимо отметить, что фильтрующий конденсатор создает дополнительную нагрузку на диоды, используемые в выпрямителе. На рис. 27–15 изображены однополупериодный и двухполупериодный выпрямители с фильтрующим конденсатором.

Введение в электронику - _45.jpg_2

Рис. 27–15. Однополупериодный выпрямитель (А) и двухполупериодный выпрямитель (В) с фильтрующим конденсатором.

Конденсатор заряжается до максимального значения напряжения вторичной обмотки и удерживает это значение в течение всего цикла входного напряжения. Когда диод становится смещенным в обратном напряжении, он запирается, и максимальное отрицательное напряжение попадает на анод диода. Фильтрующий конденсатор удерживает максимальное положительное напряжение на катоде диода. Разность потенциалов на диоде в два раза превышает максимальное значение напряжения вторичной обмотки. Для выпрямителя должен быть выбран диод, выдерживающий такое напряжение.

Максимальное напряжение, которое может выдержать диод, будучи смещенным в обратном направлении, называется импульсным обратным напряжением диода. Импульсное обратное напряжение диода, выбранного для выпрямителя, должно быть выше, чем удвоенное максимальное напряжение вторичной обмотки. В идеале диод должен работать при 80 % номинального значения обратного напряжения для того, чтобы выдержать изменения входного напряжения. Это касается как однополупериодного, так и двухполупериодного выпрямителя. Но это не так для мостового выпрямителя.

К диодам в мостовом выпрямителе никогда не прикладывается напряжение, большее чем максимальное напряжение вторичной обмотки. На рис. 27–16 ни к одному из диодов не приложено напряжение, превышающее максимальное значение входного сигнала. Использование диодов с более низкими значениями импульсного обратного напряжения является еще одним преимуществом мостового выпрямителя.

Введение в электронику - _46.jpg_2

Рис. 27–16. Мостовой выпрямитель с фильтрующим конденсатором.

27-3. Вопросы

1. Каково назначение фильтра в блоке питания?

2. Какова простейшая конфигурация фильтра?

3. Что такое частота пульсаций?

4. Как выбирается конденсатор для фильтра?

5. Какие неблагоприятные эффекты возникают при подключении фильтра?

27-4. РЕГУЛЯТОРЫ И СТАБИЛИЗАТОРЫ НАПРЯЖЕНИЯ

Выходное напряжение блока питания может изменяться по двум причинам. Во-первых, может изменяться входное напряжение блока питания, что приводит к увеличению или уменьшению выходного напряжения. Во-вторых, сопротивление нагрузки, что приводит к изменению потребляемого тока.

Многие цепи рассчитаны на работу при определенном напряжении. Если напряжение меняется, это может влиять на работу цепи. Следовательно, блок питания должен обеспечивать выходное напряжение постоянной величины, независимо от изменения нагрузки или входного напряжения. Для того, чтобы этого добиться, после фильтра ставят регулятор или стабилизатор напряжения.

Существует два основных типа регуляторов напряжения: параллельные регуляторы и последовательные регуляторы. Их названия соответствуют методу их соединения с нагрузкой. Параллельный регулятор подключается к нагрузке параллельно. Последовательный регулятор подсоединяется к нагрузке последовательно. Последовательные регуляторы более популярны, чем параллельные, так как они более эффективны и рассеивают меньшую мощность. Параллельный регулятор также работает в качестве управляющего устройства, защищая регулятор от короткого замыкания в нагрузке.

На рис. 27–17 показана регулирующая цепь на основе стабилитрона. Это параллельный регулятор.

Введение в электронику - _47.jpg_1

Рис. 27–17. Стабилизирующая цепь на основе стабилитрона.

Стабилитрон соединен последовательно с резистором. Входное постоянное напряжение прикладывается к стабилитрону и резистору и смещает стабилитрон в обратном направлении. Резистор позволяет протекать малому току и поддерживать стабилитрон в области пробоя. Входное напряжение должно быть выше, чем напряжение стабилизации стабилитрона. Падение напряжения на стабилитроне равно напряжению стабилизации стабилитрона. Падение напряжения на резисторе равно разности между входным напряжением и напряжением стабилизации стабилитрона.

Цепь, изображенная на рис. 27–17, обеспечивает постоянное выходное напряжение при изменениях входного напряжения. Любое изменение напряжения проявляется в виде изменения падения напряжения на резисторе. Сумма падений напряжения должна равняться входному напряжению. Выходное напряжение может быть увеличено или уменьшено путем замены стабилитрона и последовательно включенного резистора.

Ток через нагрузку определяется сопротивлением нагрузки и выходным напряжением. Через последовательно включенный резистор течет суммарный ток, состоящий из тока нагрузки и тока стабилитрона. Этот резистор должен быть тщательно подобран таким образом, чтобы ток через стабилитрон удерживал его в области стабилизации.

Когда ток через нагрузку увеличивается, ток через стабилитрон уменьшается, и сумма этих токов поддерживает напряжение постоянным. Это позволяет цепи поддерживать постоянное выходное напряжение при изменениях выходного тока так же, как и при изменениях входного напряжения.

На рис. 27–18 изображена параллельная регулирующая цепь, использующая транзистор. Заметим, что транзистор Q1 включен параллельно нагрузке. Это защищает регулятор в случае короткого замыкания в нагрузке. Существуют более сложные параллельные регуляторы, которые используют больше одного транзистора.

Введение в электронику - _48.jpg_2

Рис. 27–18. Параллельный стабилизатор, использующий транзистор.

Последовательный регулятор популярнее чем параллельный регулятор. Простейшим последовательным регулятором является переменный резистор, включенный последовательно с нагрузкой (рис. 27–19).

Введение в электронику - _49.jpg_2

Рис. 27–19. Последовательный регулятор напряжения, использующий переменный резистор.

Сопротивление регулируется непрерывно для поддержания постоянного напряжения на нагрузке. При увеличении постоянного напряжения сопротивление увеличивают, чтобы на нем падало излишнее напряжение. Это сохраняет постоянное падение напряжения на нагрузке, так как избыточное напряжение падает на последовательно включенном резисторе.

Переменный резистор может компенсировать и изменения тока нагрузки. При увеличении тока нагрузки падение напряжения на переменном резисторе увеличивается.

Это приводит к уменьшению падения напряжения на нагрузке. Если в момент увеличения тока уменьшить сопротивление, то падение напряжения на переменном резисторе останется постоянным. В результате постоянным окажется и выходное напряжение, несмотря на изменения тока нагрузки.

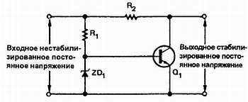
На практике достаточно трудно вручную изменять сопротивление резистора для компенсации изменений напряжения и тока. Более эффективно заменить переменный резистор транзистором (рис. 27–20).

Введение в электронику - _50.jpg_2
75
{"b":"594199","o":1}