Литмир - Электронная Библиотека
Содержание  
A
A

Главной функцией блока питания является преобразование переменного тока в постоянный. Блок питания может увеличивать или уменьшать величину входного переменного напряжения с помощью трансформатора.

Переменное напряжение требуемой величины преобразуется в постоянное напряжение с помощью процесса, который называется выпрямлением. Выпрямленное напряжение еще содержит переменную составляющую, которая называется пульсацией. От пульсаций избавляются с помощью фильтра.

Для обеспечения неизменной величины выходного напряжения используется стабилизатор напряжения. Он удерживает выходное напряжение на постоянном уровне.

27-1. ТРАНСФОРМАТОРЫ

Трансформаторы используются в блоках питания для изоляции блока питания от источника переменного напряжения. Они также применяются для повышения напряжения, если требуется более высокое напряжение, и для понижения напряжения, если требуется более низкое.

Если трансформаторы используются в блоках питания, то источник переменного напряжения подсоединяется только к первичной обмотке трансформатора. Таким образом электрические цепи изолируются от сети переменного тока.

При выборе трансформатора сначала надо определить напряжение первичной обмотки. Первичные обмотки у большинства трансформаторов рассчитаны на напряжения от 110 до 120 вольт или от 220 до 240 вольт. Потом надо уточнить частоту, на которой будет работать трансформатор. Рабочими частотами трансформатора могут быть 50 или 60 герц, 400 герц и 10 000 герц. Затем следует определить напряжение вторичной обмотки и ток, на который она рассчитана. И наконец, надо определить общую расчетную мощность трансформатора в вольт-амперах, что позволит оценить мощность, которая может быть передана во вторичную обмотку трансформатора. Она измеряется в вольт-амперах, так как ко вторичной обмотке может быть подсоединена нагрузка любого типа.

27-1. Вопросы

1. Почему в блоках питания используются трансформаторы?

2. Как подсоединяется трансформатор в блоке питания?

3. Какие важные соображения необходимо принять во внимание при выборе трансформатора для блока питания?

4. Как оценивается мощность трансформатора?

27-2. ВЫПРЯМИТЕЛИ

Выпрямитель — это сердце блока питания. Его функция — преобразование входного переменного напряжения в постоянное напряжение. В блоках питания применяются три основные схемы выпрямителей: однополупериодная, двухполупериодная и мостовая.

На рис. 27-1 изображена схема однополупериодного выпрямителя. Диод размещен последовательно с нагрузкой. Из-за наличия диода ток в цепи течет только в одном направлении.

Введение в электронику - _31.jpg_5

Рис. 27-1. Основная схема однополупериодного выпрямителя.

На рис. 27-2 показан результат работы однополупериодного выпрямителя в течение положительного полупериода синусоиды. Диод смещен в прямом направлении, что позволяет току течь через нагрузку. При этом в течение положительного полупериода на нагрузке выделяется мощность.

Введение в электронику - _32.jpg_5

Рис. 27-2. Однополупериодный выпрямитель в течение положительного полупериода.

На рис. 27-3 представлен результат работы однополупериодного выпрямителя в течение отрицательного полупериода синусоиды. Диод теперь смещен в обратном направлении и не проводит ток. Так как через нагрузку не течет ток, то на ней нет и падения напряжения.

Введение в электронику - _33.jpg_4

Рис. 27-3. Однополупериодный выпрямитель в течение отрицательного полупериода.

Однополупериодный выпрямитель работает только в течение одной половины периода. Выходное напряжение представляет собой последовательность положительных или отрицательных импульсов, в зависимости от того, как диод включен в цепь. Частота импульсов такая же, как и частота входного напряжения. Частота импульсов называется частотой пульсаций.

Полярность выходного напряжения зависит от того, каким способом диод включен в цепь (рис. 27-4).

Введение в электронику - _34.jpg_4

Рис. 27-4. Диод определяет направление тока.

Ток электронов течет через диод от катода к аноду. Когда ток течет через диод, на выводе катода возникает дефицит электронов, делая этот вывод диода положительным. Полярность выходного напряжения блока питания может быть изменена путем изменения способа включения диода.

Однополупериодный выпрямитель имеет серьезный недостаток, так как ток через него течет только в течение половины каждого периода. Чтобы избавиться от этого недостатка, используется двухполупериодный выпрямитель.

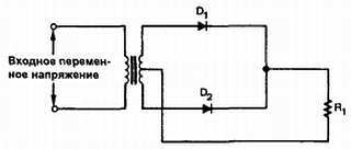
На рис. 27-5 изображена схема двухполупериодного выпрямителя. Для этой схемы требуются два диода и трансформатор с выводом от середины вторичной обмотки. Этот вывод от середины обмотки заземлен. Напряжение на каждом выводе вторичной обмотки трансформатора сдвинуто по фазе на 180 градусов относительно друг друга.

Введение в электронику - _35.jpg_4

Рис. 27-5. Основная схема двухполупериодного выпрямителя.

На рис. 27-6 изображено, как двухполупериодный выпрямитель работает в течение положительного полупериода входного напряжения. На аноде диода D1 положительный потенциал, а на аноде диода D2 — отрицательный.

Введение в электронику - _36.jpg_4

Рис. 27-6. Двухполупериодный выпрямитель в течение положительного полупериода.

Диод D1 смещен в прямом направлении и проводит ток. Диод D2 смещен в обратном направлении и не проводит ток.

Ток течет от центрального вывода трансформатора через нагрузку и диод D1 к верхнему выводу вторичной обмотки трансформатора. Это позволяет ему во время положительного полупериода проходить на нагрузку.

На рис. 27-7 тот же двухполупериодный выпрямитель работает в течение отрицательного полупериода синусоиды.

Введение в электронику - _37.jpg_3

Рис. 27-7. Двухполупериодный выпрямитель в течение отрицательного полупериода.

На аноде диода D2 появился положительный потенциал, а на аноде диода D1 — отрицательный. Теперь диод D2 смещен в прямом направлении и проводит ток. Диод D1 смещен в обратном направлении и не проводит ток. Ток течет от центрального вывода трансформатора через нагрузку и диод D2 к нижнему выводу вторичной обмотки трансформатора.

Таким образом, в двухполупериодном выпрямителе ток течет в течение обоих полупериодов. Это означает, что частота пульсаций в два раза больше частоты входного переменного тока.

Недостатком двух полу периодного выпрямителя является то, что его выходное напряжение в два раза меньше выходного напряжения однополупериодного выпрямителя, использующего такой же трансформатор. Этот недостаток преодолевается при использовании мостовой схемы выпрямителя.

73
{"b":"594199","o":1}