Литмир - Электронная Библиотека
Содержание  
A
A

Когда напряжение обратного смещения достаточно велико для того, чтобы вызвать пробой стабилитрона, через него течет высокий обратный ток (IZ), до наступления пробоя обратный ток невелик. После наступления пробоя обратный ток резко возрастает. Эго происходит потому, что сопротивление стабилитрона уменьшается при увеличении обратного напряжения.

Напряжение пробоя стабилитрона (Ez) определяется удельным сопротивлением диода. Оно, в свою очередь, зависит от техники легирования, использованной при изготовлении диода. Паспортное напряжение пробоя — это обратное напряжение при токе стабилизации (IZT). Ток стабилизации несколько меньше максимального обратного тока диода. Напряжение пробоя обычно указывается с точностью от 1 до 20 %.

Способность стабилитрона рассеивать мощность уменьшается при увеличении температуры. Следовательно, рассеиваемая стабилитроном мощность указывается для определенной температуры. Величина рассеиваемой мощности также зависит от длины выводов: чем короче выводы, тем большая мощность рассеивается на диоде. Производитель указывает также коэффициент отклонения для того, чтобы определить рассеиваемую мощность при других температурах. Например, коэффициент отклонения 6 милливатт на градус Цельсия означает, что рассеиваемая диодом мощность уменьшается на 6 милливатт при повышении температуры на один градус.

Стабилитроны выпускаются в таких же корпусах, что и обычные диоды (рис. 21-1).

Введение в электронику - _29.jpg_6

Рис. 21-1. Корпуса стабилитронов.

Маломощные стабилитроны выпускаются в корпусах из стекла или эпоксидной смолы. Мощные стабилитроны выпускаются в металлическом корпусе с винтом. Схематическое обозначение стабилитрона такое же, как и у диода, за исключением диагональных линий у черты катода (рис. 21-2).

Введение в электронику - _10.jpg_7

Рис. 21-2. Схематическое обозначение стабилитрона.

21-1. Вопросы

1. Какова уникальная особенность стабилитрона?

2. Как стабилитрон включается в цепь?

3. Что определяет напряжение, при котором стабилитрон испытывает пробой?

4. Что надо учитывать при определении мощности, рассеиваемой стабилитроном?

5. Нарисуйте схематическое обозначение стабилитрона и пометьте его выводы.

21-2. ПАРАМЕТРЫ СТАБИЛИТРОНА

Максимальный ток стабилизации (IZM) — это максимальный обратный ток, который может течь через стабилитрон без превышения рассеиваемой мощности указанной производителем. Обратный ток (IR) представляет собой ток утечки перед началом пробоя. Он указывается при некотором обратном напряжении (ER). Обратное напряжение составляет примерно 80 % от напряжения стабилизации (EZ).

Стабилитроны с напряжением стабилизации 5 вольт или более имеют положительный температурный коэффициент напряжения стабилизации, который означает, что напряжение стабилизации увеличивается при увеличении температуры. Стабилитроны, имеющие напряжение стабилизации менее 4 вольт, имеют отрицательный температурный коэффициент напряжения стабилизации, который означает, что напряжение стабилизации уменьшается при увеличении температуры. Стабилитроны, имеющие напряжение стабилизации между 4 и 5 вольтами, могут иметь как положительный, так и отрицательный температурный коэффициент напряжения стабилизации.

Температурно компенсированный стабилитрон образован последовательным соединением стабилитрона и обычного диода, причем диод смещен в прямом направлении, а стабилитрон — в обратном. Тщательно выбирая диоды, можно добиться равенства температурных коэффициентов по величине, по знаку они будут противоположны. Для полной компенсации может понадобиться более одного диода.

21-2. Вопросы

1. Что определяет максимальный ток стабилизации стабилитрона?

2. В чем разница между максимальным током стабилизации и обратным током стабилитрона?

3. Что означает положительный температурный коэффициент напряжения стабилизации?

4. Что означает отрицательный температурный коэффициент напряжения стабилизации?

5. Как можно температурно скомпенсировать стабилитрон?

21-3. РЕГУЛИРОВКА НАПРЯЖЕНИЯ С ПОМОЩЬЮ СТАБИЛИТРОНОВ

Стабилитрон можно использовать для стабилизации или регулировки напряжения. Например, он может быть использован для компенсации изменений напряжения линии питания или при изменении резистивной нагрузки, питаемой постоянным током.

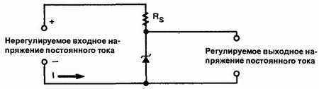
На рис. 21-3 показана типичная регулирующая цепь со стабилитроном.

Введение в электронику - _11.jpg_7

Рис. 21-3. Типичная регулирующая цепь со стабилитроном.

Стабилитрон соединен последовательно с резистором Rs. Резистор позволяет протекать через стабилитрон такому току, чтобы он работал в режиме пробоя (стабилизации). Входное постоянное напряжение должно быть выше, чем напряжение стабилизации стабилитрона.

Падение напряжения на стабилитроне равно напряжению стабилизации стабилитрона. Стабилитроны выпускают с определенным напряжением пробоя, которое часто называют напряжением стабилизации (VZ). Падение напряжения на резисторе равно разности входного напряжения и напряжения стабилизации.

Входное напряжение может увеличиваться или уменьшаться. Это обусловливает соответствующее увеличение или уменьшение тока через стабилитрон. Когда стабилитрон работает при напряжении стабилизации, или в области пробоя, при увеличении входного напряжения через него может течь большой ток. Однако напряжение на стабилитроне останется таким же. Стабилитрон оказывает противодействие увеличению входного напряжения, так как при увеличении тока его удельное сопротивление падает. Это позволяет выходному напряжению на стабилитроне оставаться постоянным при изменениях входного напряжения. Изменение входного напряжения проявляется только в изменении падения напряжения на последовательно включенном резисторе. Этот резистор включен последовательно со стабилитроном, и сумма падений напряжения на них должна равняться входному напряжению. Выходное напряжение снимается со стабилитрона. Выходное напряжение может быть увеличено или уменьшено путем замены стабилитрона и включенного последовательно с ним резистора.

Описанная цепь выдает постоянное напряжение. При расчете цепи должны учитываться как ток, так и напряжение. Внешняя нагрузка потребляет ток нагрузки (IL), который определяется сопротивлением нагрузки и выходным напряжением (рис. 21-4). Через резистор, включенный последовательно со стабилитроном, протекает и ток нагрузки, и ток стабилизации. Этот резистор должен быть выбран таким образом, чтобы через стабилитрон протекал ток стабилизации и он находился в области пробоя.

Введение в электронику - _12.jpg_6

Рис. 21-4. Регулятор напряжения на основе стабилитрона с нагрузкой.

При увеличении резистивной нагрузки ток нагрузки уменьшается, что должно вызвать увеличение падения напряжения на нагрузке. Но стабилитрон препятствует любому изменению тока. Сумма тока стабилизации и тока нагрузки через последовательно включенный резистор остается постоянной. Это обеспечивает постоянство падения напряжения на последовательно включенном резисторе.

57
{"b":"594199","o":1}