Литмир - Электронная Библиотека
Содержание  
A
A

а) кварцевый резонатор включен в цепь обратной связи и используется как узкополосный фильтр, который эквивалентен активному сопротивлению на частоте резонанса (называют генераторами последовательного резонанса);

б) кварцевый резонатор является частью колебательного контура и эквивалентен индуктивности (их называют осцилляторными генераторами).

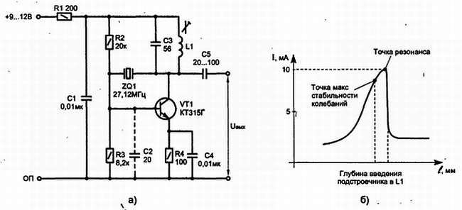
Схема генератора с «кварцем» в цепи обратной связи между коллектором и базой, приведена на рис. 12.6.

Путеводитель в мир электроники. Книга 2 - _141.jpg

Рис. 12.6. Генератор со стабилизацией частоты кварцем, включенным между базой и коллектором (а), и резонансная кривая потребляемого схемой тока, используемая при настройке (б)

Такие схемы применяют при работе резонатора на основной частоте до 30 МГц или до 90 МГц при возбуждении кварца на третьей гармонике (на соответствующую гармонику настраивается колебательный контур С3, L1). Если «кварц» работает на первой гармонике, то иногда в цепи коллектора ставят только катушку (дроссель) — это позволяет легко менять частотный канал заменой кварца удобно для аппаратуры радиоуправления — не потребуется перестройки передатчика на соседний — не занятый кем-то другим канал).

В схеме конденсаторы С1 и С4 являются блокирующими (закорачивают цепи по высокой частоте); С2 — облегчает запуск генератора и иногда может не устанавливаться. Резисторы R2, R3 задают режим работы транзистора по постоянному току, a R4 обеспечивает термостабилизацию рабочей точки каскада.

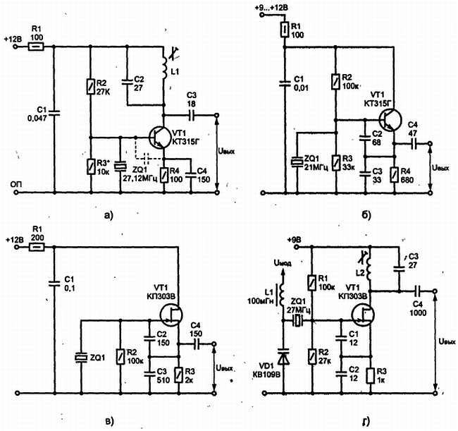
Довольно часто применяются генераторы с кварцевым резонатором включенным между базой и общим проводом, рис. 12.7. Во всех таких схемах обратная связь организуется за счет падения напряжения на резисторе в цепи эмиттера, а значение конденсатора, устанавливаемого параллельно этому резистору (от него зависит величина этой связи), можно подобрать экспериментально.

Аналогичная схема может быть выполнена и на полевых транзисторах (рис. 12.7, в). Для того чтобы на работу таких генераторов не оказывали влияния следующие каскады, их входное сопротивление должно быть больше, чем у резистора, который стоит на выходе.

Для небольшой подстройки частоты резонатора (др ±200 Гц) иногда последовательно с кварцем включают конденсатор (это повышает частоту) или индуктивность (для понижения частоты).

Приведенные схемы особенно удобны для генераторов с электронной перестройкой частоты, выполняемой при помощи варикапа — вариант такой схемы показан на рис. 12.3, г. На варикап подается постоянное обратное напряжение, от величины которого зависит его начальная емкость, а изменение емкости происходит под действием низкочастотного модулирующего сигнала. При частотной модуляции девиация частоты зависит от амплитуды модулирующего сигнала.

Путеводитель в мир электроники. Книга 2 - _142.jpg

Рис. 12.7. Генераторы с кварцевым резонатором, включенным между базой и общим проводом (а, б), схема на полевом транзисторе (в) и генератор с электронной перестройкой частоты варикапом при ЧМ модуляции (г)

Максимальная достижимая мощность сигнала на выходе таких генераторов ограничена величиной тока высокой частоты, проходящей через «кварц». По техническим условиям рассеиваемая мощность на кварцевом резонаторе не должна превышать 1…2 мВт, а для повышения стабильности генератора ее следует уменьшить до величины 0,1…0,2 мВт. Поэтому для получения необходимой мощности в антенне после задающего генератора всегда ставят дополнительные каскады усилителей.

С другими видами кварцевых генераторов можно познакомиться в литературе, например [1].

Режимы работы ВЧ усилителей

Любой каскад усиления сигнала может работать в одном из режимов, названных буквами латинского алфавита: А, В, С или АВ (существуют еще усилители классов D и Е, но они не используются на высоких частотах, поэтому мы их рассматривать не будем). Отличие между режимами заключается в выборе рабочей точки усилительного каскада. Это поясняет рис. 12.8.

Путеводитель в мир электроники. Книга 2 - _143.jpg
Путеводитель в мир электроники. Книга 2 - _144.jpg
Путеводитель в мир электроники. Книга 2 - _145.jpg

Рис. 12.8. Распространенные режимы работы ВЧ усилителей

Рабочая точка в усилителях класса А смещена таким образом, что через транзистор коллекторный ток протекает всегда. Входной сигнал усиливается без искажений, но коэффициент полезного действия (КПД) в лучшем случае может быть не более 50 %. В таком режиме обычно работают маломощные каскады передатчика.

В режиме класса В смещения рабочей точки у транзисторов нет (точнее, она является нулевой). Транзистор начнет усиливать сигнал, как только входное напряжение превысит уровень 0,6 В (с этим режимом вы уже знакомы по разделу, посвященному усилителям низкой частоты). При использовании двухтактного каскада транзисторы будут работать по очереди (каждый в течение одного полупериода входного сигнала), но в точке перехода напряжения через ноль из-за нелинейности характеристики наблюдаются небольшие искажения. КПД схемы может составить до 78 %. Такой режим работы применяется в мощных выходных каскадах.

Чтобы устранить искажения при переходе напряжения через нуль, иногда используют режим класса АВ — когда на базу подается небольшое приоткрывающее транзистор напряжение (появляется ток покоя). Это выравнивает выходную характеристику, но снижает КПД каскада. Схема для этого режима может быть такой же, как и для каскада в режиме класса А, только соотношение резисторов R1—R2 будет другим.

В высокочастотных усилителях довольно часто применяют режим класса С. Рабочая точка у такого усилителя смещается за пределы области отсечки, и транзистор открывается только при максимальных значениях входного сигнала. Несмотря на то, что сигнал на выходе усилителя сильно искажен и содержит много гармоник, синусоидальная форма восстанавливается благодаря резонансной нагрузке. Ну а так как пока транзистор закрыт — тока в цепи коллектора нет, КПД такой схемы теоретически может достигать почти 90 %.

Режим класса С удобен еще и тем, что его можно использовать для умножения входного сигнала в 2 или 3 раза. Причем в результате исследований была установлена зависимость уровней гармоник сигнала от угла отсечки Θ выходного тока. Оказалось, что максимальный уровень первой гармоники получается при угле отсечки 120°, второй — 60° третьей — 40° (это используется разработчиками при расчете схемы). Так как амплитуда гармоники с увеличением ее номера значительно уменьшается, умножение более чем в 3 раза в одном каскаде не используется.

Конечно, при работе усилителя никто не измеряет угол отсечки, но, настраивая контур в цепи коллектора на нужную гармонику и меняя угол отсечки (при помощи напряжения задающего рабочую точку), можно получить максимальный уровень сигнала.

Общим требованием к каскадам, работающим в усилителе мощности, является их согласование между собой по импедансу.

Следует также знать, что для увеличения дальности приема в два раза необходимо мощность передатчика увеличить в 4 раза. Того же эффекта можно добиться увеличением чувствительности приемника в 2 раза, то есть энергетически выгоднее увеличивать чувствительность приемника. Но здесь есть ограничение, которое связано с шумами эфира и собственными шумами схемы приемника. Поэтому полезный сигнал в точке приема должен в любых условиях превышать уровень шума в несколько раз.

35
{"b":"545321","o":1}