Литмир - Электронная Библиотека
A
A

Компонентами СЗ и R1 задается время задержки подключения динамиков, что избавляет их от характерных хлопков при включении питания усилителя. Задержку можно регулировать, изменяя сопротивление резистора или емкость конденсатора.

Внешний вид микросхемы представлен на рис. 7.6.

Как освоить радиоэлектронику с нуля. Учимся собирать конструкции любой сложности - _37.jpg

Рис. 7.6. Внешний вид микросхемы TDA1552Q и ее распиновка.

Обязательно привинтите микросхему к радиатору. Им может быть кусок алюминиевой пластины размером 120x50 мм. Чем больше радиатор, тем большую мощность будет отдавать микросхема в нагрузку, меньше перегреваться и ее внутренняя защита не будет срабатывать. Напряжение питания должно быть нестабилизированным, как уже упоминалось выше, микросхема содержит встроенный стабилизатор напряжения. В качестве источника питания подойдет автомобильный аккумулятор, для питания от него собственно и рассчитана данная микросхема. Но, если вы захотите использовать усилитель в домашнем обиходе, вам понадобится блок питания.

Блок питания усилителя может быть собран по схеме, представленной на рис. 7.7.

Как освоить радиоэлектронику с нуля. Учимся собирать конструкции любой сложности - _38.jpg

Рис. 7.7. Принципиальная схема блока питания усилителя.

Он не содержит стабилизатора, так как «зашит» в самой микросхеме. Вам понадобится сетевая вилка (X1, Х2) с проводом, предохранитель F1 на ток не более 1 А, трансформатор Т2 с первичной обмоткой 220 В с вторичной на 10–13 В, диодный мост D1 и конденсатор на большую емкость С1. И самое важное — провода питания идущие к микросхеме УНЧ, должны быть скручены, иначе при повышении громкости микросхему будет «заваливать» (на слух — это ужасные искажения).

Так как данный блок питания питается от электрической сети, вы должны быть очень внимательны при подключении всех деталей и соблюдать правила безопасности. Лучше попросить кого-то проверить правильность соединения, а потом подключить устройство к сети. Прежде чем подсоединять блок питания к УНЧ, проверьте также тестером напряжение между общим проводом и контактом Х3. В этой цепи должно быть не более 17 В, так как сама микросхема рассчитана на максимальное напряжение 18 В.

В качестве громкоговорителей SPK L и SPK R могут использоваться динамики ваттностью не менее 20. Вы можете также подключить колонки от музыкального центра. Внешний вид собранного блока питания вы можете увидеть на рис. 7.8.

Как освоить радиоэлектронику с нуля. Учимся собирать конструкции любой сложности - _39.jpg

Рис. 7.8. Внешний вид собранного блока питания.

Регулятор громкости, баланса и тембра УНЧ

Вы собрали себе мощный УНЧ, но хотелось бы регулировать то громкость, баланс и тембр, не правда ли? Куда приятнее самому добавить басов или сделать погромче звук тарелок ударной установки. Эту проблему разрешит интегральная микросхема от фирмы Philips TDA1524A. Технические характеристики регулятора громкости, баланса и тембра на этой микросхеме вы видите ниже.

Полоса частот: 20-20000 Гц

Регулировка тембра на частоте 40 Гц (bass): -19…+17 Дб

Регулировка тембра на частоте 16 кГц (treble): -15…+15 Дб

Регулировка баланса: -40 дБ

Входное сопротивление: 10–60 кОм

Выходное сопротивление: 300 Ом

Регулировка громкости не менее: -80…21,5 дБ

Коэффициент гармоник не более (искажение сигнала): 0,3 %

Относительный уровень шумов не более: -80 дБ

Напряжение питания: 6-18 В

Вы можете заменить данную микросхему ее аналогом от фирмы RFTА1524А. Микросхема представляет собой двухканальный (стереофонический) регулятор громкости, баланса и тембра низких и высоких частот. Есть также loudnes (частотная компенсация). Она компенсирует низкие частоты при малом уровне звука. Вы, наверное, слышали, как иногда при уменьшении громкости в некоторых музыкальных центрах очень резко пропадали басы? Это происходило из-за отсутствия частотной компенсации. Такую технику не стоит покупать, так как она не отвечает даже среднему классу.

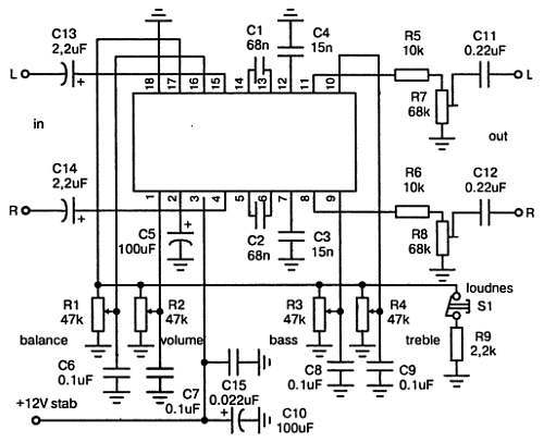
Регулятор громкости, баланса и тембра представлен на рис. 7.9.

Как освоить радиоэлектронику с нуля. Учимся собирать конструкции любой сложности - _40.jpg

Рис. 7.9. Принципиальная схема регулятора громкости, баланса и тембра на микросхеме TDA1524А.

Переменные резисторы R1, R2, R3, R4 можно использовать любые, так как все регулировки в данной микросхеме осуществляются электронным способом. Подстрочными резисторами R7 и R8 регулируется усиление выходного сигнала. Кнопка S1, включающая частотную компенсацию регулятора громкости (на схеме выключена), должна быть с фиксацией. Тем, кто хочет постоянно использовать частотную компенсацию без возможности отключения, можно исключить из схемы элементы S1 и R9.

В процессе работы микросхема U1 нагревается. Чтобы повысить надежность работы чипа и срок его службы, приклейте к нему (например, клеем «Момент») небольшой П-образный радиатор из алюминия. Если вы этого не сделаете, это не означает, что микросхема сгорит через неделю.

Раз мы уже начали создавать такие сложные самоделки, пришло время научиться делать печатные платы.

Глава 8

Разработка и изготовление печатных плат

Печатная плата — это кусок гетинакса, или стеклотекстолита, покрытый медной пленкой (фольгой), которая позже превращается в проводники. Данный материал бывает односторонним и двусторонним. В первом варианте медная пленка нанесена на одну сторону, а во втором — на две. При разработке различных устройств радиолюбители обычно пользуются двумя способами изготовления печатных плат: прорезанием канавок и травлением рисунка с помощью стойкой краски или лака. Первый способ прост, но непригоден для выполнения сложных устройств. Второй — более универсален, но порой пугает радиолюбителей сложностью из-за незнания некоторых правил при проектировании и изготовлении плат. Об этих правилах и пойдет далее речь.

Основные правила разработки плат

Проектировать печатные платы наиболее удобно в масштабе 1:1 на миллиметровке или другом материале, на котором нанесена сетка с шагом 5 мм (например, на тетрадном листе). Все отверстия под выводы деталей в печатной плате целесообразно размещать в узлах сетки, что соответствует шагу 2,5 мм на реальной плате. С таким шагом расположены выводы у большинства микросхем в пластмассовом корпусе, у многих транзисторов и других радиокомпонентов. Меньшее расстояние между отверстиями следует выбирать лишь в тех случаях, когда это крайне необходимо.

Сначала вам надо примерно расставить детали. В первую очередь рисуете точки под выводы микросхемы, потом располагаете мелкие элементы — резисторы, конденсаторы, а далее большие — реле и т. п. Их размещение обычно связано с общей конструкцией устройства, определяемой размерами имеющегося корпуса или свободного места в нем. Часто, особенно при разработке портативных приборов, размеры корпуса определяют по результатам разводки печатной платы. Иногда приходится переделывать рисунок печатных проводников несколько раз, чтобы получить желаемый результат — минимизацию и функциональность.

Если в вашей самоделке не более пяти микросхем, все печатные проводники обычно удается разместить на одной стороне платы и обойтись небольшим числом проверочных перемычек, впаянных со стороны деталей. Попытки изготовить одностороннюю печатную плату для большего числа цифровых микросхем приводят к резкому увеличению трудоемкости разводки и чрезмерно большому числу перемычек. В этих случаях разумнее перейти к двусторонней печатной плате.

16
{"b":"277077","o":1}