Литмир - Электронная Библиотека
Содержание  
A
A

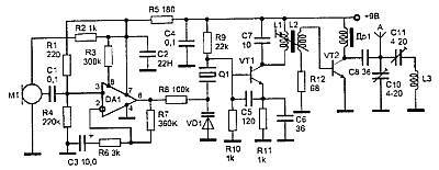
Рис. 2.14. Радиопередатчик с узкополосной ЧМ

Девиация частоты — 3 кГц. Частота задающего генератора стабилизирована кварцевым резонатором. В качестве акустического преобразователя используется электретный микрофон M1 с усилителем типа МКЭ-3, "Сосна". МЭК-1, и др. Питание на микрофон поступает через RC-фильтр, состоящий из резистора R1 и конденсатора С1. Напряжение звуковой частоты с выхода микрофона M1 через разделительный конденсатор С2 поступает на вход усилителя звуковой частоты (база транзистора VT1).

Усилитель звуковой частоты собран по двухкаскадной схеме с активными элементами на транзисторах VT1 и VT2 типа КТЗ15. Он усиливает и ограничивает звуковой сигнал до необходимой амплитуды.

Режимы работы транзисторов VT1, VT2 по постоянному току устанавливаются путем подбора сопротивления резистора КЗ. Заданный режим поддерживается далее автоматически с помощью обратной связи между транзисторами VT1 и VT2.

Усиленный и ограниченный сигнал звуковой частоты через RC-фильтр низкой частоты, выполненный на резисторах R6, R8 и конденсаторе С4, поступает на варикап VD1 типа KB109. Под действием переменного напряжения изменяется емкость варикапа VD1, осуществляя тем самым частотную модуляцию.

Постоянное напряжение, снимаемое с коллектора транзистора VT2, задает начальное смещение на варикапе VD1. Задающий генератор выполнен на транзисторе VT3 тина КТ368, КТ3101. Режим транзистора VT3 по постоянному току определяет резистор R9 в его базовой цепи. Кварцевый резонатор ZQ1 используется на частоту 47–49 МГц.

Контур в коллекторной цепи транзистора VT3 настроен на частоту третьей гармоники используемого кварцевого резонатора.

Высокочастотный сигнал поступает в антенну через конденсатор малой емкости С8. В качестве антенны используется отрезок провода длинной 40–50 см. Катушка L1 наматывается проводом ПЭВ 0.6 мм на корпусе подстроечного конденсатора С7 и содержит 3–4 витка.

Выводы катушки припаиваются к выводам конденсатора.

Настройка усилителя звуковой частоты заключается в подборе сопротивления резистора R3 так, чтобы получить на коллекторе транзистора VT2 напряжение, равное примерно половине напряжения источника питания. Контур L1, С7 настраивается по максимуму излучаемой мощности путем подстройки конденсатора С7.

Радиопередатчик с высокой стабильностью несущей частоты

При использовании кварцевого резонатора с высокой частотой появляется возможность создать простой радиомикрофон с высокой стабильностью несущей частоты. Ниже приведено описание подобного устройства.

Радиомикрофон работает в диапазоне 61–74 МГц с частотной модуляцией.

Принципиальная схема передатчика радиопередатчика приведена на рис. 2.15.

"Шпионские штучки" и устройства для защиты объектов и информации - _55.jpg

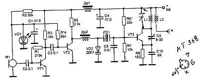
Рис. 2.15. Радиопередатчик с высокой стабильностью несущей частоты

Сигнал с микрофона M1 типа МКЭ-3 усиливается двухкаскадным усилителем на транзисторах VT1, VT2 типа KT315. Задающий генератор выполнен на транзисторе VT3 типа КТ368. Частотная модуляция несущей частоты обеспечивается варикапом VD2. Резисторы R6 и R7 в базовой цени транзистора VT3 определяют его режим по постоянному току.

Конденсатор С9 устанавливает необходимый режим генерации, обеспечивая положительную обратную связь.

Стабильность частоты генератора зависит в основном от напряжения питания. Чтобы ее повысить, необходимо использовать стабилизатор на 6~9 В, что приведет к усложнению схемы. Стабилизировать частоту можно и другим способом. Если быть точным, то причина нестабильности несущей частоты определяется в основном колебаниями рабочей точки транзистора VT2 усилителя звуковой частоты при изменении напряжения питания. Положение этой рабочей точки определяет напряжение обратного смещения на варикапе VD2, а значит, и его начальную емкость.

Для стабилизации рабочей точки усилителя на транзисторе VT2 в его базовую цепь включен резистор R4, напряжение на который поступает с параметрического стабилизатора, собранного на резисторе R2, светодиоде VD1 и конденсаторе С1. В устройстве использованы постоянные резисторы МЛТ-0,125, конденсаторы типов К50-16 и КМ.

Дроссели Др1, Др2 можно использовать стандартные, например, типа Д-0,1, с индуктивностью 15–30 мкГн или изготовить самостоятельно. Дроссели наматываются на резисторах МЛТ-0,25 сопротивлением более 100 кОм и содержат 50–60 витков провода ПЭВ 0,1 мм.

Контурная катушка L1 намотана на каркасе диаметром 8 мм и содержит 6 витков провода ПЭВ 0.8 мм. Катушка L2 намотана на том же каркасе и тем же проводом, что и катушка L1. Катушка L2 содержит 3 витка, размещенных на расстоянии 1 мм от витков катушки L1.

Антенна выполнена следующим образом: отрезок 50-омного кабеля длиной 10–12 см зачищается от изоляции и удаляется центральная жила. По всей длине отрезка кабеля наматывается виток к витку провод ПЭВ-0,6 — антенна готова. В крайнем случае в качестве антенны можно использовать провод длиной 30–50 см.

Настройку начинают с усилителя звуковой частоты, изменением сопротивления резистора R4 устанавливают напряжение на коллекторе транзистора VT2, равное половине напряжения источника питания.

Емкость конденсатора С9 необходимо подобрать по максимуму тока, потребляемому генератором, а затем резистором R6 установить этот ток около 10 мА.

2.1.6. Радиопередатчики средней мощности с повышенной стабильностью частоты

Радиопередатчик с высокой стабильностью частоты задающего генератора

Большинство любительских радиопередатчиков выполнены по схемам с колебательным контуром в частотозадающей цепи. При этом они имеют, как правило, один высокочастотный каскад. Этот каскад выполняет одновременно роль задающего генератора и усилителя мощности. Такие схемы при своей простоте и миниатюрности готовой конструкции имеют и свои недостатки. Это большая нестабильность колебаний высокой частоты и маленькая выходная мощность.

Схема, приведенная на рис. 2.16, лишена этих недостатков, т. к. частота задающего генератора предлагаемого устройства стабилизируется кварцевым резонатором и имеет отдельный усилитель мощности.

"Шпионские штучки" и устройства для защиты объектов и информации - _56.jpg

Рис. 2.16. Радиопередатчик, частота задающего генератора которого стабилизирована кварцевым резонатором

Данное устройство работает в диапазоне УКВ ЧМ с частотной модуляцией, т. е. его сигнал может быть принят на любой приемник диапазона 65-108 МГц. Дальность действия составляет около 300 м.

Задающий генератор выполнен на транзисторе VT1 типа КТ368. В данной схеме могут быть использованы кварцевые резонаторы на частоты 22–36 МГц. Контур, состоящий из катушки L1 и конденсатора С7 настраивается на третью гармонику кварцевого резонатора. Предпочтительнее использовать резонатор, настроенный на третью гармонику последовательного резонанса, т. к. при этом легче получить необходимую для нормальной работы приемника девиацию частоты 50 кГц. Кварцевый резонатор подключен к базе транзистора VT1 и варикапу VD1 и работает по осцилляторной схеме, составляя с емкостью С5 и контуром "емкостную трехточку", что обеспечивает высокую стабильность частоты.

Модулирующий усилитель выполнен на операционном усилителе DA1 типа КР1407УД2. На его вход поступает низкочастотный звуковой сигнал от электретного микрофона M1 со встроенным усилителем тина МКЭ-3. Операционный усилитель обеспечивает на выходе неискаженное напряжение звуковой частоты с амплитудой около 3 В, что достаточно, при использовании в качестве модулирующего элемента варикапа типа КВ104А для достижения девиации частоты около 40–50 кГц. Режим работы операционного усилителя задается резисторами Rl, R4, и R3. Микросхему DA1 можно заменить на К140УД1208, КР140УД608 — в последнем случае резистор R3 можно из схемы исключить. Промодулированный по частоте сигнал с контура задающего генератора L1, С7 через катушку связи L2 поступает на вход усилителя мощности, выполненного на транзисторе VT2 типа КТ610А. Усилитель мощности работает с высоким КПД в режиме класса "С". Он усиливает сигнал до 150 мВт. Поэтому при использовании вместо висячей или штыревой антенны длиноИ в 1 м катушки L3 диаметром 3 см (рис. 2.17), содержащей 7 витков провода ПЭВ 0,8, получается эффективность не хуже стандартного варианта с проводом длиной в 1 м и мощностью около 30 мВт. Такой мощности вполне достаточно для устойчивого приема на расстоянии до 150 м.

14
{"b":"187881","o":1}