Литмир - Электронная Библиотека
Содержание  
A
A

То есть не в десятки раз, а в несколько тысяч раз подавляется «зеркальная» помеха! Это, естественно, требует совершенно иного гетеродина! Но зато «пролаз» в антенну — исключается. Радиоприемник действительно становится другом, а не «Павликом Морозовым»!

Излишне говорить, что и смеситель для этого необходим совсем иной!

«А»: Советские приемники 70-х годов включали в себя, помнится, совмещенный смеситель. Подобное решение еще находит применение?

«С»: Во всяком случае в серьезной аппаратуре — нет, нет и еще раз нет!

Вообще, друзья, мне тоже не терпится начать разговор по принципиальным схемам смесителей, но полагаю, что мы еще недостаточное внимание уделили рассмотрению структурной схемы приемника Роде. По этой причине, опуская (пока) вопрос о том, какое схемное решение годится для качественного смесителя, запомним, что на его выходе получаем fпр1 = 40,525 МГц, хотя это значение в настоящее время в различных конструкциях варьируется от 40 МГц и до 120 МГц!

«А»: Ну хорошо, а что представляет из себя фильтр ПЧ, обозначенный, как Z1? На нем еще имеет место символ кварца?

Вообще вы можете рассказать об этом чуть подробнее?

«С»: «Я могу, а потому — обязан»!.. Вообще в УПЧ применяют различные виды фильтров: с LC — контурами, RC — цепями, с электроакустическими и цифровыми системами. Но в рассматриваемом приемнике, который получил в радиотехнике наименование ПРИЕМНИКА С ПРЕОБРАЗОВАНИЕМ ВВЕРХ, к фильтру Z2 предъявляются исключительно высокие требования по обеспечению селективности по соседнему каналу! Давайте оценим, какая для этого требуется добротность (хотя бы приблизительно)!

Пусть fпр = 40 МГц, а полоса пропускания = 20 кГц!

«Н»: …Получается, что Q = 2000!..

«С»: Фактически, она должна быть даже несколько больше! Не станем забывать, что встречаются подобные фильтры, у которых полоса пропускания равна всего 3 кГц, а частота — выше, чем 40 МГц!..

Поэтому понятно, что обычные фильтры здесь не проходят! И возможны несколько вариантов.

Прежде всего, применить в качестве фильтра Z2 — «цепь Юзвинского»!

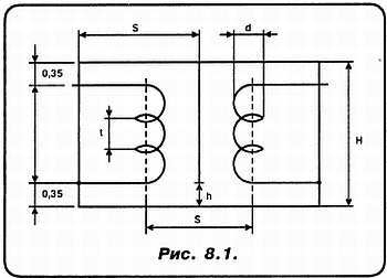
Вторая возможность — это применение так называемых «спиральных резонаторов»! Они представляют собой четвертьволновой коаксиальный резонатор, внутренний проводник которого для уменьшения габаритов, свернут в спираль. Спиральные резонаторы в подобных фильтрах обычно индуктивно связаны. Эта связь выполняется снижением высоты экрана, разделяющего два соседних резонатора со стороны заземленных концов спиральных катушек…

«Н»: А можно это изобразить на рисунке?

«С»: Ну почему нет? Вот, прошу вас (рис. 8.1)…

КВ-приемник мирового уровня? Это очень просто! - _61.jpg

«А»: На всякий случай, может приведете расчетную формулу?

«С»: Конечно же, я предпочел бы иное решение, чем применение спирального резонатора! Но… раз вытребуете расчетную формулу, то вот она:

КВ-приемник мирового уровня? Это очень просто! - _59.jpg

Здесь: N — число витков спирали;

S — показано на рис. 8.1;

σ — толщина стенки каркаса, на который намотана спираль, см. рис. 8.1;

ε — диэлектрическая проницаемость каркаса.

При этом S определяется, исходя из требуемой добротности Q0 по формуле:

КВ-приемник мирового уровня? Это очень просто! - _60.jpg

Добротность, согласно исследованиям авторов этой конструкции, можно довести до 800!

«А»: Я полагаю, что возни с подобным фильтром будет немало, но проблема при этом до конца не решится! Верно?

«С»: Да, я тоже считаю так, поскольку полосу селекции сделать лучше, чем 50 кГц вряд ли удастся!

«Н»: При fпр = 40 МГц?

«С»: Ну конечно! Так что на спиральный резонатор можно согласиться только в совершенно пиковом случае!..

Иная картина получается, если удастся достать ПОЛОСОВОЙ КВАРЦЕВЫЙ ФИЛЬТР! Этот фильтр представляет из себя сложную многорезонаторную систему, включающую в свой состав согласующие ВЧ-трансформаторы, подстроечные элементы и т. д. При этом сами кварцы включены по, так называемой, дифференциально-мостовой схеме, помещены в общий экран, индивидуально настроены и герметизированы.

Вот подобный фильтр, хотя его стоимость и высока — это действительно решение проблемы!

«Н»: А эти фильтры выпускаются промышленностью?

«С»: Обязательно, Незнайкин! Например, одним из заводов города Волгограда (Царицына) в России. Мне приходилось встречаться с несколькими разновидностями таких фильтров, настроенных, соответственно, на частоты 40 МГц; 45 МГц; 55,5 МГц.

«А»: А как именуются эти изделия?

«С»: Они называются: ФП2П (2–1); ФП2П (4–1). Кроме того, имеются великолепные японские, американские и западноевропейские изделия! Но мы подробнее поговорим о названиях позднее.

«А»: Отлично! Идем дальше по схеме… Усилитель А2 — пропускаем, ведь он такой же, как и А1. Верно?

«С»: …Почти. Следующий квадратик — второй смеситель U2.

«А»: Но я вижу, что второй гетеродин — неперестраиваемый! Ну это, допустим, еще понятно. А вот почему он кварцованный? Что вообще реально может дать применение в генераторе кварца?

«С»: Стабильность частоты LC — генераторов во многих случаях недостаточна! Она зависит от множества факторов. От температурных коэффициентов индуктивности и емкости. Обычно в составе гетеродинов используют именно LC — генераторы. Подобные гетеродины имеют относительную частотную нестабильность Δf/f0 равную 10-3—10-4.

Это означает, что при f0 = 50 МГц, при нестабильности 10-4 Δf = 5 кГц! То есть дрейф частоты гетеродина равен ПОЛУШИРИНЕ полосы пропускания! Для рассматриваемого приемника это величина недопустимо большая!

Максимальная нестабильность, с которой еще можно как-то мириться, для второго гетеродина составляет величину (2–3)∙10-6.

Это нормально для обычного кварцованного генератора! Хотя следует сказать, что в случае двойного термостатирования кварцевых генераторов нестабильность может быть ограничена уровнем ДЕСЯТЬ В МИНУС ДЕВЯТОЙ СТЕПЕНИ!

«А»: Но ведь это решает наши проблемы!

«С»: Ну, если и не все, то многие!.. Разработаны (и довольно давно) очень неплохие схемы с кварцевыми резонаторами. Например, кварцевые генераторы на основе схем Хартли и Колпитца!

«А»: То есть этот вопрос решается! Тогда, уважаемый Спец, перейдем к следующим квадратикам структурной схемы!

«С»: Далее у нас идет второй смеситель U2. Он каких-то особых, принципиальных отличий от U1 не имеет. Далее идет еще один фильтр — Z3!

«Н»: Какой смысл во втором преобразователе частоты? Почему нельзя было обойтись только одним?

«С»: Преобразование ВВЕРХ позволило кардинально решить проблему избирательности по «зеркалке»! А, кроме того, ликвидировать неприятности связанные с «пролазом» гетеродина в антенну! Но окончательную «обработку» и усиление сигнала удобнее проводить на значительно более низкой частоте!

«Н»: А чем плоха для этого частота 465 кГц? Или, например, 5,5 МГц, которую часто употребляют профессионалы?

«С»: Сам по себе фильтр Z3 — многозвенный, обеспечивающий крутые наклоны характеристики. Он может быть электромеханическим или пьезомеханическим. Или, что еще более предпочтительно — кварцевым, поскольку в этом случае его относительное изменение средней частоты минимально и составляет величину: 5х10-7 град-1.

22
{"b":"583087","o":1}