Литмир - Электронная Библиотека
Содержание  
A
A

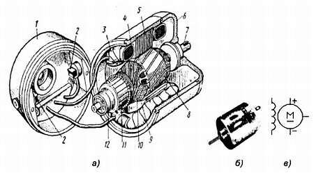
Первый шаг в этом направлении сделал М. Фарадей, описавший в 1821 г. опыты по вращению проводника в магнитном поле, а один из промежуточных, но результативных — Б. С. Якоби. В 1838 г. по реке Неве двигался бот с 12 пассажирами, приводимый в движение «магнитным двигателем» Якоби. Работа двигателя постоянного тока основана на взаимодействии проводников с током, располагаемых на якоре (вращающаяся часть двигателя) и магнитного поля, создаваемого обмоткой возбуждения, находящейся на магнитных сердечниках (полюсах) статора (рис. 24).

Радиоэлектроника-с компьютером и паяльником - _24.jpg

Рис. 24. Двигатель постоянного тока:

а — вид в разрезе (1, 6 — подшипниковые щиты; 2 — щетки; 3 — обмотка возбуждения; 4 — корпус; 5 — статор; 7 — вал; 8 — сердечник якоря; 9 — полюс; 10 — обмотка якоря; 11 — коллектор; 12 — подшипник); б — микродвигатель; в — компонент EWB

Поле возбуждения может также создаваться не обмоткой, а постоянными магнитами. Это взаимодействие приводит к появлению сил Ампера, создающих электромагнитный вращающий момент.

Подключение обмотки якоря к внешней цепи осуществляется через специальный щеточно-коллекторный узел. В последнее время появились бесколлекторные двигатели постоянного тока, имеющие датчики положения якоря и специальный полупроводниковый коммутатор.

В зависимости от способа соединения цепи якоря и обмотки возбуждения различают двигатели: независимого возбуждения, в которых обмотки питаются от разных источников (частный случай — возбуждение от постоянных магнитов); параллельного, последовательного и смешанного возбуждения. Вид механической характеристики (зависимости частоты вращения вала от нагрузки на нем) зависит от типа возбуждения.

В паспортных данных двигателей обычно указывают: напряжение питания, В; мощность (механическая мощность на валу) Вт или кВт; частоту вращения, об/мин; потребляемый ток, А. Реже можно встретить крутящий момент, момент инерции и другие характеристики.

Важной особенностью двигателей постоянного тока является простота регулирования частоты вращения с помощью реостатов, включаемых в цепь возбуждения или якоря, а также тиристорных преобразователей. При этом надо не забывать, что одновременно будет изменяться и момент (мощность) на валу двигателя.

В электродвигателях переменного тока неподвижная обмотка статора так распределена в пазах его внутренней поверхности, что при определенных способах питания ее переменным током, создаваемое ею магнитное поле вращается вокруг оси системы. Наиболее просто вращающееся поле получается в двух случаях.

В двухфазной системе (рис. 25) две обмотки (фазы) статора размещаются взаимно перпендикулярно (пространственный сдвиг) и питаются переменными синусоидальными напряжениями сдвинутыми по фазе также на 90° (временной сдвиг).

Радиоэлектроника-с компьютером и паяльником - _25.jpg

Рис. 25. Двухфазный асинхронный двигатель:

а — вид в разрезе (1 — обмотки статора; 2 — ротор); б — микродвигатель;в — УГО (РО — рабочая обмотка; УО — управляющая обмотка)

Таким образом, поле одной обмотки относительно ее оси (перпендикулярной оси двигателя) колеблется по синусоидальному закону, а второй — по косинусоидальному. Сложение этих взаимно перпендикулярных колебаний приводит к появлению суммарного магнитного поля, вращающегося вокруг оси статора. Смещение фазы напряжения второй обмотки на 90° в большинстве случаев получают за счет питания этой обмотки через конденсатор.

Принцип двухфазного двигателя был предложен итальянским ученым Г. Феррарисом и американским ученым и инженером, сербом по национальности, Н. Тесла практически одновременно во второй половине XIX в.

Еще более поразительным по своей оригинальности и простоте является второй вариант, предложенный в 1888 г. русским инженером-электриком, работавшим в германской компании АЭГ, М. О. Доливо-Добровольским. В его конструкции на статоре под углом 120° друг к другу размещались три фазные обмотки, питаемые от трехфазной сети переменного тока (напряжения отдельных фаз в этой сети имеют временной сдвиг, равный 1/3 периода). В результате образовывалось вращающееся магнитное поле.

В асинхронных двигателях это поле, пересекая проводники обмотки ротора, индуцирует в них ЭДС, которая создает ток в этих проводниках, если они замкнуты, например, как в короткозамкнутом роторе (по типу беличьей клетки, также предложенной М. О. Доливо-Добровольским). Взаимодействие вращающегося магнитного поля статора и проводников с токами в роторе приводит к появлению сил Ампера и вращающего момента. Ротор вращается вслед за полем статора, но с некоторым скольжением, т. е. асинхронно.

В мощных синхронных двигателях ротор в большинстве случаев представляет собой электромагнит. Для этого на валу размещают два сплошных контактных кольца (не путайте с коллектором) и питают обмотку ротора через щетки постоянным током, например от выпрямителя (двигатель при этом все равно относится к машине переменного тока — по принципу действия и питанию обмотки статора).

В маломощных двигателях ротор и вовсе выполняют как постоянный магнит, и проблемы с его питанием и особенностями классификации исчезают.

В некоторых микродвигателях ротор выполняют из магнитотвердых материалов (гистерезисные двигатели) или придают асимметрию его магнитной системе (реактивные двигатели).

Пуск синхронного двигателя происходит на «асинхронном моменте», для этого в мощных двигателях дополнительно размещают короткозамкнутую обмотку, а в маломощных начальные токи индуцируются просто в металлическом теле ротора. Далее ротор втягивается в синхронизм, продолжая вращаться вслед за полем статора с той же угловой частотой.

Интересной особенностью синхронных двигателей является возможность электрической редукции частоты вращения ротора по отношению к частоте вращения поля статора. Проще всего понижение частоты вращения ротора (субсинхронный режим) достигают выполнением на роторе значительно большего числа зубцов, чем на статоре.

Развитие цифровой техники стимулировало появление специального типа синхронных двигателей — шаговых двигателей. Собственно один из первых лабораторных электродвигателей, предложенный итальянским физиком Сальваторе даль Негро в 1831 г., содержащий электромагнит с храповым колесом, был предтечей шаговых двигателей. Подобные устройства впоследствии широко применялись в телефонии и телеграфии («шаговый искатель», стартстопные аппараты, импульсные механизмы дистанционной связи). Однако к середине прошлого века эта ветвь двигателестроения уже не развивалась. Появление ЭВМ привело к реанимации этого направления и бурному развитию дискретного привода.

Примером современного использования шаговых двигателей является привод перемещения считывающих и печатающих головок в различных устройствах.

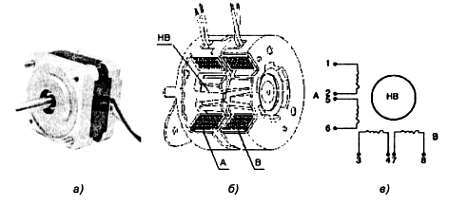
В шаговых двигателях (рис. 26), имеющих ротор в виде постоянного магнита, последовательности импульсов в виде команд подаются на группы обмоток статора (имеющих 4, 6 или 8 выводов) так, что максимум суммарного поля поворачивается на определенный угол, ротор также поворачивается, следуя за полем и делая шаг, занимает новое положение.

Радиоэлектроника-с компьютером и паяльником - _26.jpg

Рис. 26. Шаговый двигатель:

а — общий вид; б — схема (А, В — управляющие обмотки; НВ — ротор)

Шаговые двигатели работают в комплекте с электронным коммутатором, переключающим обмотки управления на статоре с последовательностью и частотой, соответствующей заданной команде. Например, ротор может выполнять 48 шагов за один полный оборот, что соответствует угловому перемещению 7,5. Управление двигателями осуществляют от специальных микросхем или микроконтроллеров.

21
{"b":"563360","o":1}