Литмир - Электронная Библиотека
Содержание  
A
A

В технических характеристиках учитывают: габариты и способ крепления: количество и тип контактов; усилие привода; диапазон коммутируемых токов и напряжений; допустимое число коммутаций.

В радиолюбительских конструкциях, да и профессиональной аппаратуре широко используются различные переключатели (рис. 21).

Радиоэлектроника-с компьютером и паяльником - _21.jpg

Рис. 21. Переключатели:

а — микропереключатель; б — DIP-переключатель; в — тумблер; г — УГО многополюсного переключателя; д — компонент EWB

Например микропереключатели типа МП1-МП11 с тремя контактными группами («тройки»), позволяющие коммутировать токи от 0,2 до 500 мА при напряжении от 0,2 до 30 В (рис. 21, а). В последнее время появились компактные блоки DIP-переключателей (рис. 21, б). Еще одним популярным типом механических коммутирующих устройств является перекидной переключатель (рис. 21, в), называемый тумблером (от англ. tumbler). Наиболее распространены тумблеры с двумя парами коммутируемых контактов, используемые в аппаратуре обычно в качестве выключателей сетевого питания, и с четырьмя парами контактов.

Реле

Это устройства, в которых при изменении условий в одной электрической цепи замыкаются и (или) размыкаются контакты, которые управляют работой другого устройства в той же или другой электрической цепи. Существуют и бесконтактные (электронные) реле.

Слово «реле» происходит от франц. Relais, означающего в доэлектрическую эпоху, как это не странно, пункт смены почтовых лошадей. Электромагнитное реле с нормально-замкнутым контактом было изобретено американским физиком Дж. Генри в 1837 г.; позже он предложил для телеграфа Морзе использовать цепь дистанционной передачи из подобных релейных станций.

По принципу действия различают реле: электромагнитные, магнитоэлектрические, индукционные, электродинамические, электротепловые и др.

В электромагнитных реле механическая работа, необходимая для замыкания и размыкания контактов, совершается за счет изменения магнитной энергии в рабочем воздушном зазоре электромагнита.

Реле классифицируют по ряду признаков.

По роду управляющего тока: постоянного и переменного; по потребляемой мощности: высокочувствительные (до 10 мВт), чувствительные (до 0,1 Вт) и нормальные (более 0,1 Вт); по виду контактов: с точечными, линейными, плоскостными и ртутными контактами.

По быстродействию: сверхбыстродействующие (время срабатывания и отпускания до 5 мс), быстродействующие (5…50 мс), нормальные (50…150 мс), замедленные (0.15…1 с) и реле времени (> 1 с).

По массогабаритным характеристикам: малогабаритные, миниатюрные и сверхминиатюрные.

Магнитные системы реле могут содержать постоянные магниты — поляризованные реле, или быть нейтральными.

Подвижную часть реле, воздействующую на контакты, называют якорем. Якорь может перемещаться поступательно либо поворачиваться на некоторый угол (рис. 22).

В контактных группах реле различают два типа контактов: замыкающие, которые при отсутствии тока в обмотке реле находятся в разомкнутом состоянии (нормально разомкнутый контакт — HP), и размыкающие, находящиеся при отсутствии тока в обмотке в замкнутом состоянии (нормально замкнутый контакт — НЗ). Кроме этого реле может иметь и переключающие контакты.

Радиоэлектроника-с компьютером и паяльником - _22.jpg

Рис. 22. Электромагнитные реле:

а— внешний вид;б — устройство (1 — катушка; 2 — сердечник; 3 — ярмо; 4 — Н3; 5 — переключающий контакт; 6 — HP; 7 — толкатель); в — компонент EWB

Основными параметрами реле являются: род тока; величина тока или напряжения срабатывания и соответственно отпускания; тип контактных групп.

К особому типу реле относится магнитоуправляемый контакт или геркон (герметичный контакт). Геркон представляет собой вакуумированную запаянную трубку, в торцы которой, вдоль продольной оси, введены пружинные контактные лепестки из ферромагнитного материала. Величина зазора между пластинками резко зависит от внешнего магнитного поля. Когда сила притяжения между лепестками превышает силу упругости, то лепестки замыкаются, образуя электрический контакт. Геркон, помещенный в катушку, работает как обычное реле. Он может управляться и приближением, либо перемещением постоянного магнита или экрана (подобные устройства использовались в клавиатурах прежних компьютеров и применяются в охранной сигнализации).

Для коммутации силовых цепей (пуск асинхронных двигателей и т. п.) разработаны герметичные силовые контакты — герсиконы, имеющие в области замыкания тугоплавкие наплавки и работающие в среде специального защитного газа.

Магнитоуправляемые контакты выполняют как с замыкающими, так и с размыкающими контактами.

Телеграфный ключ

Телеграфист с передаточной загадал барышне с промежуточной какое-то слово, начинающееся на букву «л«, и такой насмешник — стучит и стучит все одни и те же знаки:

.-…-…-…-..

Но барышня никак не может отгадать этого трудного слова.

А.И. Куприн. Телеграфист

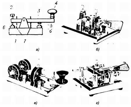
Это устройство (рис. 23) представляет собой специальный выключатель, служащий для быстрого размыкания и замыкания одной из цепей радиопередатчика при телеграфной передаче (манипуляции).

Радиоэлектроника-с компьютером и паяльником - _23.jpg

Рис. 23. Телеграфные ключи:

а — классический ключ (1 — подставка; 2 — задний контактный винт; 3 — двуплечий рычаг; 4 — рукоятка ключа; 5 — передний контакт; 6 — плоские стальные контактные пружины с серебряными контактными напайками; 7 — пружины); б — телеграфный манипулятор «Альманах-ПРО» Мастер КИТ MK327; в — телеграфный манипулятор «Эклипс» MK328; г — телеграфный манипулятор «Зеро» MK329

На радиостанциях малой мощности телеграфный манипулятор включается непосредственно в передатчик, а в мощных — управляет их работой через реле.

Простой вертикальный ключ (рис. 23, а) состоит из коромысла, на одном конце которого находится замыкающий контакт и специальная ручка для захвата ключа рукой. На таком ключе оператор длинным нажатием на ключ передает тире, коротким — точку, т. е. формирование телеграфных знаков происходит «вручную». В современном исполнении подобный ключ показан на рис. 23, в. Помимо описанного классического (вертикального) ключа, радиолюбители широко пользуются ключом, манипулятор которого (рис. 23, б, г) выполнен в виде рычага, на который слегка нажимают влево или вправо. Как правило, ключи последнего типа совмещают со специальной электронной частью радиостанций, формирующей последовательность тире при нажиме в одну сторону (влево), и — последовательность точек при манипуляции в другую сторону (вправо).

Возможен также реверс указанных сигналов по отношению к выбору их ориентации. Таким образом, знаки телеграфной азбуки формируются автоматически манипуляцией в разные стороны рычага манипулятора, служащего механической частью электронного ключа радиостанций. Радиолюбители умудряются изготовлять подобный манипулятор из отрезка ножовочного полотна; начинать с работы на подобном «инструменте» не рекомендуется: придется долго переучиваться, чтобы правильно «поставить руку».

19
{"b":"563360","o":1}