Следует проверить зарядку аккумуляторной батареи и при необходимости подзарядить его.
Самой распространенной причиной выхода из строя электрооборудования автомобиля (фар, подсветки и сигнализации) является обрыв проводов в местах их соприкосновения с металлическими деталями с острыми краями или ослабление контакта между клеммами и штекерами, а в случае с осветительными приборами – неисправность или плохой контакт патрона с лампой.
Проблема – лампы преждевременно сгорают
Следует проверить надежность крепления патронов в фарах, так как в результате сильных вибраций кузова на неровной дороге плохо закрепленные элементы осветительных приборов сильно сотрясаются и порой выходят из строя. В этом случае следует закрепить все лампы в патронах, еще раз проверить надежность крепления фар к кузову.
Проблема – не горит фонарь наружного освещения
Возможно, произошло перегорание лампы или ослабление контакта фонаря с массой. В первом случае необходимо снять рассеиватель и заменить лампу. Рассеиватели на ряде моделей автомобилей снимаются снаружи, на некоторых они могут быть закреплены внутри багажного отделения. В этом случае снимают винты крепления и меняют лампу. Если причина в ослабевшем контакте, свет в фонаре появится после подтяжки крепления фонаря с массой.
Проблема – не горит пара габаритных фонарей, расположенных по диагонали автомобиля (правый передний и левый задний или наоборот)
1. Наиболее вероятной причиной является ослабление контакта или перегорание предохранителя. Следует посмотреть, горит ли контрольная зеленая лампа включения габаритных огней. Если нет, причина кроется в перегорании предохранителя цепи, поэтому следует проверить бортовую систему на замыкание и установить новый предохранитель.
Ни в коем случае нельзя заменять предохранители на жучки или ставить предохранители с большим, чем в старом, сопротивлением – это может привести к замыканию и сгоранию проводки автомобиля.
2. Если не горят все фонари наружного освещения автомобиля, причиной неполадки чаще всего является разъединение провода с клеммой выключателя или неисправность выключателя габаритного света. Следует поддеть выключатель отверткой и достать его из гнезда, осмотреть место контакта, присоединить клемму, если цепь разомкнулась.
Если с клеммой все в порядке, нужно проверить рабочее состояние переключателя, для чего снять два провода с клемм и соединить друг с другом (один из проводов – черного цвета, другой – черно-белый). В том случае, если при замыкании проводов свет включится, неисправность кроется в выключателе и его необходимо поменять.
Проблема – не работают лампы подсветки на приборной доске
Проверить исправность самих ламп и выключатель освещения приборов, так как возможен выход из строя этих элементов системы освещения. Для осмотра нужно включить габаритные огни, достать выключатель из гнезда и замкнуть друг с другом две его клеммы; если при этом появляется свет, причина неисправности – в выключателе, который требуется заменить. Если причина не в этом, нужно заменить лампу подсветки, для чего снять щиток приборов на панели.
Проблема – при повороте лампа фонаря указателя поворотов не мигает, а постоянно горит
Проверить реле-прерыватель (находится за щитком приборов). Для этого вынуть деталь из гнезда и осмотреть контакты, провода зачистить от окисления и снова соединить. Если после проведенной операции работа поворотников не восстановилась, реле заменяют новым.
Проблема – при повороте лампа фонаря указателя поворотов не включается
Проверить предохранитель, возможно, он перегорел. В этом случае не будут работать не только поворотники, но и контрольно-измерительные приборы. Следует осмотреть цепь на отсутствие следов обгорания или разрывов, предохранитель заменить новым. Если он сгорит во второй раз, потребуется помощь специалиста.
Если не включается только один поворотный фонарь, при этом остальные элементы освещения и контрольно-измерительные приборы работают исправно, причиной стало перегорание самой лампы, для чего придется снять рассеиватель или произвести замену без его снятия (в зависимости от модели автомобиля), сняв резиновый колпачок с патроном и лампочкой с внутренней стороны крыла.
Проблема – контрольная лампа при включении поворотных фонарей мигает с изменившейся частотой
Для установления причины нужно проверить, исправны ли лампы в фонарях поворотников. Если да, причина кроется в обрыве цепи реле-прерывателя с контрольной лампой.
Для устранения неполадки нужно внимательно осмотреть всю цепь.
Проблема – при открывании двери не включаются фонари сигнализации
1. Если не работают оба фонаря, нужно проверить предохранитель, который мог перегореть. Достаточно нажать на включатель звукового сигнала, так как у этих элементов один и тот же предохранитель. В случае его выхода из строя гудок автомобиля не сработает.
2. Если не горит только один фонарь, причиной неисправности является перегоревшая лампочка, для проверки которой нужно развинтить винты, достать из чехла корпус вместе с патроном, отделить его от корпуса, после чего вывернуть из него лампу и заменить ее в случае неисправности.
Проблема – при торможении автомобиля стоп-сигнал не включается
1. Проверить приборы щитка. Если они не работают, виноват сгоревший предохранитель, который требуется заменить.
Если при торможении не горит только один стоп-сигнал, нужно снять рассеиватель, проверить лампочку и при необходимости заменить ее.
2. Если приборы щитка работают исправно, необходимо проверить выключатель стоп-сигналов, который расположен в верхней части рычага тормозной педали.
Нужно снять с клемм два провода, подключенных к выключателю, и замкнуть их: если стоп-сигналы включатся, то выключатель вышел из строя и его следует заменить.
Диагностика газобаллонной установки
Диагностика газобаллонного оборудования
Встандартную систему газобаллонного оборудования на автомобиле входят:
1) редуктор-испаритель;
2) электромагнитные клапаны, позволяющие переключать виды топлива;
3) переключатель вида топлива;
4) сам газовый баллон с блоком арматуры, снабженной датчиком, который определяет количество газа в баллоне и передает эту информацию на приборный щиток;
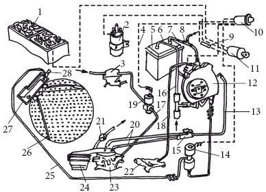
5) смеситель, который находится над карбюратором (рис. 89).
Перед проверкой газобаллонного оборудования следует убедиться в том, что двигатель автомобиля исправно работает на бензине.

Рисунок 89. Основные элементы газобаллонной установки: 1 – аккумулятор; 2 – катушка зажигания; 3 – бензонасос; 4 – электрическая цепь; 5 – радиатор-отопитель; 6 – шланг подачи жидкости; 7 – ленточный хомут; 8 – тройник; 9 – предохранитель; 10 – переключатель вида топлива; 11 – замок зажигания; 12 – редуктор-испаритель низкого давления; 13 – шланг низкого давления; 14 – электромагнитный газовый клапан с фильтром; 15 – тройник-дозатор; 16 – кран перекрытия отопительной системы; 17 – шланг подачи бензина; 18 – вакуумный шланг; 19 – электромагнитный бензиновый клапан с рукояткой; 20 – патрубки, впаянные в переходную коробку воздушного фильтра; 21 – соединитель с накидной гайкой; 22 – коллектор двигателя; 23 – карбюратор; 24 – воздушный фильтр; 25 – гибкий газопровод высокого давления; 26 – баллон для сжиженного газа; 27 – блок запорно-предохранительной арматуры (мультипликатор); 28 – вентиляционный рукав