Литмир - Электронная Библиотека
A
A

Рис. 6. Самолет без обтяжки.

Под передним концом фюзеляжа находится шасси, — это тележка, на которой стоит вся машина. Задний конец фюзеляжа, или хвост, опирается о землю костылем. В передней части корпуса находится мотор с насаженным на его вал пропеллером. Верхняя часть конца фюзеляжа, которая прикрывает мотор, называется капотом. Сзади мотора обычно находятся баки с бензином и маслом.

Сидения летчика и пассажира (или пассажиров) расположены внутри фюзеляжа. Перед летчиком находятся рычаги для управления самолетом и мотором, а также все необходимые приборы. От ветра летчик и пассажир защищены стеклянными козырьками.

На заднем конце фюзеляжа находятся рули для управления самолетом и органы для сохранения устойчивости в воздухе. Они составляют хвостовое оперение или просто хвост. Рулей два — руль направления и руль глубины, — первый служит для поворачивания самолета вправо и влево (как руль лодки), а второй — для спуска и подъема. Для сохранения устойчивости служат два органа- вертикальный стабилизатор, или иначе — киль, и горизонтальный стабилизатор. Первый служит у самолета для того же, для чего делается и киль у обыкновенной лодки, чтобы самолет мог легко лететь по прямой линии (про лодку рыбаки на Волге говорят: с «килем она „рысить“ не будет»), горизонтальный стабилизатор служит для того, чтобы самолет не «ковылял» то вниз, то вверх, а правильно бы летел под тем углом, под которым его направил летчик. К фюзеляжу прикреплены крылья, или, как теперь часто делают, одно сплошное толстое крыло на обе стороны. Если крылья в два яруса, то они часто скреплены между собой стойками и стальными тросами или лентами. Если крылья в один ярус, то они укрепляются иногда подкосами, которые идут от нижней стороны крыльев к фюзеляжу. На концах крыльев с задней стороны находятся маленькие подвижные крылышки, которые служат для сохранения поперечной устойчивости (чтобы самолет не кренился), они называются элеронами. Таковы главные части самолета. Теперь посмотрим их поближе.

КАК УСТРОЕН ФЮЗЕЛЯЖ (КОРПУС) САМОЛЕТА

Фюзеляж — это, так сказать, туловище самолета, его основа. Фюзеляж делается очень прочным. Рис. 7 изображает его устройство.

Как устроен самолет и как он летает - i_008.jpg

Рис. 7. Устройство фюзеляжа (корпуса) самолета.

Мы видим, что он состоит из 4 длинных брусьев, — они называются лонжеронами, лонжероны скреплены между собой стойками и туго натянутыми крест-на-крест стальными стяжками. Лонжероны и стойки делаются или из дерева, или же из стальных труб. В передней части фюзеляжа находится моторная рама, на которой укрепляется мотор.

Моторная рама всегда делается из стальных труб и должна быть очень прочной, так как иначе от вибраций (т. е. от тряски) мотора фюзеляж может легко расшататься.

Остов фюзеляжа сверху обтягивается или полотном, или фанерой. Полотно пропитывается особым составом и покрывается краской и лаком, так что делается непромокаемым и гладким Фанера покрывается краской и лаком. У металлических самолетов фюзеляж покрывается тонкими листами металла дюралюминия.

Фюзеляж делается или четырехугольным, или треугольным, или круглым и т. д. Но всегда форма его такова, что к концам он заостряется и задний конец всегда больше заострен, чем передний. Такая форма, как уже давно доказано, — самая выгодная, и при ней встречный воздух меньше всего мешает продвигаться самолету, или, как говорят, оказывает небольшое сопротивление.

Шасси (рис. 4) нужно самолету для того, чтобы катиться по земле при разбеге и при посадке (пробег). Шасси делается из прочных стальных труб и укрепляется под передней частью фюзеляжа. Колеса с металлическими ободами и спицами имеют резиновые покрышки, и внутри их — резиновые камеры, в которые накачивается воздух. Это делается для того, чтобы уменьшить толчки при разбеге. Но этого оказывается недостаточно. Чтобы еще больше смягчить толчки, ось, на концах которой надеты колеса, прикрепляется к шасси не накрепко, а привязывается толстым резиновым шнуром, в несколько витков, при толчках шнур растягивается и ослабляет толчки. Резиновый шнур называется амортизатором.

Костыль (рис. 5 и 13) под задним концом фюзеляжа делается обычно из дерева и металла. На костыле ползет задний конец фюзеляжа. При подъеме костыль не мешает, так как хвост поднимается, а при посадке костыль тормозит и уменьшает пробег.

КРЫЛЬЯ

От крыльев особенно сильно зависит, как самолет летает, — плохо или хорошо. Крылья должны быть и прочны и легки. Вот почему их трудно устраивать.

У деревянных самолетов остов крыльев состоит обычно из двух продольных брусьев, которые тоже называются лонжеронами (как и у фюзеляжа). Эти лонжероны делаются из двух довольно тонких деревянных реек, скрепленных двумя фанерными стенками. Получается как бы длинный тонкий ящик или коробка, поэтому такие лонжероны и называются коробчатыми.

На лонжероны надеваются многочисленные ребра, которые называются нервюрами. Нервюры представляют собой деревянные ажурные ребра, сделанные из тонких деревянных реей и фанеры. Форма нервюр бывает различная, и в зависимости от этой формы получается тот или иной профиль крыла, т. е. вид в, поперечном разрезе или сбоку.

Передние и задние концы нервюр скрепляются деревянными рейками. Для придания крылу прочности лонжероны скреплены поперечными деревянными рейками и растянуты стальными растяжками. Сверху скелет крыла туго обтягивается тонким полотном, которое пропитывается особым составом, а затем покрывается краской и лаком. От этого крыло становится жестким, блестящим и непромокаемым. Иногда вместо полотна употребляется тонкая фанера, которая тоже покрывается краской и лаком.

У металлических самолетов остов крыла делается из металла и обтягивается чаще всего тонкими гофрированными листами дюралюминия[1], реже — тонкой сталью.

Теперь все чаще и чаще строят крылья толстого профиля. У некоторых самолетов толщина крыла больше 1 метра. При такой толщине крыло легче сделать очень прочным (рис. 8).

Как устроен самолет и как он летает - i_009.jpg

Рис. 8. Испытание прочности металлического крыла.

Если же крыло получается прочным, то его можно прикрепить к фюзеляжу без всяких стоек и подкосов — такое крыло называется свободнонесущим. Свободнонесущее крыло выгоднее, так как тросы, всякие стойки и подкосы создают лишнее сопротивление воздуха, т. е. уменьшают скорость самолета и его подъемную силу.

МОТОР И ВОЗДУШНЫЙ ВИНТ

Мотор — сердце самолета (рис. 9).

Как устроен самолет и как он летает - i_010.jpg

Рис. 9. Установка мотора и воздушного винта на самолете.

От надежности его работы зависит часто не только выполнение полета, но и его безопасность.

Самолетный мотор мало чем отличается по своему устройству от автомобильного мотора, но обыкновенно авиамотор более мощный. Общее устройство мотора видно на рис 10.

Как устроен самолет и как он летает - i_011.jpg

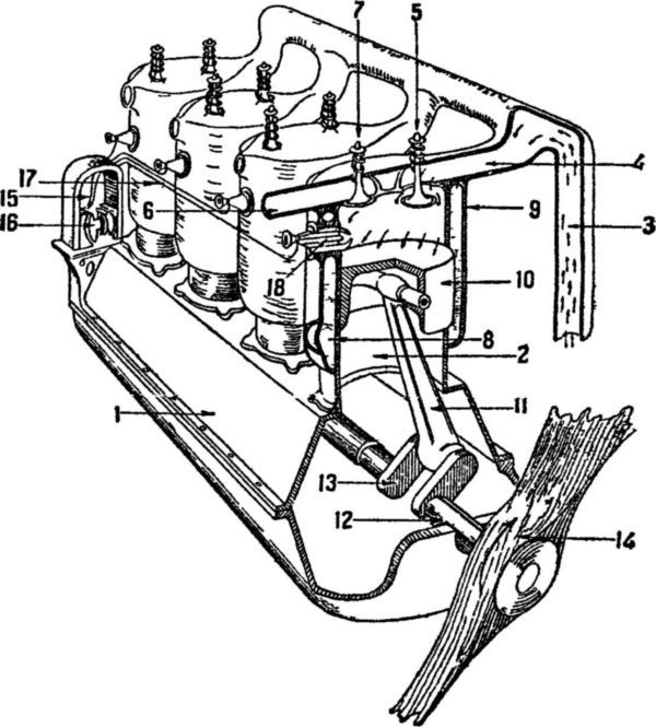
Рис. 10. Схема авиамотора. Для наглядности показаны только главные части и один цилиндр разрезан. 1 Картер. 2 Цилиндр. 3 Впускная труба. 4 Путь горючей смеси. 5 Впускной клапан. 6 Выпускная труба. 7 Выпускной клапан. 8 Вода для охлаждения цилиндра. 9 Водяная рубашка. 10 Поршень. 11 Шатун. 12 Коленчатый вал. 13 Колено вала. 14 Пропеллер. 15 Магнето. 16 Якорь магнето. 17 Электрические провода от магнето к свечам. 18 Свеча.

вернуться

1

Что такое дюралюминий — объяснено дальше.

Как устроен самолет и как он летает - i_040.jpg
2
{"b":"633389","o":1}