Литмир - Электронная Библиотека
Содержание  
A
A

Если у вас появилось желание строить полноразмерный аэромобиль, то учтите, что описанная модель поможет нам продемонстрировать лишь отдельные моменты ее взлета и посадки, но ничего не скажет о ее устойчивости в свободном полете. Вообще степень схожести модели летательного аппарата с оригиналом зависит от отношения длины модели к ее скорости, выражаемой так называемым числом Рейнольдса. Более подробно о связи между моделью и оригиналом вы можете узнать из книги В. Костенко, Ю. Столярова «Мир моделей», Москва, 1989 г.

ЗАОЧНАЯ ШКОЛА РАДИОЭЛЕКТРОНИКИ

Переводчик с кошачьего

Юный техник, 2007 № 03 - _41.jpg

Ни для кого не секрет, что кошки, собаки, мыши (как обычные, так и летучие), а также насекомые способны воспринимать ультразвуки. Нам природой этого не дано, а как бы было интересно послушать звук того мира, в котором живут наши любимцы!

Впрочем, решение есть. Нужно лишь превратить неслышимые звуки в слышимые. Как? Очень просто. Воспользуемся методом, применяемым в супергетеродинных радиоприемниках. В его смесителе из частоты любого принимаемого сигнала вычитается частота гетеродина, и получается сигнал, проходящий через «ухо» приемника, усилитель промежуточной частоты.

Так мы и сделаем. Возьмем смеситель, на один из его входов подадим ультразвуковой сигнал, а на другой — сигнал от гетеродина. Частоту его подберем такой, чтобы после вычитания у нас получился сигнал звукового диапазона. Взятый с него сигнал нет нужды детектировать, ведь его и так можно услышать.

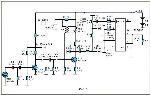
Электрическая схема для приема и преобразования сигналов ультразвуковых частот приведена на рисунке 1.

Юный техник, 2007 № 03 - _44.jpg

Сигналы биологических объектов воспринимает высокочастотный пьезомикрофон ВМ1. Сразу заметим, что для лучшего согласования высокоомного источника электрических сигналов с последующими цепями может оказаться полезным ввести между ним постоянный резистор с сопротивлением в несколько сотен килоом либо выполнить усилительный каскад по схеме составного транзистора. Сигнал с микрофона через фильтр верхних частот C1, R1, С2, R3 подается на усилительный каскад, в котором работает транзистор VT1. С его нагрузки — резистора R5 — усиленный сигнал через вторую ступень фильтрации С5, R6, С6, R7, С7 поступает на вход преобразователя, собранного на транзисторе VT2. Преобразователь выполнен со встроенным гетеродином; в его колебательный контур входят катушки индуктивности L2 и переменный конденсатор С10.

С его помощью частота гетеродина может перестраиваться в пределах порядка 25…59 килогерц. Этого достаточно, чтобы слышать сигналы не только кошек, но и летучих мышей.

Связь контура со смесителем обеспечивает катушка L1. С нагрузки смесителя — резистора R10 — разностный сигнал поступает с возможностью его регулирования резистором R13 на вход усилителя звуковой частоты через фильтр нижних частот С9, R12, С15, R14, С14. В качестве такого усилителя выбран маломощный (около 30 мВт) предварительный усилитель на интегральной микросхеме DA1 типа К157УН1А, нагруженный ушным электромагнитным телефоном BF1. Такой вариант предпочтительнее, поскольку не мешают посторонние звуки.

Однако можно использовать и громкоговорящий усилитель с выходом на динамическую головку, что может быть желательным для коллективного прослушивания экзотических сигналов.

Такой усилитель можно собрать на основе микросхемы К174УН4Б согласно принципиальной схеме, показанной на рисунке 3.

Юный техник, 2007 № 03 - _43.jpg

Обратим внимание на то, как пользоваться настройкой контура. Сравнительно грубая настройка обеспечивает поиск частот, на которых «вещают» биологические объекты. Когда ультразвуковой сигнал обнаружен, по звучанию звукоизлучателя BF1 или ВА1 более тонкими манипуляциями следует установить переменным конденсатором звучание, выявляющее нюансы «передачи».

Теперь о деталях. Каркас с катушками помещен в броневой сердечник типа Б26 из феррита М2000НМ1 с воздушным зазором. Катушка L2 содержит около 500 витков провода ПЭВ-2 0,12; у катушки L1 50 витков провода того же типа.

Можно взять переменный конденсатор с максимальной емкостью порядка 500 пикофарад от старого лампового приемника или использовать двухсекционный блок от «карманного», соединив секции параллельно. На рисунке 2 изображено расположение выводов использованных в конструкции транзисторов КЕ342, КЕ315 и микросхем К157УН1А, К174УН4Б.

Юный техник, 2007 № 03 - _42.jpg

Для питания первого варианта конструкции достаточно миниатюрной 9-вольтовой батареи типа «Кроны», для громковорящего варианта можно собрать батарею из гальванических элементов типоразмера АА.

Ю. ПР0КОПЦЕВ

ЧИТАТЕЛЬСКИЙ КЛУБ

Юный техник, 2007 № 03 - chitklubJUT.jpg

Письмо читателя

НА ОДНУ БУКВУ

Эту коротенькую сказочку-считалку, наверное, знают все: «Четыре черненьких чумазеньких чертенка чертили черными чернилами чертеж чрезвычайно чисто».

Отличие ее от прочих заключается в том, что все слова в считалке начинаются с одной буквы. Не хотите ли вы придумать подобные же рассказики на любую другую букву?

Бывшая учительница, а ныне пенсионерка Елена Трофимовна Жаркая, живущая в г. Королев (бывший Калининград) Московской области, вот рискнула. И в итоге написала целую книжицу небольших рассказиков, начиная с буквы «А» и кончая, естественно, «Я».

«Помнится, о такой литературной игре писал в свое время известный советский писатель Борис Лавренев, — сообщает нам Елена Трофимовна. — Ну, а непосредственным толчком к написанию моих рассказов стал конкурс, объявленный нашей городской газетой»…

Начинать Е.Т. Жаркая советует с составления отдельных предложений, где все слова начинаются на одну и ту же букву. Например: «Аспирант Академии архитектуры Алексей Александрович Акимов — автор артальбомов, альманахов, астрологических антологий — аристократ абстракционизма».

А, поднаторев, возможно, вы сможете сочинять и целые микрорассказы, подобные приведенным ниже:

«Безмятежны безветренные берега Буга. Бороздят буруны байдарки, баркасы, барки… Бдительный боцман Борис басит, бросая бинокль: «Браконьеры!» Бравые блюстители благополучия блокируют беспредельщиков. Безутешно браконьерское будущее… Бойкая большеглазая буфетчица Белла благодарит боцмана: «Браво, Борис!»

И, наконец, «Ярмарка — явление яркое»: «Явились ямщики якутские, Ярославна явила ягнят, Яночка — янтарь»…

Продолжение вы можете написать сами. У кого рассказик получится длиннее, тот и молодец.

Желающие могут присылать свои творения в редакцию. Лучшие произведения будут опубликованы в «Читательском клубе».

Вопрос — ответ

Не так давно на станции МКС в пустой скафандр поместили радиопередатчик и во время очередного выхода за борт станции астронавты просто вытолкнули его в открытый космос. Зачем это было сделано? Ведь скафандр стоит, наверное, немалых денег? И какова его дальнейшая судьба?

Олег Коростылев,

г. Рязань

Действительно, по предложению ведущего специалиста РКК «Энергия» Сергея Самбурова, экипаж МКС провел такую операцию. Получился еще один искусственный спутник Земли, который получил название «Радиоскаф», то есть «радиофицированный скафандр».

«Начинку» для него сконструировали студенты МГТУ и МАИ, отметившие таким своеобразным способом юбилеи своих вузов. Оболочка скафандра защитила радиоаппаратуру от космического холода, а аккумулятор скафандра обеспечил радиоаппаратуре питание.

15
{"b":"206800","o":1}