Литмир - Электронная Библиотека

В таком «полу-магните» домены приобретают способность сонаправлено ориентироваться в слабом управляющем магнитном поле. На самом деле, в данной структуре смещаются не магнитные домены, в обычном смысле этого слова, а переориентируются части вещества магнита более крупные, разделенные микротрещинами, то есть, так называемые, «акустические домены».

Многие исследователи повторяли работы Флойда, из их опыта, отметим, что лучшие результаты «кондиционирования» магнитного вещества дает пропускание мощного дугового разряда переменного тока непосредственно через бариевую магнитную керамику. Катушка для «кондиционирования» при этом не требуется. Частота переменного тока должна соответствовать частоте, с которой будет подаваться управляющий сигнал. Таким образом, Флойд Свит создавал бистабильное твердотельное состояние вещества, в котором проявляется акустический резонанс на частоте колебаний управляющего слабого магнитного поля.

Необходимо еще раз отметить, что генератор Флойда Свита, как и некоторые другие устройства свободной энергии, вырабатывал не совсем обычное электричество. Свойства этой энергии, внешне сходной с обычным электричеством, уникальны и существенно отличаются, поэтому она должна быть отнесена к совершенно новому виду энергии. Потребуется тщательное и всестороннее ее изучение, чтобы описать ее свойства так же, как это ученые сделали для обычного электричества. Можно сказать, что в этом электричестве есть обычные электроны, но есть и большая часть других частиц, которые ведут себя не по законам Ома и обычной электротехники.

Интересная деталь истории Флойда Свита: Однажды работа генератора прекратилась во время местного землетрясения. Физическое воздействие самого землетрясения не было столь серьезным, чтобы сдвинуть магниты или катушку, но повреждения в генераторе энергии были подобны удару молотка. Флойд предположил, что на машину оказал влияние электромагнитный импульс, вызванный землетрясением. Однако, на мой взгляд, это невозможно, так как электромагнитная компонента при землетрясении не имела такой величины, чтобы повлиять на устройство. Более обоснованным может быть предположение о влиянии гравитационного импульса, то есть эфирной продольной волны. Поскольку при землетрясении создается именно такая волна измененной плотности энергии в эфире, то в генераторе Флойда Свита, как можно предположить, произошел резкий скачок мощности, который вывел его из строя. Это говорит о том, что его принцип действия заключается в преобразовании тепловой энергии эфирной среды, количество которой зависит от плотности эфира.

На уровне элементарных частиц, процесс возбуждения эфира может обеспечить прецессирующий магнитный момент, аналогично специальным магнитам Джона Серла.

Приборы, используемые Флойдом для измерения напряжения, силы тока или мощности в нагрузке, показывали реальные данные только до мощности примерно 1 кВт. Далее, они могли показывать ноль, или любое другое значение, никак не соотносящееся с фактической мощностью, извлекаемой в полезной нагрузке. Попытки Флойда использовать классические формулы, связывающие число витков катушек, силу тока и напряжение, или другие параметры, чтобы предсказать выходную мощность, приводили к большим погрешностям. Были записаны эмпирические формулы, основанные на реальных измерениях. Наблюдение за выходным напряжением при резком повышении нагрузки от 100 ватт до 1000 ватт не показали его существенного изменения, что говорит о чрезвычайно низком внутреннем сопротивлении схемы этому «странному электричеству», о котором мы говорили. Выходная катушка имела несколько сотен витков и значительное сопротивление, что не соответствует в классическом понимании факту постоянной величины выходного напряжения при изменении нагрузки. Это наводит на мысль, что законы Ома не применимы в этом случае, а энергия не идет по медному проводу, а распространяется «вдоль него».

После сопоставления экспериментальных фактов Тесла и Флойда Свита, можно сделать вывод о том, что в устройствах такого рода, кроме обычного тока электронов, существенную роль играют токи эфирнъх частиц, неизмеримых обычными приборами. Разумеется, для получения обычного тока электронов, необходимо их «привлечь» путем ионизации воздуха, или обеспечив заземление. Флойд отметил еще одно странное явление: выходная мощность иногда падала до нуля через несколько секунд или минут после начала работы. Однако бывали случаи произвольного повышения напряжения свыше 120 вольт, наблюдаемые как увеличение яркости подключенных ламп. Показания амперметров, вольтметров и ваттметров не были связаны с яркостью ламп, за исключением случаев, когда машина отказывалась работать вообще. Много раз генератор нормально работал с подключенными лампами 24 часа в день. Однажды, когда устройство нормально работало весь день, Флойд проснулся в 3 часа ночи и пошел в ванную. Проходя мимо комнаты, где работал генератор, он заметил, что лампа светит тускло. Измеренное напряжение было 70 вольт. Будучи уставшим, он снова лег спать. Утром напряжение было снова 120 вольт, и не менялось в течение всего дня. Следующей ночью Флойд проснулся в половине пятого. Измерение показало 85 вольт. Днем напряжение вновь было нормальным. Одно из возможных объяснений этой аномалии – суточное и сезонное изменение плотности эфира. Именно это объясняет поломку устройства во время землетрясения.

Флойд Свит умер от сердечного приступа 5 июля 1995 года в возрасте 83 лет. Известно, что вдова изобретателя передала архивы Флойда крупному автомобильному концерну.

Рассмотрим еще один способ генерирования свободной энергии при помощи электронных устройств. Несколько лет назад, изобретатель по имени Стивен Марк (Steve Mark) придумал устройство, которое теперь называется Тороидальный Генератор Стивена Марка (TPU – toridal power unit). Другое название – твердотельный генератор Стивена Марка (Steven Mark solid state generator), означает, что в устройстве нет вращающихся и механически подвижных частей.

При демонстрации в 1997 году, этим генератором запитывались различные потребители электрической энергии, начиная от ламп накаливания и заканчивая сложными бытовыми приборами, такими как телевизор и электродрель. После запуска, генератор не требует энергии извне, и работает неограниченно долго. При работе, если держать «бублик» в руках, то ощущается небольшой гироскопический эффект, а также нагрев устройства.

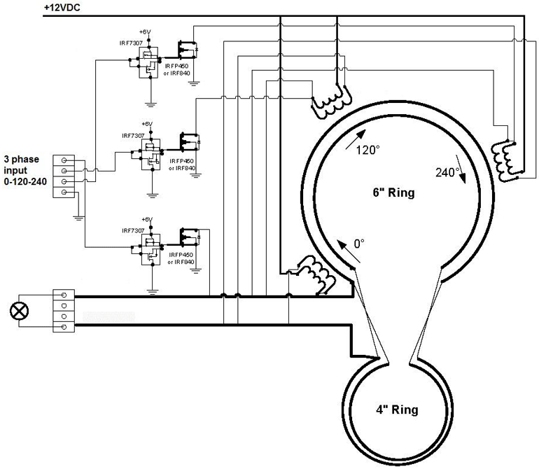
Существует видео оригинальных генераторов TPU, а также схемы создания подобных устройств. Многие смогли повторить это устройство. Принцип действия основан на создании «сдвиговой волны электронов», поскольку в основе конструкции используются три возбуждающих катушки, последовательно, в трехфазном режиме, создающих воздействие на кольцевой проводник. Схема показана на рис. 197.

Новые источники энергии - _197.jpg
Рис. 197. Схема Отто тороидального генератора Марка

Это схема Отто, одного из последователей Стива Марка. Оригиналы схем Марка в открытой публикации не встречаются. В интернет есть видеозапись того, как после демонстрации своего изобретения комиссии экспертов, Стив Марк распилил катушку генератора, что бы показать, что внутри ничего нет, в том числе нет ферритового сердечника. Первая катушка, которую он называл «коллектор – накопитель» имела 3 витка многожильного провода. Это скорее не катушка, а толстый медный провод, к торцам которого подключена цепь нагрузки. На ней намотаны катушки трехфазной схемы возбуждения, которые были подключены к ключам на ламповых триодах. Каждая катушка возбуждения состоит из двух частей, имеющих встречную намотку. При этом, трехфазная схема создает «вращающееся поле», хотя этим принцип работы не объясняется. На выводах «коллектора – накопителя» образовывалась разность потенциалов, электродвижущая сила, и в цепи нагрузки возникал ток.

Первые варианты своего генератора, автор создавал на электронно-вакуумных лампах. Когда автор попытался перейти на твердотельную электронику (транзисторы), то долго не мог получить требуемый режим работы. Оказалось, что причина была в скорости нарастания переднего фронта импульса: фронт должен быть очень крутым. На лампах это достигается легко, с транзисторами того времени были проблемы по быстродействию. Именно по причине «крутого фронта импульса», в кольцевом накопителе электронов возникает требуемая разность потенциалов, и создается мощность во внешней цепи нагрузки.

50
{"b":"804590","o":1}