Литмир - Электронная Библиотека

Схема аналого-цифрового преобразователя, представленная на рис. 2.22, уже в значительной мере устарела. Подобной схемой были оснащены игровые приставки для домашних компьютеров примерно лет пятнадцать назад. Ее разрешающая способность весьма скромна (приблизительно 8 бит), однако точность заслуживает уважения. Время преобразования зависит от номиналов выбранных компонентов, а также от частоты тактового генератора. Принцип работы схемы основан на сравнении известного напряжения с тем, которое нужно измерить.

Как проектировать электронные схемы - _46.jpg

Для этого используется интегрирующая RC цепочка, на которую подается серия импульсов с фиксированной частотой, но переменной шириной. На конденсаторе формируется пилообразное напряжение, которое подводится к одному из входов компаратора напряжений, построенного на основе операционного усилителя. Импульсы генерируются микроконтроллером, он же управляет регистром, содержащим результат измерения.

В начале цикла преобразования регистр результата обнуляется. Одновременно с этим на интегрирующую цепочку подается положительный импульс, и конденсатор начинает заряжаться. Считывание состояния выхода компаратора в конце первого такта позволяет узнать, превышает ли напряжение на конденсаторе измеряемую величину. Если нет, то содержимое регистра увеличивается на единицу, а импульс поддерживается в состоянии логической единицы в течение нового тактового промежутка. После его окончания процесс считывания повторяется. Так продолжается до тех пор, пока напряжение на конденсаторе не превысит измеряемую величину, после чего входной импульс прекращается, а конденсатор разряжается. В этот момент число, содержащееся в регистре, соответствует измеряемой величине.

Выбор параметров для компонентов схемы выполняется с учетом периода следования импульсов. В частности, произведение RC должно быть не меньше этого периода. Среди возможных областей применения рассмотренной схемы можно отметить считывание положения потенциометра, а также измерение аналоговой величины, значение которой должно отображаться на линейном индикаторе (со сравнительно невысокой точностью).

ЦИФРО-АНАЛОГОВОЕ ПРЕОБРАЗОВАНИЕ

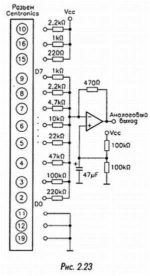
В этой области за последние годы достигнут такой же большой прогресс, как и в сфере аналого-цифрового преобразования (см. предыдущий раздел). Для преобразования цифровой величины в аналоговый сигнал можно использовать простую схему (рис. 2.23), которая содержит только стандартные компоненты.

Как проектировать электронные схемы - _47.jpg

В данную схему входят несколько резисторов и операционный усилитель. Она используется автономно или подключается к параллельному порту компьютера (например, к порту принтера). Точность преобразования невысока, но в данном случае требуется не генерация постоянного напряжения с высокой точностью, а скорее, приблизительная реконструкция сложного аналогового сигнала, например речи или музыки. Схему можно использовать также в качестве генератора НЧ сигналов.

Принцип работы несложен. Ко входам, на которые поступает двоичное восьмибитное слово, подключены резисторы. Их номиналы рассчитаны так, чтобы вес каждого бита соответствовал величине тока в данной цепи. Например, вход бита наименьшего веса соединен с резистором 220 кОм. К следующему входу подключен резистор, сопротивление которого приблизительно в два раза меньше (около 100 кОм) и так далее до бита наибольшего веса (с сопротивлением 1 кОм). Полученные таким образом токи складываются операционным усилителем, который преобразует их в напряжение.

Синтезированный сигнал обычно подается на НЧ усилитель или на каскад, обеспечивающий низкое выходное сопротивление при использовании схемы в качестве генератора.

Чтобы компенсировать постоянную составляющую сигнала на выходе операционного усилителя, на его неинвертирующий вход подается постоянное напряжение с делителя, равное половине напряжения питания. С целью полного подавления постоянной составляющей перед последующим каскадом обычно включают разделительный конденсатор. Для фильтрации частоты считывания, с которой двоичные слова подаются на преобразователь, требуется применение простого НЧ фильтра.

Если вход схемы подключить к параллельному порту компьютера, а к выходу присоединить усилитель с динамиком или наушниками, подача команды COPY ###. WAV: LPT1 обеспечит прослушивание звукового файла с именем ###, записанного на жестком диске компьютера в цифровом виде. Простая программа, написанная, например, на языке Basic, позволит получить сигнал нужной формы с любой частотой, которую ограничивают лишь возможности компьютера.

ИСПОЛЬЗОВАНИЕ КОНДЕНСАТОРОВ

Бестрансформаторный источник питания

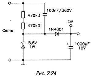
В некоторых случаях низкое потребление энергии современными компонентами позволяет осуществить питание устройств от сети без использования трансформатора. Понижать напряжение с помощью резистивного делителя нерационально, поскольку при этом неизбежно выделяется большое количество тепла. Гораздо лучше использовать схему, в которой основная часть сетевого напряжения будет приложена к конденсатору, который практически не потребляет активной мощности (рис. 2.24).

Как проектировать электронные схемы - _48.jpg

Потребляемый от сети ток будет определяться емкостью конденсатора, точнее, его сопротивлением переменному току, которое для частоты F рассчитывается по формуле Z = 1/ωС, где ω = 2πF (Z выражено в омах, С — в фарадах, F — в герцах).

Резисторы, подключенные параллельно конденсатору, обеспечивают его разряд после отключения устройства от сети.

На выводах стабилитрона формируется прямоугольное напряжение амплитудой 5,6 В. Стоящие далее диод и конденсатор служат для выпрямления и фильтрации этого напряжения. Максимальный ток, который можно получить на выходе такой схемы, составляет около 4 мА при емкости конденсатора 100 нФ. Для увеличения тока используется параллельное включение нескольких конденсаторов (высокие номиналы встречаются редко, такие конденсаторы имеют большие размеры).

Остается добавить два важных замечания. Рабочее напряжение конденсаторов никогда не должно быть ниже 400 В (лучше брать компоненты с допустимым напряжением 630 В). Поскольку такая схема и все подключенные к ней элементы связаны с сетью, необходимо принять элементарные меры безопасности. В частности, не следует использовать металлический корпус или компоненты с выходящими наружу металлическими деталями (оси потенциометров и т.д.). Кроме того, при наладке нельзя прикасаться к включенной схеме.

Неполярные конденсаторы

Довольно трудно найти неполярные конденсаторы (с изоляцией из слюды, бумаги или пленки) большой емкости с низким рабочим напряжением (< 25 В). Однако иногда нужны именно такие компоненты, в частности при построении импульсных генераторов на логических вентилях с очень большим периодом (например, при разработке таймера для часов). Получение большой постоянной времени RC-цепи за счет увеличения сопротивления имеет определенный предел для каждого типа схем.

Для формирования конденсатора большой емкости можно соединить два полярных (электролитических) конденсатора, чтобы получить один неполярный (рис. 2.25). При этом надо выбрать два компонента одинакового номинала и включить их последовательно, соединив между собой отрицательные электроды. Результирующая емкость будет равна половине емкости каждого конденсатора.

Как проектировать электронные схемы - _49.jpg

12
{"b":"594470","o":1}