Литмир - Электронная Библиотека

Н. — Следовательно, если на такой диод подать создаваемые микрофоном напряжения НЧ (рис. 167) и если диод-конденсатор является частью колебательного контура генератора ВЧ передатчика, можно осуществить ЧМ, не так ли?

Радио и телевидение?.. Это очень просто! - _343.jpg

Рис. 167. Диод Д под воздействием микрофонных сигналов изменяет частоту колебательного контура.

Л. — Я констатирую, что ты прекрасно понял принцип частотной модуляции, и поздравляю тебя с успехом.

Н. — Но я спрашиваю себя, не обладает ли этот диод переменной емкости другими способностями, помимо осуществления ЧМ? Нельзя ли его использовать для настройки контуров вместо классического конденсатора переменной емкости с вращающимися обкладками? В этом случае было бы достаточно поставить потенциометр, позволяющий регулировать напряжение, которое нужно было бы подать на диод, включенный в контур настройки приемника (рис. 168). Не сказал ли я какой-нибудь глупости?

Радио и телевидение?.. Это очень просто! - _344.jpg

Рис. 168. Диод Д, включенный в противоположном его проводимости направлении, выполняет роль конденсатора, емкость которого изменяется в зависимости от напряжения и таким образом изменяет настройку контура.

Л. — Совсем нет. Такие диоды переменной емкости действительно используют для настройки на очень высоких частотах, но только в некоторых приемниках, объем которых должен быть очень небольшим. Основная же область их применения — схемы с автоматической настройкой. Так называют приемники, в которых достаточно приблизительно настроить приемник на частоту принимаемой станции и дальнейшая настройка производится самим приемником автоматически. Для этой цели диод переменной емкости включают параллельно конденсатору настройки и подают на него напряжения, которые, изменяя емкость, обеспечивают точную настройку.

Н. — Это в известной мере средство, позволяющее упростить управление приемником. Но я хотел бы знать, как работает приемник, позволяющий принимать передачи с ЧМ.

Л. — Я объяснил тебе принципы передачи. Сегодня уже слишком поздно, чтобы продолжать нашу беседу. Поэтому я предоставляю моему дядюшке возможность заняться этой проблемой.

Радио и телевидение?.. Это очень просто! - _345.jpg

Комментарий профессора Радиоля

ПРИЕМ ПЕРЕДАЧ С ЧАСТОТНОЙ МОДУЛЯЦИЕЙ

Принцип приема передач с частотной модуляцией намного сложнее, чем с амплитудной. Во-первых, из-за очень высокой частоты несущих волн и значительной ширины полосы модуляции, а во-вторых, из-за трудности преобразования частотно-модулированных колебаний в колебания, модулированные по амплитуде. Все эти проблемы, а также различные способы их решения рассматриваются здесь.

Хорошо ли ты, Незнайкин, понял, почему передачи с частотной модуляцией ведутся на метровых волнах? Я думаю, что после расчетов, которые ты так хорошо выполнил во время последней беседы с моим дорогим племянником, это представляется тебе очевидным. В принципе несущая частота всегда должна в какое-то количество раз превышать ширину полосы модулирующих ее частот.

Когда ты начнешь изучать телевидение, то узнаешь, что полоса частот, позволяющая передавать так называемые «видеосигналы», достигает 6 МГц. Тогда тебя не удивит сообщение, что некоторые телевизионные передатчики работают на дециметровых волнах, т. е. используют несущие частоты в несколько сотен мегагерц.

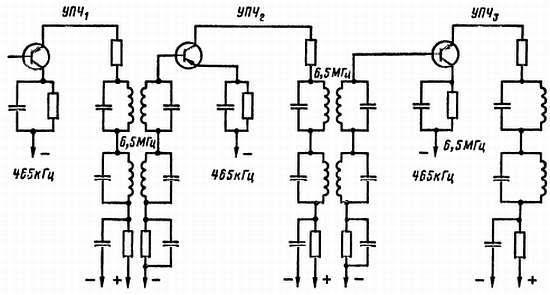
Усиление промежуточной частоты

Само собой разумеется, что радиоприемники, рассчитанные на прием передач с ЧМ, представляют собой супергетеродины. Однако, как ты сам хорошо понимаешь, их каскады УПЧ не могут быть настроены на 465 кГц, как это имеет место в приемниках AM колебаний.

Для того чтобы каскады УПЧ могли пропустить полосу модуляции шириной 300 кГц, их настраивают на частоту 6,5 МГц. Коэффициент усиления этих каскадов небольшой, и поэтому усилитель содержит три каскада.

Не думай, что в радиоприемниках, способных обеспечивать прекрасное воспроизведение передач как AM, так и ЧМ, имеется два отдельных УПЧ. Для усиления ПЧ 465 кГц и 6,5 МГц удается использовать одни и те же лампы или транзисторы.

Как этого достигают? Очень просто, включая последовательно контуры, настроенные на 6,5 МГц, с контурами, настроенными на 465 кГц (рис. 169); первые должны размещаться ближе к усилительным лампам или транзисторам.

Когда в усилитель поступают токи с несущей частотой 465 кГц, они без каких бы то ни было трудностей проходят через контуры, настроенные на 6,5 МГц. Что же касается напряжений этой частоты, то для них контуры, настроенные на 465 кГц, представляют высокое сопротивление.

На рисунке изображена схема УПЧ на трех транзисторах. Как видишь, трансформаторы связи для частоты 465 кГц имеют настроенную первичную обмотку, а для частоты 6,5 МГц — обе настроенные обмотки. Рассмотри эту схему повнимательнее, в ней нет ничего сложного.

Радио и телевидение?.. Это очень просто! - _346.jpg

Рис. 169. Один и тот же УПЧ служит для приема передач как с AM (контуры ПЧ настроены на 465 кГц), так и с ЧМ (контуры ПЧ настроены на 6,5 МГц).

Преобразователь частоты и УВЧ

По логике, прежде чем говорить тебе о промежуточной частоте, я должен был рассказать об усилении ВЧ и о преобразовании частоты. Для начала запомни, что метровые волны принимаются обычной антенной. Переносные приемники оснащаются так называемой телескопической антенной, которую ятя приема ЧМ передач нужно выдвинуть.

Преобразователю частоты обычно предшествует один каскад усиления ВЧ. В ламповых приемниках в таком каскаде используют триод, так как на ВЧ он обеспечивает лучший, чем пентод, коэффициент усиления. В преобразователе частоты предпочитают иметь отдельный от смесительной лампы местный гетеродин (рис. 170). Для этой цели можно все-таки использовать двойной триод; связь между гетеродином и смесителем в этом случае осуществляется через междуэлектродную емкость, через которую очень высокие частоты легко проходят.

Радио и телевидение?.. Это очень просто! - _347.jpg

Рис. 170. Преобразователь частоты с отдельным гетеродином, колебания которого подаются на сетку триода-смесителя.

Частотный детектор

Наиболее специфичной и существенно более сложной частью в ЧМ приемнике является устройство, служащее для демодуляции. Какова его роль?

Она прямо противоположна роли, которую модулятор играет в передатчике. Демодулятор получает усиленные напряжения промежуточной частоты, которые, за исключением случаев воздействия помех или явления замирания, имеют постоянную амплитуду, но у которых частота изменяется в весьма широких пределах. Эти колебания частоты надлежит преобразовать в пропорциональные им колебания амплитуды. Таким образом, получают сигналы НЧ.

Существует несколько различных способов демодуляции. Я опишу тебе лишь наиболее распространенные средства, а именно дискриминатор и детектор отношений. В каждой из этих схем используют два диода; это могут быть как вакуумные, так и полупроводниковые диоды.

53
{"b":"556138","o":1}