Литмир - Электронная Библиотека

Упражнение 13.2 Проверьте результаты расчётов для dU/dt (нарастание и спад) иUк.

Снижение питания до +3 В. Заметим, что время достижения порога ТТЛ при переходе из состояния ВЫСОКОГО уровня к НИЗКОМУ гораздо больше, чем при обратном переходе, даже если скорости нарастания и спада выходного сигнала (в случае схемы на 2N4124) почти одинаковы. Это связано с тем, что пороговое напряжение ТТЛ расположено несимметрично между +5 В и землей, и поэтому коллекторное напряжение на спаде для достижения порога должно измениться на большую величину. По этой причине шины ТТЛ часто подключаются к источнику +3 В (для этого иногда используют пару последовательно соединённых диодов, подключенных к +5 В), или каждая линия шины может быть подключена к делителю напряжения, как показано на рис. 13.59.

Искусство схемотехники. Том 3 (Изд.4-е) - _154.jpg

Рис. 13.59.

Упражнение 13.3. Рассчитайте время нарастания и спада и время задержки распространения для 2N4124, управляющего описанной выше шиной с Сн = 100 пФ. Результат изобразите графически.

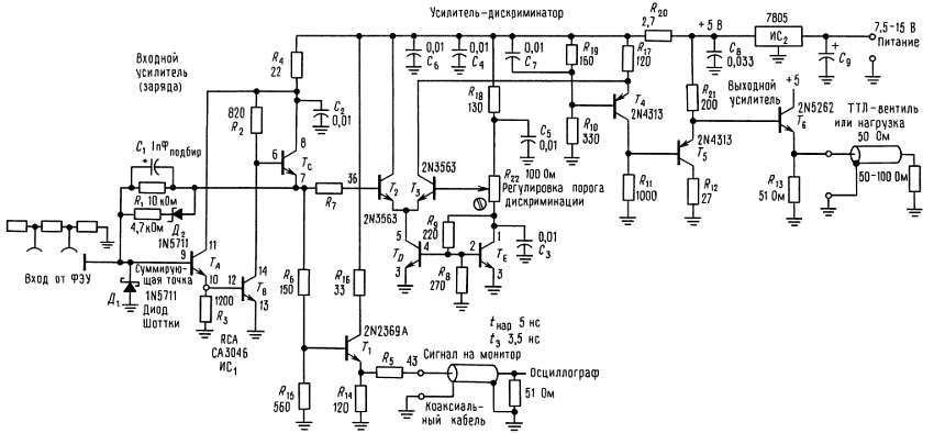
13.27. Пример схемы: предусилитель для фотоумножителя

В гл. 15 будут рассмотрены так называемые фотоэлектронные умножители (ФЭУ), устройства, широко используемые в качестве детекторов света, сочетающих высокую чувствительность с высоким быстродействием. Фотоумножители находят применение и там, где измеряется не собственно световое излучение, как, например, в качестве детекторов частиц высоких энергий, в которых кристалл сцинтиллятора при бомбардировке его частицами дает световые вспышки. Чтобы полностью использовать все возможности фотоумножителей, необходим зарядово-чувствительный быстродействующий дискриминатор — схема, которая генерирует выходной импульс при условии, что импульс заряда на входе превышает некоторый порог, соответствующий детектируемым световым фотонам.

На рис. 13.60 приведена схема быстродействующего предусилителя для фотоумножителя и дискриминатора, в которую входит ряд высокочастотных и переключательных устройств, обсуждаемых в этой главе.

Искусство схемотехники. Том 3 (Изд.4-е) - _155.jpg

Рис. 13.60. Быстродействующий зарядный усилитель для счета фотонов на фотоумножителе. Входная цепь должна иметь внешнюю «паразитную» емкость по крайней мере 10 пФ; для низкоемкостных входов (< 20 пФ) используют Ct = 0,5 пФ; при емкостях источника, достигающих 100 пФ, используют для С, от 1,0 до 1,5 пФ. Фотонный дискриминатор (используется для ФЭУ с высоким усилением); выход для ТТЛ: импульсы 20 нc; 50 Ом; порог 0,1–1,5 пКл, регулируемый; задержка 10 нc, разрешение двух импульсов 30 нc, 100 нc при перегрузке.

На выходе фотоумножитель выдает отрицательные импульсы зарядов (электроны отрицательны), причем длительность каждого импульса равна 10–20 нс. Импульсы большой амплитуды соответствуют детектируемым фотонам (квантам света), но имеется также и множество малых импульсов, которые возникают из-за шумов в самой фотоумножительной трубке и которые возникают должны отсекаться дискриминатором.

Описание схемы. Схема начинается с инвертирующего выходного усилителя (ТА—ТС), у которого обратная связь по току (и заряду) осуществляется через R1 и С1. Входной повторитель имеет малое выходное сопротивление и возбуждает ТВ (каскад усиления по напряжению), тем самым снижается влияние емкости обратной связи ТВ (Скб). Повторитель на выходе блока усиления ТС обеспечивает низкое выходное сопротивление, а ТВ — достаточное значение коэффициента усиления. Небольшой положительный импульс на эмиттере ТС соответствует отрицательному заряду, поступившему на вход с ФЭУ; обратная связь по постоянному току стабилизирует выход ТС примерно на уровне 2Uбэ. Т1 смещен как эмиттерный повторитель класса А и обеспечивает низкоомный «мониторный» выход для наблюдения усиленных импульсов с фотоумножителя, поступающих на дискриминатор.

Дифференциальный усилитель на Т2 и Т3 образует дискриминатор: порог сравнения устанавливается потенциометром R22, подключенным к источнику опорного напряжения (Те, работающий в режиме «диодного стабилизатора»), которое изменяется одинаково с входным напряжением покоя 2Uбэ усилителя. Такое «слежение» за диодным падением напряжения обеспечивается за счет того, что транзисторы ТА—ТE представляют собой монолитную транзисторную матрицу (СА3046) и все находятся при одной температуре. Транзистор Т4 вместе с Т3 образуют инверсную каскодную схему, обеспечивающую необходимые быстродействие и сдвиг уровня. Два каскада выходных повторителей, построенные на транзисторах с противоположной полярностью Т5 и Т6, чтобы компенсировать смещение Uбэ, завершают схему.

В этой схеме следует отметить некоторые интересные особенности. Чтобы получить хорошие характеристики по быстродействию, статические токи транзисторов выбираются сравнительно большими (дифференциальная пара Т2, Т3 имеет эмиттерный ток 11 мА, ток покоя Т5 равен 20 мА, а выходной транзистор потребляет 120 мА, чтобы обеспечить возбуждение нагрузки в 50 Ом). Заметим, что база каскодного каскада (Т4) шунтирована на U+, а не на землю, так как его входной сигнал связан с U+ через R17.

В дифференциальном каскаде в качестве источника эмиттерного тока используется токовое зеркало, «отражающее» ток опорного источника, что позволяет согласовать эти параметры схемы. Для снятия перегрузок используются Д1 и Д2. Хотя это и усложнит схему, ограничивающий диод Д1 можно подключить к коллектору TE (вместо земли), чтобы уменьшить отрицательные выбросы на входе.

Характеристики. На рис. 13.61 показана форма выходных импульсов и зависимость их длительности от величины входных импульсов (измеряемой как количество заряда). Эти выходные импульсы растягиваются при больших перегрузках, но общие характеристики достаточно хороши по сравнению с обычными предусилителями для фотоумножителей.

Искусство схемотехники. Том 3 (Изд.4-е) - _156.jpg

Рис. 13.61. Характеристика импульсов усилителя на рис. 13.60.

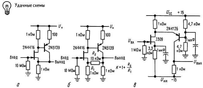
СХЕМЫ, НЕ ТРЕБУЮЩИЕ ПОЯСНЕНИЙ

13.28. Удачные схемы

Несколько удачных широкополосных схем изображены на рис. 13.62.

Искусство схемотехники. Том 3 (Изд.4-е) - _157.jpg

Рис. 13.62. Удачные схемы. а — широкополосный повторитель: высокое Z, малая входная емкость; б — усилитель: высокое Z, малая входная С; в — малошумящий видеоусилитель с малой входной емкостью (инвертирующий каскод).

Дополнительные упражнения. (1) Проработайте детально высокочастотный режим схемы (рис. 13.10), которая кратко описана в разд. 13.05. (а) Начните с повторения расчета частотных характеристик стыка предварительного усилителя и выходного каскада, эквивалентная схема которого изображена на рис. 13.12. Будьте внимательны при определении эквивалентных комплексных сопротивлений. Напишите одному из авторов, если вы обнаружите ошибку! (б) Теперь обратите внимание на то, что высокочастотный спад предварительного каскада начинается на существенно более высокой частоте, чем сопрягающая частота 180 МГц выходного каскада и его возбудителя. Особенно проверьте следующие точки: выходное (эмиттерное) сопротивление каскада T1, подключенное к емкостной нагрузке (см. рис. 13.11); выход Т2, работающий на почти такую же емкостную нагрузку (поскольку коллектор Т4 не заземлен); эмиттеры Т3 и Т4 и их емкостную нагрузку; коллектор Т4 с его емкостной нагрузкой.

60
{"b":"555629","o":1}