Когда свинец совершенно расплавится, необходимо удостовериться, имеет ли он ту температуру, которая необходима для хорошей отливки.
О степени жара свинцовой бани можно судить по виду ее поверхности, когда немного отгребается верхний слой угля, которым свинец прикрывается для предохранения от изгарины или окиси (уголь употребляется древесный, грубо измельченный). Если эта поверхность покрыта тонкой пленкой синеватого отлива, то металл еще не достиг требуемой температуры; радужный, красно-фиолетовый цвет обнаруживает достаточный нагрев; а темно-оранжевый или желтовато-блестящий отлив служит признаком уже сильно разогретого металла. Только постоянный навык может давать безошибочное определение, потому, для большей уверенности в хорошем качестве, отливают сперва несколько пуль на пробу, и если, при строгом осмотре, они окажутся полного объема, с немного свилеватой поверхностью, но с блестящим, плотным сложением внутри, без признаков плен, черновин или раковин, то их признают доброкачественными и продолжают отливку безостановочно. Пули с совершенно гладкой поверхностью, но с признаками черновин или раковин внутри, обнаруживают слишком перегретый металл; а пули в объеме неполные и с очень слоистой поверхностью показывают, что свинец еще не достаточно нагрет.
В первом случае надо охладить металл добавлением в него куска холодного свинца или снижением нагрева; в последнем — продолжать нагревание до нужной температуры.
Когда количество расплавляемого свинца незначительно, то для расплавки употребляется железный ковш или половник.
Когда расплавленный свинец достиг требуемой температуры, приступают к литью.
Для этого складывают вместе обе половинки формы, вставляют стержень (где таковой имеется) и сжимают форму так плотно, чтобы между ее половинками не было просвета; в противном случае получаются пули увеличенного объема и с так называемыми протеками. Затем отгребают немного уголь и наливают свинец в гнездо формы до тех пор, пока свинец не сравняется с поверхностью самой формы.
Когда свинец отвердеет, что заметно на литнике, то вынимают пулю, предварительно отрезав литник от пули.
Наливание свинца в формы должно производиться плавно, без задержек, так, чтобы струя вливалась равномерно и при том не слишком быстро, но и без замедления. При слишком быстром литье воздух не успевает выйти из формы, а при литье медленном свинец застывает слоями и связь металла в пулях нарушается.
Пули отливаются тем удобнее, чем более разогрета форма. Для нагревания формы ее не следует класть в огонь, а предварительно отлить в ней несколько пуль, которые потом пустить в переплавку.
Отлитые пули надо класть бережно, а не бросать, чтобы не повредить их поверхности.
Собирание и разбирание формы следует производить с осторожностью; иначе форма, и в особенности нижняя оконечность стержня (где таковой имеется) могут быть повреждены и в скором времени прийти в негодность.
Форму и стержень нельзя чистить ни песком, ни наждаком, ни кирпичом. После отливки пуль, форму и все ее части тщательно вытирают чистой тряпкой, а потом железные и стальные части смазывают маслом для предохранения от ржавчины.
При собирании формы надо следить, чтобы между ее половинками не могли попасть частицы свинца, поскольку обе половинки не будут плотно прилегать одна к другой; чтобы стержень, после сжатия прижимом, плотно сидел в цилиндрическом канале и, наконец, чтобы обрез был на своем месте.
По мере того как древесный уголь сгорает, на свинец необходимо насыпать свежий слой.
Вода и снег, случайно попавшие в половник или в котел на поверхность расплавленного свинца, производят явление, подобное взрыву, причем часть свинца выбрасывается из половника или котла и может обжечь занимающегося литьем.
Поэтому необходимо наблюдать, чтобы на поверхности кусков свинца, опускаемых в котел, вовсе не было влаги.
Если при снятии пуль со стержней оборвутся хвостики от сердечников, то их выбивают из стержней железным прутиком или опускают стержень в расплавленный свинец, где и держат до тех пор, пока хвостики не расплавятся.
1.8.12.2. Отливка пули «Диаболо»
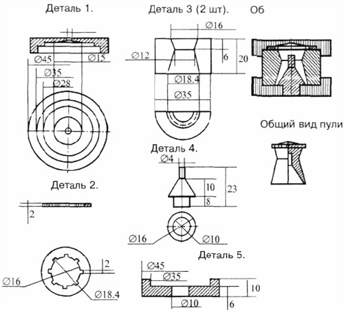
Изготовление формы для отливки пуль — дело несложное и может быть выполнено на токарном станке. В первую очередь (рис. 36) изготавливают деталь 3 (2 штуки), особое внимание уделяя обработке внутренних поверхностей. Они должны быть отшлифованы до зеркальной чистоты. После завершения работ по деталям 3, делают детали 1 и 5. Внутренний размер деталей 1 и 5 должен обеспечить вставку деталей 3 без особых усилий, в то же время обеспечивая плотное соединение половинок. Деталь 2 после изготовления впрессовывается в деталь 1 с небольшим натягом, а деталь 4 впрессовывается в деталь 5. Для облегчения снятия отлитой пули верхний стержень детали 4 можно сделать с небольшой конусностью (не более 0,2 мм). Отверстие для заливки в детали 1 можно раззенковать, что облегчит заливку расплавленного свинца.
Рис. 36. Пулелейка для пули "Диаболо" (Размеры даны для пули 12-го калибра)
Охотники, которые хотят изготовить пулелейку для пули «Диаболо» должны учитывать, что диаметр (D) пули по центрирующему пояску должен быть меньше диаметра канала ствола на 0,1 мм, а диаметр (d) тела пули должен быть меньше максимального дульного сужения стволов (табл. 17).
Таблица 17
Размеры пуль "Диаболо" различных калибров
| Калибр | Диаметр канала ствола, мм | Размеры пули (рис. 36) | Вес пули, г |
| D | d | d1 | d2 | d3 | H | h | h1 | h2 | K | m |
| 12 | 18,5 | 18,4 | 16 | 12 | 4 | 3,5 | 24 | 17 | 17 | 10 | 2 | 2 | 35,0 |
| 18,2 | 18,1 | 34,5 |
| 16 | 17,0 | 16,9 | 14,7 | 11,0 | 3,7 | 3,2 | 22,0 | 15,6 | 12,9 | 9,2 | 1,8 | 1,8 | 29,5 |
| 20 | 15,5 | 15,4 | 13,4 | 10,0 | 3,3 | 2,9 | 20,1 | 14,2 | 11,7 | 8,4 | 1,7 | 1,7 | 24,5 |
| 24 | 14,7 | 14,6 | 12,7 | 9,5 | 3,2 | 2,8 | 19,0 | 13,5 | 11,1 | 7,9 | 1,6 | 1,6 | 22,0 |
| 28 | 14,0 | 13,9 | 12,1 | 9,1 | 3,0 | 2,6 | 18,1 | 12,8 | 10,6 | 7,6 | 1,5 | 1,5 | 20,0 |
| 32 | 12,5 | 12,4 | 10,8 | 8,1 | 2,7 | 2,4 | 16,2 | 11,5 | 9,4 | 6,7 | 1,3 | 1,3 | 15,9 |
Качество поверхности пули и заполняемость полоски пулелейки улучшатся, если внутренние поверхности всех частей пулелейки закоптить над открытым пламенем свечи или спички; после затвердевания отливки пулелейка будет легче разбираться, если постучать ее основанием по металлическому массивному предмету (наковальне).
Напомним, что для изготовления пуль можно использовать расплав из бросовых свинцовых аккумуляторных пластин, либо приготовить сплав, содержащий 4 % сурьмы, 8 % олова и 88 % свинца. Перед началом работы детали пулелейки следует нагреть до температуры 100–120 °C.
1.8.12.3. Отливка колпачковой пули 12-го калибра