Литмир - Электронная Библиотека

Поскольку заряд конденсатора С1 происходит через диод VD2 типа КД522, а разряд — через резистор R3, то на выходе элемента DD2.1 имеют место короткие положительные импульсы с частотой следования 1–0,5 Гц. Первый же импульс, пройдя через дифференцирующую цепочку С4, R4 и элемент DD2.2, устанавливает триггер, собранный на элементах DD2.1, DD1.3, в положение, когда на входе элемента DD2.3 низкий уровень напряжения. Генератор, собранный на DD2.3, выключен и на выводах 1, 8 микросхемы DA1 типа КР1014КТ1 присутствует высокий уровень. Одновременно импульсы с DD2.1 поступают на элементы DD1.1 и DD1.4. Через DD1.1 импульсы не проходят, так как с резистора R2 поступает высокий уровень. Нулевой уровень, снимаемый с резистора R9, подается на входы элементов DD3.1 и вход DD3.3 микросхемы K561ЛA7. Поэтому импульсы, проходящие через DD1.4, не проходят на DD3.4. Следовательно, на выходе DD2.4 присутствует логический нуль, и транзистор VT3 закрыт. С движка резистора R2 снимается напряжение логической единицы, достаточное для переключения элемента DD1.1, выполняющего функцию управляемого компаратора с чувствительностью в десятки милливольт.

Примечание

Если к линии подключается дополнительная нагрузка сопротивлением менее 100 кОм, то напряжение в линии уменьшится на некоторую величину

Одновременно уменьшается и напряжение на движке резистора R2. Это приводит к появлению на входе DD1.1 напряжения, воспринимаемого микросхемой как уровень логического нуля. Этот уровень разрешает прохождение импульсов от DD2.1 через DD1.1. Поскольку на выходе DD3.1 высокой уровень, то импульсы проходят через ключ DD3.2. При этом на выходе DD3.3 тоже высокий уровень и эти импульсы проходят и через ключ DD3.4.

Продифференцированные импульсы цепочкой С6, R12 и элементом DD2.4 поступают на базу транзистора VT3. Транзистор открывается, и конденсатор СЗ быстро разряжается через открытый транзистор VT3 и светодиод VD3, который ярко вспыхивает с частотой 0,5–1 Гц. В перерывах между импульсами конденсатор СЗ подзаряжается через резистор R6. Так как оценка состояния линии происходит под управлением импульсов с генератора DD2.1, то некоторое изменение напряжения в линии в момент заряда конденсатора СЗ на работе устройства не сказывается.

Рассмотрим случай, когда телефонная трубка снята. При этом сопротивление телефонного аппарата включается между плюсовым проводом линии и резисторами R11 и R13. Напряжение в линии уменьшается до 5—25 В, так как нагрузкой линии будут телефонный аппарат, резистор R13 и резистор R14, зашунтированный малым (около 10 Ом) сопротивлением микросхемы DA1.

Напряжение, снимаемое с резистора R13, обеспечивает питание устройства через диод VD4 типа КД522. При этом. напряжение высокого уровня с точки соединения резисторов R8, R9 поступает на элементы DD3.3 и DD3.1. Низким уровнем закрывается ключ DD3.2. С движка резистора R9 снимается напряжение логической единицы, близкое к напряжению переключения компаратора DD1.4. Допустим, что к линии подключается (или была подключена) дополнительная параллельная или последовательная нагрузка, которая приводит к уменьшению напряжения в линии.

При этом напряжение на движке резистора R9 принимает уровень, расцениваемый микросхемой как уровень логического нуля. При этом импульсы с DD2.1 проходят через DD1.4, DD3.3 и DD3.4. После дифференцирующей цепочки С6, R12 и элемента DD2.4 они поступают на базу транзистора VT3, включая световую индикацию. Одновременно первый же импульс переводит триггер на DD1.2 и DD1.3 в состояние, разрешающее работу генератора на элементе DD2.3. С выхода генератора короткие импульсы частотой 12–20 кГц поступают на ключ, выполненный на микросхеме DA1.

Ключ начинает закрываться и открываться с частотой генератора. При этом сигнал в линии модулируется данной частотой, это вызывает расширение спектра сигнала, излучаемого радиоретранслятором, подключенным в линию.

Одновременно напряжение в линии увеличивается до 35–45 В. Это связано с тем, что последовательно с резистором R13 включается резистор R14, ранее шунтированный ключом DA1. Повышение напряжения в линии до такого уровня позволяет нейтрализовать автоматические записывающие устройства, срабатывающие по уровню напряжения в линии.

Для того чтобы работа этого генератора не мешала анализу состояния линии, он периодически отключается путем переключения триггера DD1.2, DD1.3 на момент оценки состояния линии. Если в процессе оценки состояния линии принимается решение о том, что линия свободна от посторонних подключений, то схема автоматически устанавливается в исходное состояние и переходит в ждущий режим с периодической проверкой состояния линии.

Детали. Резисторы используются типа МЛТ-0,125. Диод VD1 можно заменить на КД105, Д226. Транзисторы можно заменить на КТ3102, КТ503. Микросхемы можно использовать из Серий 564 и 1561. Конденсаторы CI, С2 и СЗ должны быть с минимальным током утечки.

Настройка. При настройке устройства устанавливается частота генераторов 0,5–1 Гц и 12–20 кГц резисторами R3 и R10, соответственно. При включенном генераторе DD2.3 резистором R14 устанавливается уровень напряжения в линии, равный 35–45 В, при котором еще не происходит рассоединения линии. Исходные уровни срабатывания рассматриваемого устройства устанавливаются резисторами R2 и R9.

Внимание

Прибор необходимо подключать к линии с соблюдением полярности!

Скремблеры

Кардинальной мерой предотвращения прослушивания телефонных разговоров является использование криптографических методов защиты информации, отмечается на http://www.spystuff.pdf. В настоящее время для защиты телефонных сообщений применяют два метода: преобразование аналоговых параметров речи и цифровое шифрование. Устройства, использующие эти методы, называются скремблерами.

При аналоговом скремблировании производится изменение характеристики исходного звукового сигнала таким образом, что результирующий сигнал становится неразборчивым, но занимает ту же частотную полосу. Это дает возможность без проблем передавать его по обычным телефонным каналам связи.

При этом методе сигнал может подвергаться следующим преобразованиям: частотная инверсия; частотная перестановка; временная перестановка.

При цифровом способе закрытия передаваемого сообщения непрерывный аналоговый сигнал предварительно преобразуется в цифровой вид. После чего шифрование сигнала происходит обычно с помощью сложной аппаратуры, зачастую с применением компьютеров.

Ниже приводится описание скремблера, использующего метод частотной инверсии. Этот метод давно и успешно применяется американскими полицейскими службами и обеспечивает эффективную защиту радио- и телефонных переговоров от постороннего прослушивания.

Частотно-инвертированный сигнал выделяется из нижней боковой полосы спектра балансного преобразования звукового сигнала с надзвуковой несущей. Две последовательные инверсии восстанавливают исходный сигнал. Устройство работает как кодер и декодер одновременно.

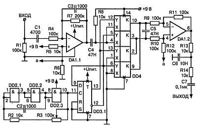
Синхронизации двух скремблеров не требуется. Принципиальная схема такого скремблера приведена на рис. 7.23.

Как собрать шпионские штучки своими руками - _112.jpg

Рис. 7.23. Схема скремблера

Это устройство состоит из таких элементов:

— тактового генератора на микросхеме DD2 типа K561ЛA7, вырабатывающего сигнал частотой 7 кГц;

— делителя-формирователя несущей 3,5 кГц на микросхеме DD3.1 типа К561ТМ2;

— аналогового коммутатора;

— балансного модулятора на микросхеме DD4 типа К561КТЗ;

— входного полосового фильтра с полосой пропускания 300—3000 Гц на микросхеме DA1.1 типа К574УД2;

— сумматора балансного модулятора с фильтром низкой частоты на микросхеме DA1.2.

37
{"b":"187930","o":1}