Литмир - Электронная Библиотека

Бескаркасная катушка L1 содержит 3 витка медного провода диаметром 0,7 мм и наматывается на оправке диаметром 12 мм.

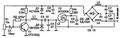
Схема № 4. Рассмотрим далее схему телефонного ретранслятора с ЧМ на одном транзисторе и возможностью использования телефонной линии в качестве антенны.

Этот ретранслятор работает в диапазоне 65—108 МГц и обеспечивает дальность передачи до 200 м (рис. 7.13,а). В качестве антенны использован отрезок провода длиной 90 см.

Как собрать шпионские штучки своими руками - _98.jpg

Рис. 7.13. Телефонный ретранслятор с ЧМ на одном транзисторе и использованием линии в качестве антенны:

а — принципиальная схема ретранслятора с частотной модуляцией

Частота задающего генератора на транзисторе VT1 типа КТ315 определяется параметрами контура L1, СЗ. Дроссели Др1 и Др2 разделяют ВЧ и НЧ составляющие сигнала.

Примечание.

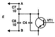
В качестве антенны можно использовать и саму телефонную линию.

В этом случае конденсатор С2 нужно исключить, а устройство подключить к телефонной линии, как показано на рис. 7.13,б.

Катушка L1 намотана на корпусе конденсатора СЗ и содержит 4 витка провода ПЭВ 0,5 мм. Дроссели любые, индуктивностью 50—100 мкГн.

Как собрать шпионские штучки своими руками - _99.jpg

б — схема включения пинии связи в качестве антенны

Схема № 4. Телефонный УКВ ЧМ-ретранслятор с дополнительным усилителем может быть построен на МОП-транзисторе. На рис, 7.14 представлена схема такого устройства. Для увеличения чувствительности в схему введен усилитель НЧ на транзисторе Т1. Резистор R1 — регулятор громкости.

При чувствительности УКВ радиоприемника 10 мкВ дальность действия ретранслятора — около 200 м. Подключение данных УКВ ЧМ-ретрансляторов производится в разрыв телефонной линии, она же используется в качестве антенны.

Катушка L2 — бескаркасная, имеет внутренний диаметр 6 мм, намотана проводом ПЭВ 0,8 мм, желательно посеребренным, содержит 3+1 витка. Дроссели L1—L3 применены готовые, индуктивностью 60—100 мкГн.

Настройка. Изменением величины резистора R2 следует установить напряжение на коллекторе транзистора Т1 равным половине напряжения питания. Увеличение сопротивления в коллекторе транзистора Т1 ведет к увеличению коэффициента усиления каскада. Однако, не рекомендуется уменьшать коллекторный ток менее 0,5 мА, т. е. устанавливать R3 более 10–15 кОм,

Как собрать шпионские штучки своими руками - _100.jpg

Рис. 7.14. Схема телефонного ретранслятора на МОП-транзисторе с дополнительным усилителем

При отсутствии генерации нужно подстроить (подобрать, начиная, например, с 500 Ом) резистор R4, не превышая допустимого предела максимального тока транзистора Т2, равного 15 мА.

Совет

Оптимальный ток стока должен составлять 12–14 мА. При этом токе обеспечивается максимальная мощность излучения; дальность передачи, стабильность частоты и минимальное влияние антенны.

При уменьшении тока стока МОП-транзистора повышается экономичность схемы, но ухудшаются перечисленные параметры.

Внимание

Не рекомендуется уменьшать ток стока менее 5 мА, иначе при подключении передающей антенны возможен не только значительный уход частоты, но даже срыв генерации.

Частота генерации устанавливается как конденсатором С4, так и сжатием или растягиванием катушки L2. Для этой схемы также не рекомендуется увеличивать емкость конденсатора СЗ.

Эта схема предоставлена радиолюбителем UA9VJH, за что ему большое спасибо.

Схема № 5. Теперь рассмотрим телефонный ЧМ-ретранслятор средней мощности, собранный на двух биполярных транзисторах.

Автогенератор этого радиоретранслятора собран по обычной двухтактной схеме (рис. 7.15) на транзисторах VT1 и VT2 типа КТ315.

Как собрать шпионские штучки своими руками - _101.jpg

Рис. 7.15. Схема телефонного ЧМ ретранслятора средней мощности

Частотная модуляция происходит при изменении напряжения на базах транзисторов. Частота радиопередатчика определяется контуром L1, С5. Дроссель Др1 можно использовать любой, с индуктивностью 50—100 мкГн. Катушка L1 наматывается на корпусе конденсатора С5 и содержит 4 витка провода ПЭВ 0,5 мм с отводом от середины.

Катушка L2 намотана поверх L1 и имеет 2 витка того же провода. Стабилитрон VD2 — любой малогабаритный, с напряжением стабилизации 10–12 В.

Схема № 6. Рассмотрим универсальное устройство — радиомикрофон-ретранслятор с питанием от телефонной линии.

Примечание.

Кроме вышеприведенных конструкций существуют комбинированные радиоретрансляторы, которые позволяют прослушивать не только сам телефонный разговор, но и разговоры в помещении, где этот радиоретранслятор установлен, причем при положенной трубке телефона.

Недостаток этих устройств — малая мощность, т. к. они питаются от телефонной линии и не могут потреблять ток более 1 мА. Схема такого устройства представлена на рис. 7.16.

Как собрать шпионские штучки своими руками - _102.jpg

Рис. 7.16. Схема ретранслятора с питанием от телефонной линии

Выпрямительный мост КЦ407 подключается параллельно телефонной линии. Напряжение в линии при положенной трубке составляет около 60 В. Это напряжение прикладывается к блоку питания, выполненному на элементах DA1, R1, VT1, VT2.

Микросхема DA1 типа КЖ101 представляет собой стабилизатор тока, работающий при напряжениях 1,8—120 В.

Падение напряжения при протекании стабильного тока через нагрузку во время заряда конденсатора С1 ограничено аналогом низковольтного стабилитрона на транзисторах VT1, VT2.

Примечание.

При положенной трубке телефона устройство работает как радиомикрофон.

При поднятии трубки ТА незначительное изменение тока, протекающего через нагрузку — радиомикрофон, вызывает изменение рабочей точки транзистора VT3 и, тем самым, осуществляет частотную модуляцию радиомикрофона. Задающий генератор собран на транзисторе VT1 типа КТ368, режим работы по постоянному току задается резистором R1.

Частота колебаний задается контуров в базовой цепи транзистора VT1. Этот контур включает в себя катушку L1, конденсатор СЗ и емкость цепи база-эмиттер транзистора VT1, в коллекторную цепь которого включен контур из катушки L2 и конденсаторов С6 и С7. Конденсатор С5 включен в цепь обратной связи и позволяет регулировать уровень возбуждения генератора.

Примечание.

В автогенераторах подобного типа частотная модуляция производится путем изменения потенциалов выводов генерирующего элемента.

В схеме, приведенной на рис. 7.16, управляющее напряжение прикладывается к базе транзистора VT1, изменяя тем самым напряжение (емкость) на переходе база-эмиттер.

Изменение этой емкости приводит к изменению частоты генератора, чем и обеспечивается частотная модуляция. При использовании УКВ приемника зарубежного производства требуемая величина максимальной девиации несущей частоты составляет 75 кГц и получается при изменении напряжения звуковой частоты на базе транзистора в диапазоне 10—100 мВ.

34
{"b":"187930","o":1}