Литмир - Электронная Библиотека

Примечание

Данное устройство подключается параллельно телефонной линии.

Настройка. Налаживание устройства происходит в 6 этапов. Подключаем устройство к телефонной линии и переходим к стадии 2. Измеряем напряжение на D5, оно должно быть 5–5,6 В. Если напряжение не соответствует, то проверяем монтаж и исправность элементной базы.

Включаем контрольный приемник и пытаемся поймать сигнал передатчика! (все измерения и настройка проводится строго со снятой трубкой телефонного аппарата). Сигнал пойман, в противном случае проверяем монтаж и исправность того барахла, что вы туда впаяли.

Медленно поворачивая С7, добиваемся в приемнике максимально качественного и громкого сигнала на частоте третьей гармоники кварца, т. е. 96 МГц. Если этого не происходит, то можно попробовать подобрать С4 и, в крайнем случае, С5.

Изменением геометрических размеров L2 (раздвижением или сжатием витков не металлическим предметом) до максимального уровня выходного сигнала. Пластиковой отверткой регулируете положение ротора конденсатора С9 по минимальному току потребления и максимальной дальности передачи.

Радиус действия устройства составляет около 200 м на этой частоте и с этим потреблением тока — это предел. Большое потребление тока вызовет снижение громкости в трубке телефонного аппарата, что в свою очередь приведет к рассекречиванию устройства. А нам этого не нужно! Общий ток потребления устройства составляет 25 мА.

Бесконтактный съем информации с телефонной линии

Бесконтактный индуктивный способ снятия звуковой информации с телефонной линии известен давно. Он основан на эффекте возникновения магнитного поля вокруг проводника, по которому течет ток.

Правило.

Вокруг каждого из проводов, передающих ток, возникает магнитное поле, а у проводов пары оно противоположное.

Чтобы уловить и преобразовать это поле в электрический сигнал, необходимо только один из проводов пары пропустить сквозь магнитный сердечник, на котором имеется обмотка.

Таким образом, пропущенный провод выступит в роли первичной обмотки из одного витка, вторичная обмотка может иметь 200–600 витков.

Данная конструкция представляет собой классический токовый трансформатор, напряжение во вторичной обмотке которого пропорционально току в первичной обмотке, то есть в линии.

Совет.

Катушку индуктивного съемника удобно выполнить на размыкающемся броневом или кольцевом ферритовом сердечнике с максимально высокой магнитной проницаемостью и имеющим возможно большее число витков. Для исключения низкочастотных наводок (особенно от сети) индуктивный съемник должен быть заключен в металлический экран.

Такой датчик можно подключать непосредственно на микрофонный вход высококачественных диктофонов, имеющих высокое усиление сигнала внешнего микрофона и снабженных акустопуском.

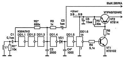
Схема № 1. Для записывающих устройств попроще можно применить предусилитель с акустопуском, выполненный на одной цифровой КМОП микросхеме K564ЛH2 по схеме рис. 7.7.

На инверторах DD1.1—DD1.3 выполнен усилитель низкой частоты. Элементы VD1, С4 образуют пиковый детектор, за которым следует компаратор на элементах DD1.5, DD1.6, управляющий силовым ключом на транзисторах VT1, VT2.

Как собрать шпионские штучки своими руками - _91.jpg

Рис 7.7. Усилитель низкой частоты с акустопуском

Величину резистора R1 можно подобрать по наилучшему качеству звука. Конденсатор С2 на выходе УНЧ служит для подавления возможного самовозбуждения УНЧ на высоких частотах. Резистором R2 можно подобрать требуемую величину усиления. От емкости и тока утечки конденсатора С4 зависит время удержания акустопуска.

Далее рассмотрим устройства для бесконтактного съема информации с телефонной линии на ОУ.

Схема № 2. На рис. 7.8,а представлена схема простого усилителя, на вход которого подключена катушка индуктивности. В схеме можно применить ОУ — КР1407УД2, КР140УД20, КР1401УД2Б, КР140УД12, 140УД8 или аналогичные, в их типовом включении и желательно с внутренней коррекцией.

Примечание.

Помещенная рядом с телефонным проводом катушка будет надежно «снимать» информацию.

Катушку-датчик можно выполнить на броневом сердечнике подходящего размера. Один из проводов телефонной пары зажимается между чашками броневого сердечника.

В качестве катушки для бесконтактного съема информации с телефонной линии можно использовать магнитную головку от кассетного магнитофона. В этом случае один из телефонных проводов просто располагается рядом с рабочим зазором головки.

Катушку-датчик так же можно изготовить и из малогабаритного низкочастотного трансформатора, например, выходного трансформатора от транзисторного приемника, последовательно соединив все его обмотки.

Как собрать шпионские штучки своими руками - _92.jpg

Рис. 7.8. Устройства для бесконтактного съема информации с телефонной линии на ОУ;

а — простейшая схема

В качестве катушки для бесконтактного съема информации с телефонной линии можно использовать магнитную головку от кассетного магнитофона. В этом случае один из телефонных проводов просто располагается рядом с рабочим зазором головки.

Катушку-датчик так же можно изготовить и из малогабаритного низкочастотного трансформатора, например, выходного трансформатора от транзисторного приемника, последовательно соединив все его обмотки.

При использовании в качестве датчика магнитофонной головки L1 целесообразно использовать конденсатор С6 емкостью 3000—10000 пФ, который совместно с индуктивностью L1 образует колебательный контур, настроенный на частоту 1–1,5 кГц. Это позволяет увеличить уровень сигнала с датчика и увеличить соотношение сигнал/шум.

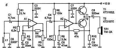
Схема № 3. На рис. 7.8,б приведена схема усовершенствованного усилителя для бесконтактного съема информации с телефонной линии на двух ОУ и с возможностью регулировки громкости. Устройство разработано Александром Семьяном.

Как собрать шпионские штучки своими руками - _93.jpg

бсхема с возможностью регулирования громкости

Схема № 4. Бесконтактный съем информации с телефонной линии обеспечивает схема, представленная на рис. 7.9.

Принцип действия данного устройства заключается в улавливании переменного электромагнитного поля, наводимого вокруг телефонной пары (http://www.shematic.net/page-115.html). Для бесконтактного съема информации с телефонной линии телефонная пара зажимается между чашками броневого сердечника дросселя L1. Сигнал с усилителя попадает на микрофонный вход или на телефонный капсюль ТА-2. Напряжение питания должно быть в пределах 1,2–3 В. Дроссель L1 имеет 600 витков ПЭВ 0,05 на сердечнике СБ-30.

Как собрать шпионские штучки своими руками - _94.jpg

Рис. 7.9. Устройство бесконтактного съема информации

Схемы телефонных ретрансляторов

Телефонные ретрансляторы включаются последовательно в разрыв одного из проводов телефонной линии и питаются током в линии в момент разговора.

32
{"b":"187930","o":1}