Литмир - Электронная Библиотека

Поэтому если к двум проводам, идущим к приемнику от общего с передатчиком источника питания, прибавить всего один провод синхронизации, то можно получить замечательное устройство. Оно будет работать по принципу синхронного детектора и обладать такими его свойствами, как: избирательность; помехоустойчивость; возможность получения большого усиления.

И это без применения многокаскадных усилителей со сложными фильтрами.

Внутри помещения даже без использования дополнительной оптики и мощных излучателей устройство можно применять как охранную сигнализацию, срабатывающую при пересечении инфракрасного луча на расстоянии от излучателя до приемника 3–7 м.

Причем устройство не реагирует на внешнюю засветку от посторонних источников, как постоянную (солнце, лампы накаливания), так и модулируемую (люминесцентное освещение, фонарик).

Снабдив светодиод приемника собирающей линзой, можно перекрыть несколько десятков метров расстояния на открытом пространстве, имея отличную помехоустойчивость даже при идущем слабом снеге. При использовании линз на приемнике и передатчике одновременно возможно перекрытие еще большего расстояния, но возникает проблема точного наведения узкого луча передатчика на линзу приемника.

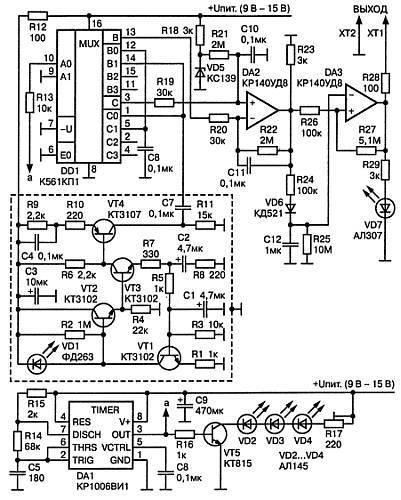
Генератор передатчика (рис. 6.6) собран на интегральном таймере DA1 включенном по схеме мультивибратора. Частота мультивибратора выбрана в диапазоне 20–40 кГц, но может быть любой. Она лишь ограничена снизу величиной конденсаторов С7, С8 и сверху частотными свойствами таймера.

Сигнал мультивибратора через ключ на VT5 управляет светодиодами передатчика VD2—VD4. Мощность излучения передатчика можно подбирать, меняя число светодиодов или ток через них резистором R17. Так как диоды работают в импульсном режиме, амплитудное значение тока через них можно выставить вдвое-втрое выше постоянно допустимого.

Как собрать шпионские штучки своими руками - _80.jpg

Рис. 6.6. Схема передатчика

Как собрать шпионские штучки своими руками - _81.jpg

Рис. 6.7. Схема приемника

Инфракрасный приемник (рис. 6.7) выполнен на дискретных элементах VD1, VT1—VT4, R1—R12,С1—С4 по схеме, использовавшейся во многих советских телевизорах. Его с успехом можно заменить импортным интегральным ИК-приемником, имеющим к тому же инфракрасный светофильтр. Однако желательно, чтобы на выходе приемника не формировался цифровой сигнал, то есть его тракт был бы линейным.

Далее усиленный сигнал поступает на синхронный детектор, выполненной на КМОП мультиплексоре DD1 и управляемый сигналом таймера DA1. На выходах 3,13 DD1 имеется полезный противофазный сигнал, который усиливается дифференциальным интегратором на ОУ DA2. Элементы R19, R20; С10, С11; R21, R22 интегратора определяют уровень усиления сигнала, полосу пропускания приемника и скорость отклика.

Примечание.

Уровень «земли» интегратора определяется стабилитроном VD5, и выбран как можно меньшим, (но чтобы ОУ DA2 не входил в ограничение), так как полезный сигнал на выходе DA2 будет положительным.

На ОУ DA3 выполнен триггер Шмитта. Совместно с пиковым детектором на элементах R24, VD6, R25, С12 он исполняет роль компаратора для формирования сигнала срабатывания. Падение напряжения на Диоде VD6 уменьшает уровень пикового напряжения на величину 0,4–0,5 В. Это задает «плавающий» порог срабатывания сигнализации, величина которого плавно меняется в зависимости от расстояния между приемником и передатчиком, уровня засветок, помех. При нормальном прохождении луча светодиод VD7 будет светиться, при пересечении луча светодиод гаснет.

К деталям, применяемым в схеме, никаких особых требований нет. Элементы могут быть заменены аналогичными импортными или отечественными. Резистор R25 составлен из двух последовательных по 5,1 МОм. Фотодиод VD1 с усилителем обязательно должен быть помещен в металлический заземленный экран для предотвращения наводок.

Схема настройки не требует, но следует быть внимательным при испытании устройства. Сигнал передатчика может попадать в приемник в результате отражения от близлежащих предметов и не даст увидеть результат функционирования схемы. Удобнее всего во время отладки уменьшить ток светодиодов излучателя до долей миллиампера.

Для работы устройства в качестве ИК сигнализации работающей на пересечение луча к устройству (рис. 6.6) можно подключить блок индикации (рис. 6.7). Переключателем SA2 выбирается режим работы блока индикации. В положении «ОДНОКРАТНО» при пересечении луча формируется один звуковой сигнал длительностью 1 с. В положении «ПОСТОЯННО» звуковой сигнал звучит постоянно до сброса блока кнопкой SA1.

Помимо работы устройства в режиме, когда излучатель направлен на приемник, можно направить их в одну сторону (конечно, исключив непосредственное попадание луча передатчика в приемник).

Таким образом, будет реализована схема ИК-локатора (например, для парковочного датчика автомобиля). Если же снабдить ИК передатчик и приемник собирающими линзами и направить их, например, на оконное стекло, то отраженный ИК сигнал будет промодулирован с частотой звуков в помещении.

Для прослушивания такого сигнала на выход DA2 необходимо подключить амплитудный детектор с усилителем низкой частоты и заменить С10, С11 конденсаторами емкостью 100 пФ, резисторы R21, R22— 300 кОм, R19, R20 — 3 кОм.

Вообще, от емкости конденсаторов С10, С11 интегратора зависит возможность получения большого уровня усиления. Чем емкость конденсаторов больше, тем больше сглаживаются случайные помехи и тем больше можно получить усиление. Однако ради этого приходится жертвовать быстродействием устройства.

Противодействие снятию со стекла информации по ИК-каналу

Каждому действию всегда находится противодействие. Так для защиты информации были придуманы модуляторы стекла, т. е. устройства, создающие помехи, широкополосный акустический шум, модулирующий оконное стекло с псевдослучайной последовательностью.

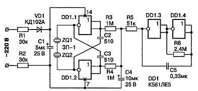
Схема № 1. Рассмотрим модулятор стекла с плавающей частотой, созданный на микросхеме K561ЛE5. Этот модулятор предназначен для создания помех устройствам, считывающим звуки с поверхности оконного стекла. Модулятор питается от сети переменного тока напряжением 220 В. Принципиальная схема модулятора приведена на рис. 6.8.

Как собрать шпионские штучки своими руками - _82.jpg

Рис 6.8. Схема модулятора стекла

Напряжение сети гасится резисторами R1 и R2 и выпрямляется диодом VD1 типа КД102А. Конденсатор С1 уменьшает пульсации выпрямленного напряжения. Модулятор выполнен на одной микросхеме K561ЛE5. По своему схемному построению он напоминает генератор качающей частоты или частотный модулятор.

На элементах DD1.3 и DD1.4 собран управляющий генератор низкой частоты. С его выхода прямоугольные импульсы поступают на интегрирующую цепочку R5, С4.

При этом конденсатор С4 то заряжается через резистор R5, то разряжается через него. Поэтому на конденсаторе С4 получается напряжение треугольной формы, которое используется для управления генератором на элементах DD1.1, DD1.2.

Этот генератор собран по схеме симметричного мультивибратора. Конденсаторы С2 и СЗ поочередно заряжаются через резисторы R3 и R4 от источника треугольного напряжения. Поэтому на выходе генератора будет иметь место сигнал, частота которого «плавает» в области звуковых частот речевого диапазона. Поскольку питание генератора нестабилизировано, то это приводит к усложнению характера генерируемых сигналов. Нагрузкой генератора служат пьезокерамиче- ские излучатели ZQ1 и ZQ2 типа ЗП-1.

29
{"b":"187930","o":1}