Литмир - Электронная Библиотека
Содержание  
A
A

В этот момент дверь распахнулась, и в комнату шагнул один из телеоператоров с работающей камерой. Дженифер тут же выхватила из стопки несколько графиков и подняла их так, чтобы оператору было удобно снимать. А всем присутствующим шепотом объяснила:

– Наш ролик будет без звука, так что надо представить и наглядный визуальный ряд.

Она развернулась лицом к камере и сказала:

– Позвольте продемонстрировать вам несколько наборов данных с метеостанций. Вот, например, запись средних температур в Пасадине с 1930 года.[21] Как видите, – продолжила Дженифер, – здесь отмечается значительный рост среднегодовых температур. А вот данные по Беркли с 1930 года.

На удивление неполная запись, верно? Но тут мы использовали необработанные данные, сами можете видеть, некоторые годы пропущены. Однако тенденция к потеплению просматривается довольно отчетливо. Сомнению не подлежит, вы согласны?

Пасадина, Калифорния 1930—2000
Государство страха - i_009.png
Беркли, Калифорния 1930—2000
Государство страха - i_010.png

– Согласен, – кивнул Эванс. И тем не менее отметил про себя, что разница в температурах ничтожная, меньше градуса за более чем шестьдесят лет.

– Так, теперь данные по Долине Смерти, одному из самых жарких и сухих мест на нашей планете. Понятно, что никакой урбанизации там не наблюдается. Жить в таких условиях просто невозможно. И снова пропущено несколько лет.

Долина Смерти, Калифорния 1933—2000
Государство страха - i_011.png

На этот раз Эванс промолчал. «Должно быть, какая-то аномалия», – подумал он. Дженифер продемонстрировала еще несколько графиков.

– Это данные со станций в пустыне Невада и с равнинных территорий Оклахомы, – сказала она. – И температуры в целом ровные, иногда даже показывают тенденцию к снижению. Причем измерялись они не только в сельских местностях. А вот данные по Боулдеру, штат Колорадо. Представляют интерес уже хотя бы потому, что там расположен НЦИА, Национальный центр исследования атмосферы, где проводится большая часть работ по изучению феномена глобального потепления.

МакДжил, Невада 1930—2000
Государство страха - i_012.png
Гутри, Оклахома 1930—2000
Государство страха - i_013.png
Боулдер, Колорадо 1930—1997
Государство страха - i_014.png

А вот еще данные по маленьким городам. Трумэн, штат Миссури, Гринвилль, это в Южной Дакоте…

Трумэн, Миссури 1931—2000
Государство страха - i_015.png
Гринвилль, Южная Дакота 1930—2000
Государство страха - i_016.png
Анн-Арбор, Мичиган 1930—2000
Государство страха - i_017.png

– Ну, следует признать, здесь не отмечается таких уж сильных изменений, – заметил Эванс.

– Смотря что считать сильным. В Трумэне похолодало на 2,5 градуса по Фаренгейту. В Гринвилле – на 1,5 градуса, в Анн-Арбор – на один градус, и все это с 1930 года. Так что эти города являются исключением, если глобальное потепление в целом имеет место.

– Давайте взглянем на более крупные населенные пункты, – сказал Эванс. – Такие, как, к примеру, Чарльстон.

– Знаете, Чарльстон как раз имеется, – сказала Дженифер. И принялась рыться в стопке графиков. – Вот, пожалуйста.

Чарльстон, Южная Каролина 1930—2000
Государство страха - i_018.png
Нью-Йорк 1930—2000
Государство страха - i_019.png

– Да, большие города и нагреваются больше, – заметил Эванс. – А что у нас с Нью-Йорком?

– По штату Нью-Йорк несколько наборов данных. По Нью-Йорк-Сити и более мелким городам.

Как видите, – сказала Дженифер. – В Нью-Йорк-Сити стало теплее, зато в других частях штата, от Освего до Олбани, с 1930 года отмечается похолодание.

Сиракузы, Нью-Йорк 1930—2000
Государство страха - i_020.png
Олбани, Нью-Йорк 1930—2000
Государство страха - i_021.png
Освего, Нью-Йорк 1930—2000
Государство страха - i_022.png

Эванс отдавал себе отчет в том, что на него нацелены телекамеры. Кивнул, как ему показалось, с многозначительным и умным видом, и спросил:

– А откуда взяты все эти данные?

– Из базы данных Института истории климатологии, – ответила Дженифер. – Создан такой национальный центр с разветвленной системой лабораторий в Оук-Ридж.

– Что ж, – кивнул Эванс, – очень любопытно. Однако мне хотелось бы видеть еще и данные по Европе и Азии. Без них картина была бы неполной. Ведь речь идет о глобальном потеплении.

– Разумеется, – согласилась с ним Дженифер. Она тоже явно играла на камеры. – Но прежде чем мы перейдем к этому, хотелось бы знать ваше мнение по просмотренным нами данным. Как вы уже успели убедиться, далеко не во всех городах Соединенных Штатов наблюдается потепление за означенный период.

– Уверен, вы очень старательно и целенаправленно подбирали именно эти данные, – заметил Эванс.

– Ну, до определенной степени. Примерно так поступили бы на нашем месте и свидетели защиты.

– А результаты меня не удивляют, – сказал Эванс. – Изменения погоды носят локальный характер. Так было, и так всегда будет. – Тут вдруг в голову ему пришла мысль:

– А кстати, почему все эти графики составлены начиная с 1930 года? Ведь измерения температуры на регулярной основе начались значительно раньше.

– Это вы верно подметили, – кивнула Дженифер. – Уверена, если сравнивать с более давними годами, разница будет еще больше. Вот, к примеру…

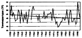
Уэст-Пойнт, Нью-Йорк 1931—2000
Государство страха - i_023.png
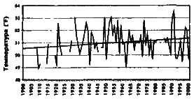
Уэст-Пойнт, Нью-Йорк 1900—2000
Государство страха - i_024.png

Это данные по Уэст-Пойнт, штат Нью-Йорк, с 1931 по 2000 год. Отмечается тенденция к снижению. А вот…

Вот вам тот же Уэст-Пойнт, только за 1900—2000 годы. И тут, напротив, наблюдается тенденция к повышению среднегодовых температур.

– Ага… – многозначительно протянул Эванс. – Получается, что вы все же манипулируете данными! Берете те, которые вам выгоднее.

– Совершенно верно, – кивнула Дженифер. – Но этот маленький трюк работает лишь потому, что температуры во многих регионах США в тридцатые годы были выше, нежели сегодня.

– И все равно это не совсем честно.

– Да. И защита не упустит возможности продемонстрировать жюри присяжных многочисленные примеры подобных мелких подтасовок, найденных в научной литературе по вопросам окружающей среды. И сводятся они к выбору данных за те годы, которые показывали бы, как ситуация ухудшается.

«На суде это будет выглядеть оскорблением в адрес ученых-экологов», – подумал Эванс.

– В таком случае, – сказал он, – давайте попробуем обойтись без подтасовок. Использовать самые полные и объективные данные по температурным изменениям. Какие из них самые ранние?

– По Уэст-Пойнт, наблюдения ведутся с 1825 года.

– Вот и прекрасно. Почему бы не начать с них? – Эванс был уверен в правильности своего предложения, поскольку всем было хорошо известно, что тенденции к глобальному потеплению начали просматриваться примерно с 1850 года. С тех пор во всех уголках планеты понемногу становилось теплее, и график по Уэст-Пойнт это отражал.

вернуться

21

Население Лос-Анджелеса 14 531 000 человек; Беркли – 6 250 000; Нью-Йорка – 19 346 000 человек.

81
{"b":"15313","o":1}